0  398835  398843  398849  398853  398859  398861  398865  398871  398873  398879  398885  398889  398891  398895  398901  398903  398909  398913  398915  398919  398921  398925  398927  398929  398930  398931  398933  398934  398935  398937  398939  398943  398945  398949  398951  398955  398961  398963  398969  398973  398975  398979  398985  398991  398993  398999  399003  399005  399011  399015  399021  399029  447090 

1.代数法

常见的代数法有:求平均值法和逐差法

试题详情

3.控制电路的选择(见难点12.滑动变阻两种电路接法的选择)

试题详情

2.实验电路(电流表内外接法)的选择

测量未知电阻的原理是R,由于测量所需的电表实际上是非理想的,所以在测量未知电阻两端电压U和通过的电流I时,必然存在误差,即系统误差,要在实际测量中有效地减少这种由于电表测量所引起的系统误差,必须依照以下原则:(1)若,一般选电流表的内接法.如图13-6(a)所示.由于该电路中,电压表的读数U表示被测电阻Rx与电流表A串联后的总电压,电流表的读数I表示通过本身和Rx的电流,所以使用该电路所测电阻RRx+RA,比真实值Rx大了RA,相对误差a(2)若,一般选电流表外接法.如图13-6(b)所示.由于该电路中电压表的读数U表示   Rx两端电压,电流表的读数I表示通过RxRV并联电路的总电流,所以使用该电流所测电阻R也比真实值Rx略小些,相对误差a.

图13-6

试题详情

在测电阻等许多电学实验中,都存在如何选择电学实验器材,如何选择测量电路、控制电路的问题.

正确地选择仪器和电路的问题,有一定的灵活性,解决时应掌握和遵循一些基本的原则,即“安全性”“精确性”“方便性”原则,兼顾“误差小”“仪器少”“耗电少”等各方面因素综合考虑,灵活运用.

1.实验仪器的选择

(1)根据不使电表受损和尽量减少误差的原则选择电表.

首先保证流过电流表的电流和加在电压表上的电压均不超过使用量程,然后合理选择量程,务必使指针有较大偏转(一般取满偏度的左右),以减少测读误差.(2)根据电路中可能出现的电流或电压范围需选择滑动变阻器,注意流过滑动变阻器的电流不超过它的额定值,对大阻值的变阻器,如果是滑动头稍有移动,使电流、电压有很大变化的,不宜采用.(3)应根据实验的基本要求来选择仪器,对于这种情况,只有熟悉实验原理,才能作出恰当的选择.总之,最优选择的原则是:①方法误差尽可能小.②间接测定值尽可能有较多的有效数字位数,直接测定值的测量使误差尽可能小,且不超过仪表的量程.③实现较大范围的灵敏调节.④在大功率装置(电路)中尽可能节省能量;在小功率电路里,在不超过用电器额定值的前提下,适当提高电流、电压值,以提高测试的准确度.

试题详情

课本上讲解了用伏安法、欧姆表测电阻,除此以外,还有半偏法测电阻、电桥法测电阻、等效法测电阻等等.

试题详情

6.(★★★★★)用伏安法测量一个定值电阻的器材规格如下:待测电阻Rx(约100 Ω);直流电流表(量程0~10 mA、内阻50 Ω);直流电压表(量程0~3 V、内阻5 kΩ);直流电源(输出电压4 V、内阻不计);滑动变阻器(0~15 Ω、允许最大电流1 A);开关1个,导线若干.根据器材的规格和实验要求画出实验电路图.

试题详情

5.(★★★★★)如图12-7所示,电源电动势E=12 V,内阻r=    0.5 Ω,R1=2 Ω,R2=3 Ω,滑动变阻器的总电阻R0=5 Ω,试分析:在滑动片Ka端移至b端的过程中,电流表A的示数如何变化?

试题详情

4.(★★★★)将量程为100μA的电流表改装成量程为1 mA的电流表,并用一标准电流表与改装后的电流表串联,对它进行校准.校准时要求通过电流表的电流能从零连续调到1 mA,试按实验要求画出电路图.

试题详情

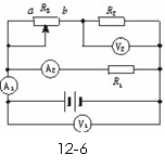
3.(★★★★)如图12-6所示电路中,电源电动势为E,内电阻为r,R1R2为定值电阻,R3为可变电阻,当R3的滑动头Pab端滑动过程中,电压表V1V2和电流表A1A2的读数如何变化?

试题详情

2.(★★★★)如图12-5所示,当变阻器R2的触头P向右滑动时,有

A.电容器C内电场强度增大 

B.电压表示数增大

C.R1上消耗的功率增大

D.电源输出的功率一定增大

试题详情


同步练习册答案