0  399597  399605  399611  399615  399621  399623  399627  399633  399635  399641  399647  399651  399653  399657  399663  399665  399671  399675  399677  399681  399683  399687  399689  399691  399692  399693  399695  399696  399697  399699  399701  399705  399707  399711  399713  399717  399723  399725  399731  399735  399737  399741  399747  399753  399755  399761  399765  399767  399773  399777  399783  399791  447090 

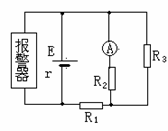
2.如图是火警报警器电路的示意图,其中R3为用半导体热敏材料制成的传感器,这种半导体热敏材料的电阻率随温度的升高而增大,值班室的显示器为电路中的电流表,电源两极之间接一报警器,当传感器R3所在处出现火情时,显示器的电流I,报警器两端的电压U的变化情况(    )

A.I变大,U变小   B.I变小,U变大

C.I变小,U变小   D.I变大,U变大

试题详情

1.(08淮阴月考)如图所示是由基本逻辑电路构成的一个公路路灯自动控制电路,图中虚线框内M是一只感应元件,虚线框N中使用的是门电路。则(    )

A.M为光敏电阻,N为与门电路

B.M为光敏电阻,N为非门电路

C.M为热敏电阻,N为非门电路

D.M为热敏电阻,N为或门电路

试题详情

3.实验器材:(略) 4.实验步骤:(略)

知识点一门电路的选择

按不同要求,应用相应的传感器和门电路。

[应用1]大多楼道灯具有这样的功能:天黑时,出现声音它就开启,而在白天,即使有声音它也没有反应。

(1)控制电路中接入了哪几种传感器?

(2)这几种传感器来的信号,应通过哪几种门电路后,再进入执行电路?

导示: (1)接入了两种传感器:光传感器(通常用的是光敏电阻);声传感器(通常用的是微型驻极体话筒)。

(2)因为点亮楼道灯需要同时具备两个条件,即足够暗的光照和足够大的声音,所以要使用与门。 知识点二斯密特触发器

   斯密特触发器是非门电路,它的应用较广泛。

[应用2]可以用型号为74LS14的非门集成电路,发光二极管LED和限流电阻R=330Ω来组成一个逻辑电平检测器,电路如图所示。图中的S为斯密特触发器,斯密特触发器是具有特殊功能的非门。

使用时,将检测器的输入端A接到被测点。请分析:当被测点为高电平时,LED是否发光?低电平时呢?说出道理。

导示:当被测点为高电平时,斯密特触发器输入端A为高电平,则输出端Y为低电平,故LED发光;当被测点为低电平时,A即为低电平,则输出端Y为高电平,LED不发光。

[应用3]温度报警器电路如图所示,请说明其工作原理。

导示:常温下,调整R1的阻值使斯密特触发器的输入端A处于低电平,则输出端Y处于高电平,无电流通过蜂鸣器,蜂鸣器不发声;当温度高时,热敏电阻RT阻值减小,斯密特触发器输入端A电势升高,当达到某一值(高电平),其输出端由高电平跳到低电平,蜂鸣器通电,从而发出报警声,R1的阻值不同,则报警温度不同。

要使热敏电阻在感测到更高的温度时才报警,应减小R1的阻值,R1阻值越小,要使斯密特触发器输入端达到高电平,则热敏电阻阻值要求越小,即温度越高。

知识点三物理量的转化测量

   传感器是将非电学量转化为电学量,然后进行显示或进行自动控制,或进行放大处理。

[应用2]在探究课上,赵明和李青两位同学分别设计了如甲、乙两图所示的电子秤。所用器材相同,电源电动势为E,内阻不计。可变电阻长为L,电阻为R。弹簧导电,劲度系数为k,其电阻不计。连接甲图中的电压表的导线可自由伸缩。不测量时指针P均在a处(如图中虚线所示)。使电压表的示数与所称的重力对应便成为电子秤。(1)不称重时,甲、乙两图中的电压表示数分别是多大?(2)分别写出对应于甲、乙两种设计所称重力G与电压表的示数u以及E、k、L的关系式。(3)比较甲、乙两个电路,哪一个比较好?为什么?(4)设想两种设计的电子秤测重力时可能出现的问题(只要提出问题,不必解答)?

导示:从图上可以看出,随着重力的增加,弹簧就要缩短,带着指针下移,电路发生变化,电压表读数也相应变化,从电压表的读数就可以知道重力的大小。甲图的电压表是测量ap电阻之间的电压U1。U1:E=x1:L,G1=kx1。乙图的电压表是测量bp电阻之间的电压U2。U2:E=(L-x2):L,G2=kx2。所以各小题参考答案:(1)甲:0,乙:E。(2)甲:G=kL/E,乙:G=kL(E-U)/E。(3)甲好,重力与电压表示数成正比,表的刻度均匀。(4)重力太小读不出;重力太大超出量程。

自动控制、自动测量在生活中越来越普遍了。紧密联系生活是新课标的精神之一,也是亮点之一。本题巧妙地将电阻与长度的关系与弹簧弹力与长度的关系紧密联系在一起,从而设计出电子秤。这种联系的观点在创新过程中必不可少。

知识点二传感器特性示例

[应用3]家用电热灭蚊器中电热部分的主要部件是PTC元件,PTC元件是由酞酸钡等半导体材料制成的电阻器,其电阻率与温度的关系如图所示,由于这种特性,PTC元件具有发热、控温两重功能,对此以下说法中正确的是(   )

A.通电后其功率先增大后减小

B.通电后其功率先减小后增大C.当其产生的热量与散发的热量相等时,温度保持在t1t2的某一值不变

D.当其产生的热量与散发的热量相等时,温度保持在t1t2不变

导示:根据PTC元件的电阻率随温度变化的曲线,可知在常温下,它的电阻是相当小的,通入电流以后,随着温度的升高,其电阻率先变小后增大,那么它的功率先变大,后变小,温度保持在在t1t2的某一值不变,这时候电路处于稳定状态,如果温度再升高,电阻率变大,导致电流变小,温度就会降下来;如果温度降低,电阻率减小,导致电流变大,温度就会升上去,所以本题正确答案为A、C。

试题详情

2.实验原理:传感器是将它感受到的物理量(如光、热、力等)转换成便于测量的量(一般是电学量).热电传感器主要利用热敏电阻将热信号转变成电信号,光电传感器是利用光敏电阻将光信号转变成电信号.

   热敏电阻是由半导体材料制成的,常态时其阻值约为10 kΩ,其电阻率随温度的变化而迅速变化,温度升高时,其电阻率显著减小.

   光敏电阻也是由半导体材料制成的,其电阻率在光照射下显著减小.在没有光照射下其阻值可以达到几十MΩ,在一般室内照射下,电阻可以降到几kΩ.利用多用电表的欧姆挡测量不同温度下热敏电阻的阻值以及不同光照条件下光敏电阻的阻值,就可以了解热敏电阻随温度的变化规律以及光敏电阻随光照的变化规律.

试题详情

1.实验目的:初步了解传感器的应用.

试题详情

2.门电路的种类

(1)与门电路:当决定一件事情(果)的各个(两个)条件(因)全部具备.这一件事情就会发生,这种因果关系,我们称之为“与”逻辑关系。

如:安全恒温器。在 “ 与 ” 门的两个输入端分别接上一个水位传感器和水温传感器 , 只有当水充满水箱 , 水箱中的温度低于某一温度时 ," 与 " 门的输出端给电热水器开关输入一个导通信号 , 电热水器的加热开关才会接通电源 , 对水箱中的水进行加热。

 (2)或门电路:当决定一件事情(果)的各个条件(因)中,只要具备一个或者一个以上的条件.这一件事情就会发生。这种因果关系.我们称之为“或逻辑关系”。

如:一个并联电路中电灯在干路上,而不是在支路上,当任何一个支路上的开关接合的时候电路都会使得电灯亮(也就是当其中任何一个条件满足时,事情才会成立. 在日常生活中.或逻辑关系也是常见的,例如

有的摩托车采用遥控点火和手动点火两种方式起动就是采用的 “或”门电路。

(3)非门电路:输出状态和输入状态呈相反的逻辑关系,叫做“非”逻辑。

如:如图所示电路中,,开关A 闭合与灯L亮的关系就是非逻辑关系。因为开关A (条件)闭合.灯L(结果)就熄灭,开关A断开,灯L就亮。非门电路也称为反相器。斯密特触发器是具有特殊功能的非门。

试题详情

1.门电路的概念

在日常生活中.任一事物的发生、发展都遵循着一定的规律性,或者说存在着一定的因果关系。这种一定的规律性或因果关系就是逻辑。

在数字电子技术中尤其侧重双值逻辑问题,双值逻辑关系在日常生活中比比皆是,如真与假 有与无.是与非、好与坏、高与低、上与下等。与之相对应.在逻辑运算中.二进制运算总是取“0”与“1”两个值来反映这两种可能性。

一般用两个不同电位的脉冲来代表“0”和“1”。因而.人们就可以借助电路来完成这种逻辑运算 。能完成逻辑运算的电路叫逻辑电路。由于这种电路又像一扇“门”那样依一定的条件“开与关”. 门电路就像一扇门,当具备开门条件时,输出端就有一个信号输出;反之,门关闭,就有另一个信号输出。因而又称门电路,通常也叫开关电路。

试题详情

14.如图表示某种雌雄异株植物的雌性植株及繁殖后代的两种方式。请据图回答问题:

(1)甲图中B→C表示从植物茎尖取材进行组织培养,与长期进行无性生殖的植物相比,此繁殖方式的优越性是                       

(2)图E中[ ]将发育成新植物体的幼体。

(3)图E中⑦细胞内来源于植株A染色体所占的比例是  。如果⑦的基因型是AAaBbb,则精子和卵细胞的基因型分别是    

(4)如果此植物是黄瓜,发育成果皮的是[ ]  

(5)在图E的⑥中可以找到图乙(均为该生物处于不同时期的细胞)中的哪些细胞  [填字母],并且根据图F推测此植物以下结构中细胞核中的染色体数:卵细胞  、胚乳  、子房壁  

解析:(1)长期进行无性生殖的植物易出现病毒感染而导致品种退化,从茎尖取材进行组织培养可达到“脱毒”目的。(2)图E中⑥为胚,是未来植物的幼体。(3)图E中⑦为胚乳细胞,来自母本植株的染色体可占2/3,若⑦的基因型为AAaBbb,则精子的基因型为aB,卵细胞的基因型为Ab。(4)果皮来自子房壁。(5)图E中⑥可进行有丝分裂对应于图乙中的B、D。由图乙细胞中染色体数可推测卵细胞、胚乳、子房壁中所含染色体依次为2、6、4。

答案:(1)植株无病毒,繁殖快 (2)6 (3)2/3 aB Ab (4)10 子房壁 (5)BD 2 6 4

试题详情

13.Ⅰ.下图是青蛙生活史的示意图。

   

试分析回答:

(1)写出字母表示的含义:A表示  分裂;E表示  分裂;C表示  分裂。

(2)C表示  发育;D表示  发育;C+D表示  发育。

(3)B表示  作用;对保证同种生物亲子代间遗传物质稳定起重要作用的生理过程是  (填图中字母代号)。

Ⅱ.若用15N标记蛙受精卵核中的DNA分子,并用放射自显影技术对受精卵发育到囊胚的形成过程中的前数次分裂进行分析,每次卵裂结束时都对所有子细胞核中具有15N标记的DNA分子数和总DNA分子数进行统计,结果绘成如图所示曲线。

请回答:

(1)其中能正确表示含15N标记的DNA分子数占每次卵裂时产生的所有子细胞核中DNA分子总数的关系曲线是  

(2)若在一次卵裂后统计的结果是含15N标记的DNA分子占其当代子细胞中所有核中DNA分子数的1/4,则:

①此时蛙受精卵完成了第  次卵裂。

A.1       B.2      C.3        D.4

②此次卵裂后产生子细胞的数目和特征是  

A.2个,一样大小        B.4个,一样大小

C.8个,一样大小        D.8个,4个大4个小

解析:Ⅰ:图中A表示减数分裂、B表示受精作用、C表示胚胎发育,D表示胚后发育,过程C+D表示个体发育。

Ⅱ:亲代每个DNA分子复制n次后可产生2n个子代DNA分子,其中含模板链的DNA分子只有2个,故随复制次数增多含15N的DNA分子所占比例逐渐下降,若含15N的DNA占总DNA的1/4,则按一个DNA分子复制计算时表明子代DNA数共8个,此时细胞分裂次数应为3次,此次卵裂后产生的子细胞数目为8个,且上面4个较小下面4个较大。

答案:Ⅰ(1)减数 有丝 有丝 (2)胚胎 变态(或胚后) 个体 (3)受精 AB Ⅱ(1)A (2)①C ②D

试题详情


同步练习册答案