0  410356  410364  410370  410374  410380  410382  410386  410392  410394  410400  410406  410410  410412  410416  410422  410424  410430  410434  410436  410440  410442  410446  410448  410450  410451  410452  410454  410455  410456  410458  410460  410464  410466  410470  410472  410476  410482  410484  410490  410494  410496  410500  410506  410512  410514  410520  410524  410526  410532  410536  410542  410550  447090 

8.为了使电热器在单位时间内产生的热量增加一倍,下列措施中可行的是     (   )

A.并联一根阻值相等的电阻丝   B.串联一根阻值相等的电阻丝

C.使电热器两端的电压增加一倍  D.将电阻丝从中间剪成两段,然后将它们并联起来使用

试题详情

7、已知R1<R2,分别按图3所示的四种方法连接,并接入同一电路中,能获得最大电功率的是

                                       (   )

试题详情

6.有一电炉正常工作时的电功率为P,当把电炉丝用拉线机均匀拉长为原来的2倍时,再接入原来的电路中,电炉的功率为                            (   )

A.等于1/4P   B.等于2P  C.等于P /2  D.等于P

试题详情

5.现有AB两只灯泡分别标有“PZ110-100”、“PZ36-100”,能否将它们串联接在220V的电源上使用?(设I为接入后的总电电流;RARB分别为两灯泡的电阻,可视为不变)   (   )

A.能,因为110V+36V<220V

B.不能,因为UA=[220V/(RA+RB)] ×RA≈198V,A灯将被烧毁

C.不能,因为两灯都不能正常发光

D.能,因为I=(100W+100W)/220V,不超过任何一只灯泡允许通过的电流

试题详情

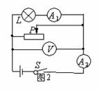
4.如图2所示,电源电压保持不变,闭合开关后,灯L能够发

光。当滑片P向右滑动过程中,下列判断正确的是       (   )

A.灯L变亮,电压表V的示数变大

B.灯L变暗,电压表V的示数变小

C.电流表A1的示数变大,电流表A2的示数变小

D.灯L亮度不变,电流表A2的示数变小

试题详情

3.如图1所示电路中,灯泡L上标有“6V,9W”字样,闭合开关

S后,灯泡正常发光,电压表V1的示数为U1,电压表V2的示数为U2

U1:U2=2:3,则下列说法中不正确的是             (   )

A.灯丝电阻是4Ω     B.电阻R消耗的功率是6W

C.电阻R的阻值是6Ω   D.电源电压是15V

试题详情

2.电风扇、白炽灯、电烙铁三个用电器上都标有“220V 60W”字样,正常工作时,相同的时间内产生的热量                                (   )

A.电风扇最多   B.白炽灯最多   C.电烙铁最多   D.三者一样多

试题详情

1.下列物体中,哪些是利用电流来做功的设备?               (   )

①电灯  ②吸尘器  ③电风扇  ④电池组  ⑤蓄电池  ⑥开关

A.①②③  B.①⑥⑦   C.②③④   D.④⑤⑥⑦

试题详情

2、下表记录的是一辆汽车分别在干燥和潮湿的公路上以不同速度行驶时,某司机的反应距离(司机发现问题到开始制动的时间内汽车行驶的距离)和制动距离(汽车从开始制动到完全停止行驶的距离)

速度/km·h-1
反应距离/m
制动距离/m
干燥
潮湿
干燥
潮湿
40
7
7
8
11
50
9
9
13
17
60
11
11
20
26
80
15
15
34
40
100
19
19
54
66

(1)    根据表中数据分析,影响汽车制动距离的最主要因素是_________________

(2)    汽车制动后还能继续前进一段距离,这是因为____________________

(3)    根据分析结果,写一句交通警示语(要求简明扼要)____________________________________________________

试题详情

1、小华在课外探究弹簧的长度跟外力的变化关系,利用如图甲所示实验装置记录了相应实验数据如下:

(1)    这项研究在实际中的应用是_________________

(2)    分析实验数据你可以得到的结论是__________________

(3)    小华作出了如图乙三个图象,其中正确的是_____________________

钩码质量/g
0
50
100
150
200
250
300
400
指针位置/cm
2
3
4
5
6
7
7.5
7.5

试题详情


同步练习册答案