0  411408  411416  411422  411426  411432  411434  411438  411444  411446  411452  411458  411462  411464  411468  411474  411476  411482  411486  411488  411492  411494  411498  411500  411502  411503  411504  411506  411507  411508  411510  411512  411516  411518  411522  411524  411528  411534  411536  411542  411546  411548  411552  411558  411564  411566  411572  411576  411578  411584  411588  411594  411602  447090 

2、分析电路结构,画等效电路图

试题详情

1、确定电源:首先判断产生电磁感应现象的那一部分导体(电源),其次利用求感应电动势的大小,利用右手定则或楞次定律判断电流方向。

试题详情

(二)电磁感应中的一个重要推论--安培力的冲量公式

感应电流通过直导线时,直导线在磁场中要受到安培力的作用,当导线与磁场垂直时,安培力的大小为F=BLI。在时间△t内安培力的冲量,式中q是通过导体截面的电量。利用该公式解答问题十分简便,下面举例说明这一点。

[例7]如图所示,在光滑的水平面上,有一垂直向下的匀强磁场分布在宽为L的区域内,有一个边长为a(a<L)的正方形闭合线圈以初速v0垂直磁场边界滑过磁场后速度变为v(v<v0)那么

A.完全进入磁场中时线圈的速度大于(v0+v)/2;

B.安全进入磁场中时线圈的速度等于(v0+v)/2;

C.完全进入磁场中时线圈的速度小于(v0+v)/2;

D.以上情况A、B均有可能,而C是不可能的

解析:设线圈完全进入磁场中时的速度为vx。线圈在穿过磁场的过程中所受合外力为安培力。对于线圈进入磁场的过程,据动量定理可得:

对于线圈穿出磁场的过程,据动量定理可得:

 

由上述二式可得,即B选项正确。

[例8]光滑U型金属框架宽为L,足够长,其上放一质量为m的金属棒ab,左端连接有一电容为C的电容器,现给棒一个初速v0,使棒始终垂直框架并沿框架运动,如图所示。求导体棒的最终速度。

解析:当金属棒ab做切割磁力线运动时,要产生感应电动势,这样,电容器C将被充电,ab棒中有充电电流存在,ab棒受到安培力的作用而减速,当ab棒以稳定速度v匀速运动时,有:

BLv=UC=q/C

而对导体棒ab利用动量定理可得:

-BLq=mv-mv0

由上述二式可求得:

试题详情

(一)电磁感应中的“双杆问题”

电磁感应中“双杆问题”是学科内部综合的问题,涉及到电磁感应、安培力、牛顿运动定律和动量定理、动量守恒定律及能量守恒定律等。要求学生综合上述知识,认识题目所给的物理情景,找出物理量之间的关系,因此是较难的一类问题,也是近几年高考考察的热点。

考题回顾

[例3]如图所示,两根平行的金属导轨,固定在同一水平面上,磁感应强度B=0.50T的匀强磁场与导轨所在平面垂直,导轨的电阻很小,可忽略不计。导轨间的距离l=0.20m。两根质量均为m=0.10kg的平行金属杆甲、乙可在导轨上无摩擦地滑动,滑动过程中与导轨保持垂直,每根金属杆的电阻为R=0.50Ω。在t=0时刻,两杆都处于静止状态。现有一与导轨平行、大小为0.20N的恒力F作用于金属杆甲上,使金属杆在导轨上滑动。经过t=5.0s,金属杆甲的加速度为a=1.37m/s2,问此时两金属杆的速度各为多少?

解析:设任一时刻t两金属杆甲、乙之间的距离为x,速度分别为v1v2,经过很短的时间△t,杆甲移动距离v1t,杆乙移动距离v2t,回路面积改变

由法拉第电磁感应定律,回路中的感应电动势

回路中的电流

杆甲的运动方程

由于作用于杆甲和杆乙的安培力总是大小相等,方向相反,所以两杆的动量时为0)等于外力F的冲量

联立以上各式解得 

代入数据得

点评:题中感应电动势的计算也可以直接利用导体切割磁感线时产生的感应电动势公式和右手定则求解:设甲、乙速度分别为v1v2,两杆切割磁感线产生的感应电动势分别为

E1Blv1 E2Blv2 

由右手定则知两电动势方向相反,故总电动势为EE2E1Bl(v2v1)。

分析甲、乙两杆的运动,还可以求出甲、乙两杆的最大速度差:开始时,金属杆甲在恒力F作用下做加速运动,回路中产生感应电流,金属杆乙在安培力作用下也将做加速运动,但此时甲的加速度肯定大于乙的加速度,因此甲、乙的速度差将增大。根据法拉第电磁感应定律,感应电流将增大,同时甲、乙两杆所受安培力增大,导致乙的加速度增大,甲的加速度减小。但只要a>a,甲、乙的速度差就会继续增大,所以当甲、乙两杆的加速度相等时,速度差最大。此后,甲、乙两杆做加速度相等的匀加速直线运动。

设金属杆甲、乙的共同加速度为a,回路中感应电流最大值Im.对系统和乙杆分别应用牛顿第二定律有:F=2maBLIm=ma.

由闭合电路敬欧姆定律有E=2ImR,而

由以上各式可解得

[例4]图中a1b1c1d1a2b2c2d2为在同一竖直平面内的金属导轨,处在磁感应强度为B的匀强磁场中,磁场方向垂直于导轨所在平面(纸面)向里。导轨的a1b1段与a2b2段是竖直的,距离为l1c1d1段与c2d2段也是竖直的,距离为l2x1  y1x2  y2为两根用不可伸长的绝缘轻线相连的金属细杆,质量分别为和m1m2,它们都垂直于导轨并与导轨保持光滑接触。两杆与导轨构成的回路的总电阻为RF为作用于金属杆x1y1上的竖直向上的恒力。已知两杆运动到图示位置时,已匀速向上运动,求此时作用于两杆的重力的功率的大小和回路电阻上的热功率。

解析:设杆向上的速度为v,因杆的运动,两杆与导轨构成的回路的面积减少,从而磁通量也减少。由法拉第电磁感应定律,回路中的感应电动势的大小    ①

回路中的电流           ②

电流沿顺时针方向。两金属杆都要受到安培力作用,作用于杆x1y1的安培力为

       ③

方向向上,作用于杆x2y2的安培力为           ④

方向向下,当杆作匀速运动时,根据牛顿第二定律有  ⑤

解以上各式得             ⑥

        ⑦

作用于两杆的重力的功率的大小         ⑧

电阻上的热功率                  ⑨

由⑥⑦⑧⑨式,可得

    ⑩

        ⑾

下面对“双杆”类问题进行分类例析

1、“双杆”向相反方向做匀速运动

当两杆分别向相反方向运动时,相当于两个电池正向串联。

[例5]两根相距d=0.20m的平行金属长导轨固定在同一水平面内,并处于竖直方向的匀强磁场中,磁场的磁感应强度B=0.2T,导轨上面横放着两条金属细杆,构成矩形回路,每条金属细杆的电阻为r=0.25Ω,回路中其余部分的电阻可不计.已知两金属细杆在平行于导轨的拉力的作用下沿导轨朝相反方向匀速平移,速度大小都是v=5.0m/s,如图所示.不计导轨上的摩擦.

(1)求作用于每条金属细杆的拉力的大小.

(2)求两金属细杆在间距增加0.40m的滑动过程中共产生的热量.

解析:(1)当两金属杆都以速度v匀速滑动时,每条金属杆中产生的感应电动势分别为: E1=E2=Bdv

由闭合电路的欧姆定律,回路中的电流强度大小为:

因拉力与安培力平衡,作用于每根金属杆的拉力的大小为F1=F2=IBd

由以上各式并代入数据得N

(2)设两金属杆之间增加的距离为△L,则两金属杆共产生的热量为

代入数据得   Q=1.28×10-2J.

2.“双杆”同向运动,但一杆加速另一杆减速

当两杆分别沿相同方向运动时,相当于两个电池反向串联。

[例6]两根足够长的固定的平行金属导轨位于同一水平面内,两导轨间的距离为L。导轨上面横放着两根导体棒abcd,构成矩形回路,如图所示.两根导体棒的质量皆为m,电阻皆为R,回路中其余部分的电阻可不计.在整个导轨平面内都有竖直向上的匀强磁场,磁感应强度为B.设两导体棒均可沿导轨无摩擦地滑行.开始时,棒cd静止,棒ab有指向棒cd的初速度v0.若两导体棒在运动中始终不接触,求:

(1)在运动中产生的焦耳热最多是多少.

(2)当ab棒的速度变为初速度的3/4时,cd棒的加速度是多少?

解析:ab棒向cd棒运动时,两棒和导轨构成的回路面积变小,磁通量发生变化,于是产生感应电流.ab棒受到与运动方向相反的安培力作用作减速运动,cd棒则在安培力作用下作加速运动.在ab棒的速度大于cd棒的速度时,回路总有感应电流,ab棒继续减速,cd棒继续加速.两棒速度达到相同后,回路面积保持不变,磁通量不变化,不产生感应电流,两棒以相同的速度v作匀速运动.

(1)从初始至两棒达到速度相同的过程中,两棒总动量守恒,有        根据能量守恒,整个过程中产生的总热量 

(2)设ab棒的速度变为初速度的3/4时,cd棒的速度为v1,则由动量守恒可知:

          

此时回路中的感应电动势和感应电流分别为:

此时棒所受的安培力:     ,所以棒的加速度为               由以上各式,可得   

3. “双杆”中两杆都做同方向上的加速运动。

“双杆”中的一杆在外力作用下做加速运动,另一杆在安培力作用下做加速运动,最终两杆以同样加速度做匀加速直线运动。如[例3](2003年全国理综卷)

4.“双杆”在不等宽导轨上同向运动。

“双杆”在不等宽导轨上同向运动时,两杆所受的安培力不等大反向,所以不能利用动量守恒定律解题。如

试题详情

无论是使闭合回路的磁通量发生变化,还是使闭合回路的部分导体切割磁感线,都要消耗其它形式的能量,转化为回路中的电能。这个过程不仅体现了能量的转化,而且保持守恒,使我们进一步认识包含电和磁在内的能量的转化和守恒定律的普遍性。

分析问题时,应当牢牢抓住能量守恒这一基本规律,分析清楚有哪些力做功,就可知道有哪些形式的能量参与了相互转化,如有摩擦力做功,必然有内能出现;重力做功,就可能有机械能参与转化;安培力做负功就将其它形式能转化为电能,做正功将电能转化为其它形式的能;然后利用能量守恒列出方程求解。

[例2]如图所示,两根间距为l的光滑金属导轨(不计电阻),由一段圆弧部分与一段无限长的水平段部分组成。其水平段加有竖直向下方向的匀强磁场,其磁感应强度为B,导轨水平段上静止放置一金属棒cd,质量为2m。,电阻为2r。另一质量为m,电阻为r的金属棒ab,从圆弧段M处由静止释放下滑至N处进入水平段,圆弧段MN半径为R,所对圆心角为60°,求:

(1)ab棒在N处进入磁场区速度多大?此时棒中电流是多少?

(2)ab棒能达到的最大速度是多大?

(3)ab棒由静止到达最大速度过程中,系统所能释放的热量是多少?

解析:(1)ab棒由静止从M滑下到N的过程中,只有重力做功,机械能守恒,所以到N处速度可求,进而可求ab棒切割磁感线时产生的感应电动势和回路中的感应电流。

ab棒由M下滑到N过程中,机械能守恒,故有:

   解得

进入磁场区瞬间,回路中电流强度为 

 (2)设ab棒与cd棒所受安培力的大小为F,安培力作用时间为 tab 棒在安培力作用下做减速运动,cd棒在安培力作用下做加速运动,当两棒速度达到相同速度v′时,电路中电流为零,安培力为零,cd达到最大速度。

运用动量守恒定律得  

解得 

(3)系统释放热量应等于系统机械能减少量,故有

  解得

试题详情

这类问题覆盖面广,题型也多种多样;但解决这类问题的关键在于通过运动状态的分析来寻找过程中的临界状态,如速度、加速度取最大值或最小值的条件等,基本思路是:

[例1]如图所示,ABCD是两根足够长的固定平行金属导轨,两导轨间的距离为L,导轨平面与水平面的夹角为θ,在整个导轨平面内都有垂直于导轨平面斜向上方的匀强磁场,磁感应强度为B,在导轨的 AC端连接一个阻值为 R的电阻,一根质量为m、垂直于导轨放置的金属棒ab,从静止开始沿导轨下滑,求此过程中ab棒的最大速度。已知ab与导轨间的动摩擦因数为μ,导轨和金属棒的电阻都不计。

解析:ab沿导轨下滑过程中受四个力作用,即重力mg,支持力FN 、摩擦力Ff和安培力F,如图所示,ab由静止开始下滑后,将是(为增大符号),所以这是个变加速过程,当加速度减到a=0时,其速度即增到最大v=vm,此时必将处于平衡状态,以后将以vm匀速下滑

ab下滑时因切割磁感线,要产生感应电动势,根据电磁感应定律:   E=BLv   

闭合电路AC ba中将产生感应电流,根据闭合电路欧姆定律:   I=E/R    

据右手定则可判定感应电流方向为aAC ba,再据左手定则判断它受的安培力F方向如图示,其大小为:

F=BIL    ③

取平行和垂直导轨的两个方向对ab所受的力进行正交分解,应有:

   FN = mgcosθ    Ff= μmgcosθ

由①②③可得

ab为研究对象,根据牛顿第二定律应有:

mgsinθ μmgcosθ-=ma

ab做加速度减小的变加速运动,当a=0时速度达最大

因此,ab达到vm时应有:

mgsinθ μmgcosθ-=0  

由④式可解得

注意:(1)电磁感应中的动态分析,是处理电磁感应问题的关键,要学会从动态分析的过程中来选择是从动力学方面,还是从能量、动量方面来解决问题。

(2)在分析运动导体的受力时,常画出平面示意图和物体受力图。

试题详情

[例13]如图所示是生产中常用的一种延时继电器的示意图。铁芯上有两个线圈A和B。线圈A跟电源连接,线圈B的两端接在一起,构成一个闭合电路。在拉开开关S的时候,弹簧k并不能立即将衔铁D拉起,从而使触头C(连接工作电路)立即离开,过一段时间后触头C才能离开;延时继电器就是这样得名的。试说明这种继电器的工作原理。

解析:当拉开开关S时使线圈A中电流变小并消失时,铁芯中的磁通量发生了变化(减小),从而在线圈B中激起感应电流,根据楞次定律,感应电流的磁场要阻碍原磁场的减小,这样,就使铁芯中磁场减弱得慢些,因此弹簧K不能立即将衔铁拉起。

[例14]如图所示是家庭用的“漏电保护器“的关键部分的原理图,其中P是一个变压器铁芯,入户的两根电线”(火线和零线)采用双线绕法,绕在铁芯的一侧作为原线圈,然后再接入户内的用电器。Q是一个脱扣开关的控制部分(脱扣开关本身没有画出,它是串联在本图左边的火线和零线上,开关断开时,用户的供电被切断),Q接在铁芯另一侧副线圈的两端ab之间,当ab间没有电压时,Q使得脱扣开关闭合,当ab间有电压时,脱扣开关即断开,使用户断电。

(1)用户正常用电时,ab之间有没有电压?

(2)如果某人站在地面上,手误触火线而触电,脱扣开关是否会断开?为什么?

解析:(1) 用户正常用电时,ab之间没有电压,因为双线绕成的初级线圈两根导线中的电流总是大小相等而方向相反的,穿过铁芯的磁通量总为0,副线圈中不会有感应电动势产生。

(2)人站在地面上手误触火线,电流通过火线和人体而流向大地,不通过零线,这样变压器的铁芯中就会有磁通量的变化,从而次级产生感应电动势,脱扣开关就会断开。

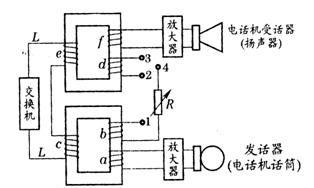
[例15]在有线电话网中,电话机是通过两条导线和电信局的交换机传送和接收电信号。如果不采取措施,发话者的音频信号必会传到自己的受话器中,使自己听到自己的讲话声音,这就是“侧音”。较大的侧音会影响接听对方的讲话,故必须减小或消除。如图所示是一电话机的消“侧音”电路与交换机的连接示意图。图中的两个变压器是完全相同的,abcdef六个线圈的匝数相同。打电话时,对着话筒发话,把放大后的音频电压加到变压器的线圈a,从线圈cb输出大小相等但随声频变化的电压,c两端的电压产生的电流IL通过线圈e和两导线L、电信局的交换机构成回路,再通过交换机传到对方电话机,对方就听到发话者的声音。同时由于线圈e中有电流通过,在线圈f中也会有电压输出,放大后在自己的电话机的受话器上发出自己的讲话声,这就是上面讲的“侧音”。为了消除这个侧音,可以把线圈b的电压加在线圈d上,并通过R调节d中的电流Id。那么为达到消侧音的目的,1应与(  )相接;4应与(   )相接,并使Id(   )IL(填“小于”、“大于”、或“等于”)。对方讲话时,音频电压通过交换机和两条导线L加到本机,那么通过R的电流为多少?

解析:发话时,假定某一时刻通过线圈a的电流是从上端流入,而且增大,则在线圈cb上感应的电压都是上正下负,e中形成的电流在变压器铁芯中产生的磁场的磁感线是逆时针方向的;1和3,2和4相接时,b的感应电压在d中形成的电流在铁芯中产生的磁感线是顺时针的,由于ed的匝数相同,只要调节R使ed中的电流强度相等,则ed产生的磁场就完全抵消,通过线圈f的磁通量始终为零,f中没有感应电动势,受话器中没有发话者的声音,从而消除侧音。对方发话时,从交换机传来的音频电压加到电话机上,假设某一时刻在线圈ec中形成的电流是从c的下端流入且增大,则b线圈的1端为负,d线圈的3端为负,感应电压值相同,在bdR回路中没有电流,d中不会产生磁场抵消e的磁场,f中有e产生的磁场的磁感线通过,磁通量会发生变化,产生感应电动势,放大后在受话器中发出对方的声音。

试题详情

6.解法指导:

(1)楞次定律中的因果关联

楞次定律所揭示的电磁感应过程中有两个最基本的因果联系,一是感应磁场与原磁场磁通量变化之间的阻碍与被阻碍的关系,二是感应电流与感应磁场间的产生和被产生的关系.抓住“阻碍”和“产生”这两个因果关联点是应用楞次定律解决物理问题的关键.

(2)运用楞次定律处理问题的思路

(a)判断感应电流方向类问题的思路

运用楞次定律判定感应电流方向的基本思路可归结为:“一原、二感、三电流”,即为:

①明确原磁场:弄清原磁场的方向及磁通量的变化情况.

②确定感应磁场:即根据楞次定律中的"阻碍"原则,结合原磁场磁通量变化情况,确定出感应电流产生的感应磁场的方向.

③判定电流方向:即根据感应磁场的方向,运用安培定则判断出感应电流方向.

(b)判断闭合电路(或电路中可动部分导体)相对运动类问题的分析策略

在电磁感应问题中,有一类综合性较强的分析判断类问题,主要讲的是磁场中的闭合电路在一定条件下产生了感应电流,而此电流又处于磁场中,受到安培力作用,从而使闭合电路或电路中可动部分的导体发生了运动.(如例2)对其运动趋势的分析判断可有两种思路方法:

①常规法:

据原磁场(B方向及ΔΦ情况)确定感应磁场(B方向)判断感应电流(I方向)导体受力及运动趋势.

②效果法

由楞次定律可知,感应电流的“效果”总是阻碍引起感应电流的“原因”,深刻理解“阻碍”的含义.据"阻碍"原则,可直接对运动趋势作出判断,更简捷、迅速.

[例1]一平面线圈用细杆悬于P点,开始时细杆处于水平位置,释放后让它在如图所示的匀强磁场中运动,已知线圈平面始终与纸面垂直,当线圈第一次通过位置Ⅰ和位置Ⅱ时,顺着磁场的方向看去,线圈中的感应电流的方向分别为

    位置Ⅰ             位置Ⅱ

(A)逆时针方向      逆时针方向

(B)逆时针方向      顺时针方向

(C)顺时针方向      顺时针方向

(D)顺时针方向      逆时针方向

命题意图:考查对楞次定律的理解应用能力及逻辑推理能力.

错解分析:由于空间想象能力所限,部分考生无法判定线圈经位置Ⅰ、Ⅱ时刻磁通量的变化趋势,从而无法依据楞次定律和右手螺旋定则推理出正确选项.

解题方法与技巧:线圈第一次经过位置Ⅰ时,穿过线圈的磁通量增加,由楞次定律,线圈中感应电流的磁场方向向左,根据安培定则,顺着磁场看去,感应电流的方向为逆时针方向.当线圈第一次通过位置Ⅱ时,穿过线圈的磁通量减小,可判断出感应电流为顺时针方向,故选项B正确.

[例2]如图所示,有两个同心导体圆环。内环中通有顺时针方向的电流,外环中原来无电流。当内环中电流逐渐增大时,外环中有无感应电流?方向如何?

解:由于磁感线是闭合曲线,内环内部向里的磁感线条数和内环外向外的所有磁感线条数相等,所以外环所围面积内(应该包括内环内的面积,而不只是环形区域的面积)的总磁通向里、增大,所以外环中感应电流磁场的方向为向外,由安培定则,外环中感应电流方向为逆时针。

[例3]如图,线圈A中接有如图所示电源,线圈B有一半面积处在线圈A中,两线圈平行但不接触,则当开关S闭和瞬间,线圈B中的感应电流的情况是:( )

A.无感应电流        B.有沿顺时针的感应电流

C.有沿逆时针的感应电流   D.无法确定

解:当开关S闭和瞬间,线圈A相当于环形电流,其内部磁感线方向向里,其外部磁感线方向向外。线圈B有一半面积处在线圈A中,则向里的磁场与向外的磁场同时增大。这时就要抓住主要部分。由于所有向里的磁感线都从A的内部穿过,所以A的内部向里的磁感线较密, A的外部向外的磁感线较稀。这样B一半的面积中磁感线是向里且较密,另一半面积中磁感线是向外且较稀。主要是以向里的磁感线为主,即当开关S闭和时,线圈B中的磁通量由零变为向里,故该瞬间磁通量增加,则产生的感应电流的磁场应向外,因此线圈B有沿逆时针的感应电流。答案为C

[例4] 如图所示,闭合导体环固定。条形磁铁S极向下以初速度v沿过导体环圆心的竖直线下落的过程中,导体环中的感应电流方向如何?

解:从“阻碍磁通量变化”来看,原磁场方向向上,先增后减,感应电流磁场方向先下后上,感应电流方向先顺时针后逆时针。

从“阻碍相对运动”来看,先排斥后吸引,把条形磁铁等效为螺线管,根据“同向电流互相吸引,反向电流互相排斥”,也有同样的结论。

[例5] 如图所示,O1O2是矩形导线框abcd的对称轴,其左方有匀强磁场。以下哪些情况下abcd中有感应电流产生?方向如何?

A.将abcd 向纸外平移     B.将abcd向右平移 

C.将abcdab为轴转动60°  D.将abcdcd为轴转动60°

解:A、C两种情况下穿过abcd的磁通量没有发生变化,无感应电流产生。B、D两种情况下原磁通向外,减少,感应电流磁场向外,感应电流方向为abcd

[例6]如图所示装置中,cd杆原来静止。当ab 杆做如下那些运动时,cd杆将向右移动?

A.向右匀速运动      B.向右加速运动

C.向左加速运动      D.向左减速运动

解:.ab 匀速运动时,ab中感应电流恒定,L1中磁通量不变,穿过L2的磁通量不变化,L2中无感应电流产生,cd保持静止,A不正确;ab向右加速运动时,L2中的磁通量向下,增大,通过cd的电流方向向下,cd向右移动,B正确;同理可得C不正确,D正确。选B、D

[例7] 如图所示,当磁铁绕O1O2轴匀速转动时,矩形导线框(不考虑重力)将如何运动?

解:本题分析方法很多,最简单的方法是:从“阻碍相对运动”的角度来看,导线框一定会跟着条形磁铁同方向转动起来。如果不计摩擦阻力,最终导线框将和磁铁转动速度相同;如果考虑摩擦阻力导线框的转速总比条形磁铁转速小些。

[例8] 如图所示,水平面上有两根平行导轨,上面放两根金属棒a、b。当条形磁铁如图向下移动时(不到达导轨平面),a、b将如何移动?

解:若按常规用“阻碍磁通量变化”判断,则要根据下端磁极的极性分别进行讨论,比较繁琐。而且在判定a、b所受磁场力时。应该以磁极对它们的磁场力为主,不能以ab间的磁场力为主(因为它们是受合磁场的作用)。如果主注意到:磁铁向下插,通过闭合回路的磁通量增大,由Φ=BS可知磁通量有增大的趋势,因此S的相应变化应该使磁通量有减小的趋势,所以ab将互相靠近。这样判定比较简便。

[例9] 如图所示,绝缘水平面上有两个离得很近的导体环a、b。将条形磁铁沿它们的正中向下移动(不到达该平面),a、b将如何移动?

解:根据Φ=BS,磁铁向下移动过程中,B增大,所以穿过每个环中的磁通量都有增大的趋势,由于S不可改变,为阻碍增大,导体环应该尽量远离磁铁,所以a、b将相互远离。

[例10]如图所示,在条形磁铁从图示位置绕O1O2轴转动90°的过程中,放在导轨右端附近的金属棒ab将如何移动?

解:无论条形磁铁的哪个极为N极,也无论是顺时针转动还是逆时针转动,在转动90°过程中,穿过闭合电路的磁通量总是增大的(条形磁铁内、外的磁感线条数相同但方向相反,在线框所围面积内的总磁通量和磁铁内部的磁感线方向相同且增大。而该位置闭合电路所围面积越大,总磁通量越小,所以为阻碍磁通量增大金属棒ab将向右移动。

[例11]如图所示,ab灯分别标有“36V 40W”和“36V 25W”,闭合电键调节R,能使ab都正常发光。断开电键后重做实验:电键闭合后看到的现象是什么?稳定后那只灯较亮?再断开电键,又将看到什么现象?

解:闭合瞬间,由于电感线圈对电流增大的阻碍作用,a将慢慢亮起来,b立即变亮。这时L的作用相当于一个大电阻;稳定后两灯都正常发光,a的功率大,较亮。这时L的作用相当于一只普通的电阻(就是该线圈的内阻);断开瞬间,由于电感线圈对电流减小的阻碍作用,通过a的电流将逐渐减小,a渐渐变暗到熄灭,而abRL组成同一个闭合回路,所以b灯也将逐渐变暗到熄灭,而且开始还会闪亮一下(因为原来有Ia>Ib),并且通过b的电流方向与原来的电流方向相反。这时L相当于一个电源。

[例12]如图所示,用丝线悬挂闭合金属环,悬于O点,虚线左边有匀强磁场,右边没有磁场。金属环的摆动会很快停下来。试解释这一现象。若整个空间都有向外的匀强磁场,会有这种现象吗?

解:只有左边有匀强磁场,金属环在穿越磁场边界时,由于磁通量发生变化,环内一定会有感应电流产生,根据楞次定律将会阻碍相对运动,所以摆动会很快停下来,这就是电磁阻尼现象。当然也可以用能量守恒来解释:既然有电流产生,就一定有一部分机械能向电能转化,最后电流通过导体转化为内能。若空间都有匀强磁场,穿过金属环的磁通量反而不变化了,因此不产生感应电流,因此也就不会阻碍相对运动,摆动就不会很快停下来。

试题详情

5.楞次定律的应用步骤

楞次定律的应用应该严格按以下四步进行:①确定原磁场方向;②判定原磁场如何变化(增大还是减小);③确定感应电流的磁场方向(增反减同);④根据安培定则判定感应电流的方向。

试题详情

4.右手定则。

试题详情


同步练习册答案