0  416080  416088  416094  416098  416104  416106  416110  416116  416118  416124  416130  416134  416136  416140  416146  416148  416154  416158  416160  416164  416166  416170  416172  416174  416175  416176  416178  416179  416180  416182  416184  416188  416190  416194  416196  416200  416206  416208  416214  416218  416220  416224  416230  416236  416238  416244  416248  416250  416256  416260  416266  416274  447090 

1、电功率,普遍使用;

试题详情

3、焦耳定律,普遍适用;电流做的功(对纯电阻电路或元件才取等号)

试题详情

2、欧姆定律:

(1)部分电路欧姆定律,对金属导电和电解液导电均适用,但对气体导电不适用;

(2)闭合电路欧姆定律(粗测电阻的欧姆表就是依据闭合电路欧姆定律制成的);

试题详情

恒定电流中的三个定律分别是:

1、电阻定律:,适用于金属导体或电解液导电;

试题详情

15.如图所示,处于匀强磁场中的两根足够长、电阻不计的平行金属导轨相距1m,导轨平面与水平面成θ=37o角,下端连接阻值为R的电阻,匀强磁场方向与导轨平面垂直,质量为0.2kg,电阻不计的金属棒放在两导轨上,棒与导轨垂直并保持良好接触,它们之间的动摩擦因数为0.25.

(1)求金属棒沿导轨由静止开始下滑时的加速度大小;

(2)当金属棒下滑速度达到稳定时,电阻R消耗的功率为8W,求该速度的大小;

(3)在上问中,若R=2Ω,金属棒中的电流方向由ab,求磁感应强度的大小与方向.

(g=10m/s2,sin37o=0.6,cos37o=0.8)

试题详情

14.如图所示,水平面上固定有平行导轨,磁感应强度为B的匀强磁场方向竖直向下。长度和导轨的宽均为Lab的质量为m ,电阻为rcd的质量为,电阻为2r。开始时abcd都垂直于导轨静止,不计摩擦。给ab一个向右的瞬时冲量I,在以后的运动中,求:cd的最大速度vm、最大加速度amcd产生的电热Q是多少?(不计导轨电阻)

试题详情

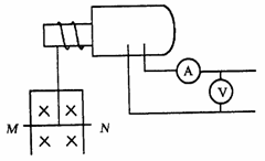
12.如图所示,电动机牵引的是一根原来静止的长L=1m,质量m=0.1kg的金属棒MN,棒电阻R=1Ω,MN架在处于磁感强度B=1T的水平匀强磁场中的竖直放置的固定框架上,磁场方向与框架平面垂直,当导体棒上升h=3.8m时获得稳定速度,其产生的焦耳热Q=2J,电动机牵引棒时,伏特表、安培表的读数分别为7V、1A,已知电动机的内阻r=1Ω,不计框架电阻及一切摩擦,g取10m/s2,求:

(1)金属棒所达到的稳定速度大小。

(2)金属棒从静止开始运动到达稳定速度所需的时间。

  13.光滑的平行金属导轨长L=200cm,导轨宽d=10cm,它们所在的平面与水平方向成θ=300,导轨上端接一电阻R=0.8Ω的电阻,其它电阻不计,导轨放在垂直斜面向上的匀强磁场中,磁感应强度B=0.4T,有一金属棒ab的质量m=500g,放在导轨最上端,如图,当ab棒从最上端由静止开始下滑,到滑离轨道时,电阻R上放出的热量Q=1J,g=10m/s2,求棒ab下滑过程中通过电阻R的最大电流?

试题详情

11.如图所示,质量M=100g的闭合铝框,用较长细线悬挂起来,静止铝框的中央距地面h=0.8m,今有一质量m=200g的磁铁以水平速度v0=10m/s射入并穿过铝框,落在距铝框原位置水平距离S=3.6m处。在磁铁穿过铝框后,求:

(1)铝框向哪边偏转?能上升多高?

(2)在磁铁穿过铝框的整个过程中,框中产生了多少电能?

试题详情

10.用水平力F将矩形线框abcd水平向左以速度v匀速拉

出磁场,开始时ab边和磁场边缘对齐,如图7-12所

示,设匀强磁场的磁感强度为B,方向垂直纸面向里,

试针对这一过程,用能量转化为守恒定律导出法拉第

电磁感应定律。

试题详情

9.如图所示,一个变压器原副线圈的匝数比为3∶1,

原线圈两端与平行导轨相接,今把原线圈的导轨

置于垂直纸面向里、磁感应强度为B=2T的匀强

磁场中,并在导轨上垂直放一根长为L=30cm的

导线ab,当导线以速度v=5m/s做切割磁感线的

匀速运动时(平动),副线圈cd两端的电压为

________V。

试题详情


同步练习册答案