0  419899  419907  419913  419917  419923  419925  419929  419935  419937  419943  419949  419953  419955  419959  419965  419967  419973  419977  419979  419983  419985  419989  419991  419993  419994  419995  419997  419998  419999  420001  420003  420007  420009  420013  420015  420019  420025  420027  420033  420037  420039  420043  420049  420055  420057  420063  420067  420069  420075  420079  420085  420093  447090 

(1)右图是测定电流表内电阻实验的电路图.电流表的内电阻约在100欧左右,满偏电流为500微安.用电池作电源.

1.(2分)实验室中配有的可变电阻为:

A.电阻箱,阻值范围为0-10欧.

B.电阻箱,阻值范围为0-9999欧.

C.电位器,阻值范围为0-200欧.

D.电位器,阻值范围为0-20千欧.

在上述配有的可变电阻中,电路图中的R应选用   ,R'应选用    .(填写字母代号)

试题详情

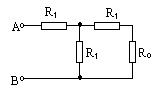
(1)如图所示电路中,R0是已知的,要使AB间的总电阻恰等于R0,则R1=    

(2)有一真空容器,在室温下容器内的气压为10-3帕.估算该容器内1厘米3气体中的分子数.估算取1位有效数字即可.                 答:   

1标准大气压=1×105帕.阿伏伽德罗常数N=6×1023-1

(3)一均匀木杆,每米重10牛,支点位于离木杆的左端点0.3米处.现将一重量为11牛的物体挂在木杆的左端点上.设在木杆的右端点施一大小为5.0牛的竖直向上的力,恰能使木杆平衡,则木杆的长度

L=     米.

(4)绳上有一简谐横波向右传播,当绳上某质点A向上运动到最大位移时,在其右方相距0.30米的质点B刚好向下运动到最大位移.已知波长大于0.15米,则该波的波长等于多少米?  答:   

(5)在厚度为d、折射率为n的大玻璃板的下表面,紧贴着一个半径为r的圆形发光面.为了从玻璃板的上方看不见圆形发光面,可在玻璃板的上表面贴一块纸片,所贴纸片的最小面积为    

试题详情

(1)下列核反应方程中,哪些是平衡的?

(2)在有关布朗运动的说法中,正确的是:

A.液体的温度越低,布朗运动越显著.

B.液体的温度越高,布朗运动越显著.

C.悬浮微粒越小,布朗运动越显著.

D.悬浮微粒越大,布朗运动越显著.

(3)下列哪些现象说明光具有波动性?

A.光的干涉.    B.光的衍射.

C.光的反射.    D.光电效应.

(4)图表示的是透镜成像实验的装置.

A.如透镜是凸透镜,则不论物体放在透镜左方何处,只要把光屏移到适当位置,一定能在屏上得到物体的像.

B.如透镜是凸透镜,则不论物体放在透镜左方何处,去掉光屏而用眼睛从右向左沿主轴直接观察,一定看不到物体的像.

C.如透镜是凹透镜,则不论物体放在透镜左方何处,只要把光屏移到适当位置,一定能在屏上得到物体的像.

D.如透镜是凹透镜,则不论物体放在透镜左方何处,去掉光屏而用眼睛从右向左沿主轴直接观察,一定能看到物体的像.

(5)两块平行金属板带等量异号电荷,要使两板间的电压加倍,而板间的电场强度减半,采用的办法有

A.两板的电量加倍,而距离变为原来的4倍.

B.两板的电量加倍,而距离变为原来的2倍.

C.两板的电量减半,而距离变为原来的4倍.

D.两板的电量减半,而距离变为原来的2倍.

(6)如图所示,闭合矩形线圈abcd从静止开始竖直下落,穿过一个匀强磁场区域,此磁场区域竖直方向的长度远大于矩形线圈bc边的长度.不计空气阻力,则

A.从线圈dc边进入磁场到ab边穿出磁场的整个过程,线圈中始终有感生电流.

B.从线圈dc边进入磁场到ab边穿出磁场的整个过程中,有一个阶段线圈的加速度等于重力加速度.

C.dc边刚进入磁场时线圈内感生电流的方向,与dc边刚穿出磁场时感生电流的方向相反.

D.dc边刚进入磁场时线圈内感生电流的大小,与dc边刚穿出磁场时感生电流的大小一定相等.

(7)设空间存在竖直向下的匀强电场和垂直纸面向里的匀强磁场,如图所示.已知一离子在电场力和洛仑兹力的作用下,从静止开始自A点沿曲线ACB运动,到达B点时速度为零.C点是运动的最低点.忽略重力,以下说法中正确的是:

A.这离子必带正电荷.   B.A点和B点位于同一高度.

C.离子在C点时速度最大. D.离子到达B点后,将沿原曲线返回A点.

(8)一物体放在光滑水平面上,初速为零.先对物体施加一向东的恒力F,历时1秒钟;随即把此力改为向西,大小不变,历时1分钟;接着又把此力改为向东,大小不变,历时1秒钟;如此反复,只改变力的方向,共历时1分钟.在此1分钟内.

A.物体时而向东运动,时而向西运动,在1分钟末静止于初始位置之东.

B.物体时而向东运动,时而向西运动,在1分钟末静止于初始位置.

C.物体时而向东运动,时而向西运动,在1分钟末继续向东运动.

D.物体一直向东运动,从不向西运动,在1分钟末静止于初始位置之东.

试题详情

(2)一个人站在阳台上,以相同的速度v0分别把三个球竖直向上抛出、竖直向下抛出、水平抛出,不计空气阻力,则三球落地时的速率,

A.上抛球最大.    B.下抛球最大.

C.平抛球最大.    D.三球一样大.

(3)两物体A和B,质量分别为m1和m2,互相接触放在光滑水平面上,如图所示.对物体A施以水平的推力F,则物体A对物体B的作用力等于

           

(4)单色光从真空射入玻璃时,它的

A.波长变长,波速变小.    B.波长变短,波速变大.

C.波长变长,波速变大.    D.波长变短,波速变小.

(5)原子的核式结构学说,是卢瑟福根据以下哪个实验或现象提出来的?

A.光电效应实验.      B.氢原子光谱实验.

C.α粒子散射实验.     D.天然放射现象.

(6)将一物体以某一初速竖直上抛,在下列四幅图中,哪一幅能正确表示物体在整个运动过程中的速率v与时间t的关系(不计空气阻力)?

(7)在水平放置的光滑绝缘杆ab上,挂有两个金属环M和N,两环套在一个通电密绕长螺线管的中部,如图所示.螺线管中部区域的管外磁场可以忽略.当变阻器的滑动接头向左移动时,两环将怎样运动?

A.两环一起向左移动.    B.两环一起向右移动.

C.两环互相靠近.      D.两环互相离开.

(8)把两根同种材料的电阻丝分别连在两个电路中.甲电阻丝长为l,直径为d;乙电阻丝长为2l,直径为2d.要使两电阻丝消耗的功率相等.加在两电阻丝上的电压比应满足

(9)要使LC振荡电路的周期增大一倍.可采用的办法是:

A.自感系数L和电容C都增大一倍.

B.自感系数L和电容C都减小一半.

C.自感系数L增大一倍,而电容C减小一半.

D.自感系数L减小一半,而电容C增大一倍.

(10)在粗糙水平面上有一个三角形木块abc,在它的两个粗糙斜面上分别放两个质量m1和m2的木块,m1>m2,如图所示.已知三角形木块和两物体都是静止的,则粗糙水平面对三角形木块

A.有摩擦力的作用,摩擦力的方向水平向右.

B.有摩擦力的作用,摩擦力的方向水平向左.

C.有摩擦力的作用,但摩擦力的方向不能确定,因为m1、m2、θ1、θ2的数值并未给出.

D.以上结论都不对.

(11)两个球形行星A和B各有一卫星a和b,卫星的圆轨道接近各自行星的表面.如果两行星质量之比MA/MB=p,两行星半径之比RA/RB=q,则两卫星周期之比Ta/Tb为

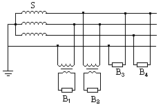
(12)图中S为三相交流电源.连在电路中的各电阻丝B1、B2、B3、B4的阻值都相同.变压器都是电压比为2∶1的降压变压器.这些电阻丝,按消耗功率大小的顺序排列(从大到小)应为

A.B1B2B3B4.   B.B4B3B2B1

C.B4B2B3B1.   D.B3B1B4B2

试题详情

当小车不固定时:设小球弹出时相对于地面的速度的大小为v′,车速的大小为V,由动量守恒可知

因为两次的总动能是相同的,所以有

设小球相对于小车的速度的大小为v″,则

v=v′+V.  (4)

由(1)(2)(3)(4)(5)式可解得

评分标准:本题8分.

列出(1)式给1分,列出(2)式给1分,列出(3)式给2分,列出(4)式给2分,列出(5)式给1分,得出(6)式给1分.

试题详情

用R1和R2分别表示A和B的电阻(设电阻不随温度改变),由题意可知

当A接到电源上时,因为它正好符合额定功率P1的要求,所以有

当换上B后,B上实际消耗的功率为

根据题意,要求

P2<2.0瓦.  (4)

由(1)(2)(3)(4)式,可解得(取合理值):

评分标准:本题8分.列出(1)式给1分,列出(2)式给1分,列出(3)式给2分,列出(4)式给2分.得出(5)式和(6)式的再各给1分.(如果考生最后给出的是开方后的四舍五入的数值,同样给分)

试题详情

(1)平衡摩擦力(4分).

(2)换用欧姆挡的量程时,要重新调整零旋钮(2分).万用表使用后不能把选择开关置于欧姆挡(2分).

(3)查明电流表指针的偏转方向与线圈B中电流方向的关系(4分).

试题详情

(6)D.  (7)A.  (8)B,D.   (9)C.  (10)A,B,C.

评分标准:全题40分,每小题4分.

(1)至(9)小题:每小题,答案全部选对的,给4分;未选全而无选错的,给2分;有选错的,给0分;未答的,给0分.

(10)小题:选对一个答案的给1分,选对两个答案的给2分,选对三个答案的,给4分;有选错的或未答的给0分.

试题详情

(3)油膜的前表面和后表面反射(2分).衍射(1分).

(4)μmg(3分).

(5)如右图(3分).画对一个波形的,只给1分.

(7)6600(3分).

(8)如图(3分).

试题详情

1987年答案

试题详情


同步练习册答案