0  422611  422619  422625  422629  422635  422637  422641  422647  422649  422655  422661  422665  422667  422671  422677  422679  422685  422689  422691  422695  422697  422701  422703  422705  422706  422707  422709  422710  422711  422713  422715  422719  422721  422725  422727  422731  422737  422739  422745  422749  422751  422755  422761  422767  422769  422775  422779  422781  422787  422791  422797  422805  447090 

9.AD  10.最终速度1m/s;闭合电键时速度最大,为8m/s。

试题详情

3.BD  4.B  5.A  6.无,A、C,B、D  7.B  8.左,右

试题详情

1.BD  2.Bdv/3R  自上向下

试题详情

12.水平放置的金属框架abcd,宽度为0.5m,匀强磁场与框架平面成30°角,如图所示,磁感应强度为0.5T,框架电阻不计,金属杆MN置于框架上可以无摩擦地滑动,MN的质量0.05kg,电阻0.2Ω,试求当MN的水平速度为多大时,它对框架的压力恰为零,此时水平拉力应为多大?

基础练习八答案:

试题详情

11.固定在匀强磁场中的正方形导线框abcd,各边长l,其中ab是一段电阻为R的均匀电阻丝,其余三边均为电阻可忽略的铜线。磁场的磁感应强度为B,方向垂直纸面向里,现有一与ab段所用材料、粗细、长度都相同的电阻丝RQ架在导线框上,如图所示,以恒定速度υ从ad滑向bc,当PQ滑过l的距离时,通时aP段电阻丝的电流是多大?方向如何?

试题详情

10.如图所示,竖直平行导轨间距l=20cm,导轨顶端接有一电键K。导体棒ab与导轨接触良好且无摩擦,ab的电阻R=0.4Ω,质量m=10g,导轨的电阻不计,整个装置处在与轨道平面垂直的匀强磁场中,磁感强度B=1T。当ab棒由静止释放0.8 s后,突然接通电键,不计空气阻力,设导轨足够长。求ab棒的最大速度和最终速度的大小(g取10m/s2)。

试题详情

9.如图所示电路中,L是自感系数足够大的线圈,它的电阻可忽略不计,D1和D2是两个完全相同的小灯泡。将电键K闭合,待灯泡亮度稳定后,再将电键K断开,则下列说法中正确的是

(A)K闭合瞬间,两灯同时亮,以后D1熄灭,D2变亮

(B)K闭合瞬间,D1先亮,D2后亮,最后两灯亮度一样

(C)K断开时,两灯都亮一下再慢慢熄灭

(D)K断开时,D2立即熄灭,D1亮一下再慢慢熄灭

试题详情

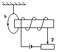
8.如图所示,一闭合线圈a悬吊在一个通电长螺线管的左侧,如果要使线圈中产生图示方向的感应电流,滑动变阻器的滑片P应向________滑动。要使线圈a保持不动,应给线圈施加一水平向________的外力。

试题详情

7.如图所示,AOC是光滑的直角金属导轨,AO沿竖直方向,OC沿水平方向,ab是一根金属直棒,如图立在导轨上,它从静止开始在重力作用下运动,运动过程中b端始终在OC上,a端始终在AO上,直到ab完全落在OC上。整个装置放在一匀强磁场中,磁场方向垂直纸面向里,则ab棒在运动过程中

(A)感应电流方向始终是b→a

(B)感应电流方向先是b→a ,后变为a→b

(C)受磁场力方向与ab垂直,如图中箭头所示方向

(D)受磁场力方向与ab垂直,开始如图中箭头所示方向,后来变为与箭头所示方向相反

试题详情

6.如图所示,线框ABCD可绕OO′轴转动,当D点向外转动时,线框中有无感应电流?________;A、B、C、D四点中电势最高的是________点,电势最低的是________点。

试题详情


同步练习册答案