0  422568  422576  422582  422586  422592  422594  422598  422604  422606  422612  422618  422622  422624  422628  422634  422636  422642  422646  422648  422652  422654  422658  422660  422662  422663  422664  422666  422667  422668  422670  422672  422676  422678  422682  422684  422688  422694  422696  422702  422706  422708  422712  422718  422724  422726  422732  422736  422738  422744  422748  422754  422762  447090 

5、画出等效电路图(能够解答的学生可以解答)

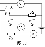
(09西城一模).如图22所示电路图中,电源两端电压保持不变。当开关S1、S2都断开,滑动变阻器的滑片P在某点C时,电压表V1、V2的示数之比为的示数为3∶4,定值电阻R2消耗的电功率为18W。当开关S1闭合、S2断开,滑动变阻器的滑片P移到某点A时,电压表V1、V2的示数之比为2∶3,R2两端电压为U2¢。当开关S1断开、S2闭合时,电压表V1、V2的示数之比仍为2∶3,R2两端电压为U2²。求:

U2¢∶U2²;

⑵当开关S1、S2都断开,滑动变阻器的滑片P在某点C时,滑动变阻器消耗的电功率PC

⑶当开关S1闭合、S2断开,滑动变阻器的滑片P移到某点A时,滑动变阻器消耗的电功率PA

 

(09崇文一模)如图25所示电路,电源两端电压保持不变。当开关S1闭合、S2断开,滑动变阻器的滑片P移到A端时,R3的电功率为P3,电流表的示数为I1;当开关S1断开、S2闭合时,R3的电功率为P3’,电流表的示数为I2。已知P3:P3= 9:25,

(1)求电流表的示数I1I2的比值。

(2)当开关S1S2都断开,滑动变阻器的滑片P在中间某位置C时,变阻器接入电路的电阻为Rc,电压表V1的示数为U1,电压表V2的示数为U2,已知U1:U2=3:2,Rc的电功率为10W,这时R3的电功率为P。通过闭合或断开开关及移动滑动变阻器的滑片,会形成不同的电路,电路消耗的最大功率与电路消耗的最小功率之比为3:1。求R3的电功率P

(08北京中考)在图20所示的电路中,电源两端的电压保持不变。只闭合开关S,当滑片P移至滑动变阻器R2中点时,电压表V1的示数为U1,电压表V2的示数为U2,电流表A的示数为I1,电阻R1消耗的电功率为P1。闭合S1﹑S1,当滑片P移至滑动变阻器R2的A点时,电压表V1的示数为U1′, 电压表V2的示数为U2′,电流表A的示数为I2,滑动变阻器R2 消耗的电功率P2为1.6W. 闭合S1﹑S1,当滑片P 移至滑动变阻器R2的B点时, 电阻R3消耗的电功率为P3.已知U1=3/2 U1′, U2=1/2 U2′,求:

(1)    电流I1 与I2的比值;

(2) 电功率P1的大小;

(3)电功率P3的大小。

试题详情

4、如图(甲)所示,通过电灯L1、L2、L3的电流分别为0.2A、0.3A和0.4A,则(1)在甲图中,L1、L2、L3    联的,电流表A1、A2、A3的示数分别为          ;           

(甲)     (乙)

(2)在乙图中,L1、L2、L3    联的,电流表A1、A2、A3的示数分别为         

试题详情

3、如图,如果使L1、L2串联,则应闭合开关    ,断开开关   ;如果使L1、L2并联,则应闭合开关    ,断开开关   ;若S1、S2都闭合,则出现   。      

试题详情

2、如图要使灯L1、L2并联并都能发光,就必须(   )(多选)

A、S1、S2都闭合,S3断开   B、S2、S3都闭合,S1

C、S3闭合,S1、S2断开    D、S1闭合, S2、 S3断开

试题详情

1、如图所示,当开关都闭合时,(   )

A、三灯并联,且都发光     B、三灯串联,且都发光

C、L2、L3被短路,只有L1发光 D、L1、L2被短路,只有L3发光

试题详情

3、  添加适当已知并用“甲乙丙…”标定不同等效电路

例1:(08宣武一模)如图25所示的电路实物连接示意图中,电源两端电压不变,灯电阻不变。滑动变阻器的最大阻值为R1。当滑动变阻器的滑片P在B端,只闭合S2时,电压表V1示数为U1,电流表示数为I1;滑片P在B端,开关都断开时,电压表V2示数为U2,只闭合S1时,灯泡正常发光,电流表的示数为I3

等效电路图如下:

例2:(09海淀一模)在如图23所示的电路中,电源两端的电压保持不变。当只闭合开关S和S1时,灯L1正常发光,电压表V1的示数U1与电压表V2的示数U2之比U1U2=2:3,电阻R3消耗的电功率P3=2W;当只闭合开关S和S2时,电压表V1的示数为U1′,且U1U1′=2:1,电阻R4消耗的电功率P4=2.5W。不计灯丝电阻随温度的变化,求:

(1)在上述变化中,电流表前、后两次示数之比;

(2)灯L1的额定电功率;

(3)当所有开关全部闭合时,电路消耗的总功率。

 

试题详情

2、  有电压表的或题目中交代某段两端电压情况的要在图中相应标明。必须准确判断电压表的测量对象,这往往是解答电学综合题的关键。电流已知用符号标在导线上。

试题详情

具体步骤:

1、  审题,当题意中叙述完一种电路连接情况,按照实际接入电路的电阻的连接情况画出等效电路图。特别需要注意开关的开、闭状态。(可以用节点法最后加以验证)

试题详情

(1)、具体方法:

①电流分析法:在识别电路时,电流:电源正极→各用电器→电源负极,若途中不分流用电器串联;若电流在某一处分流,每条支路只有一个用电器,这些用电器并联;若每条支路不只一个用电器,这时电路有串有并,叫混联电路。(如图)

 ②断开法:去掉任意一个用电器,若另一个用电器也不工作,则这两个用电器串联;若另一个用电器不受影响仍然工作则这两个用电器为并联。

③节点法:在识别电路时,不论导线有多长,只要其间没有用电器或电源,则导线的两端点都可看成同一点,从而找出各用电器的共同点。(详细讲解强力推荐)

当不同电阻两端符号均为a b时则表明电阻间并联,当发现某电阻两端符号一样时,如为a a或b b时则该电阻被局部短路。

 ④观察结构法:将用电器接线柱编号,电流流入端为“首”电流流出端为“尾”,观察各用电器,若“首→尾→首→尾”连接为串联;若“首、首”,“尾、尾”相连,为并联。

⑤经验法:对实际看不到连接的电路,如路灯、家庭电路,可根据他们的某些特征判

断连接情况。

(2)能确定电路是通路、开路,还是短路(有开关控制的局部短路是允许的如图2丙)。

(3)在有滑动变阻器和开关接入的电路情况,知道变阻器滑片的滑动和开关的启闭对电路的改变。

例 在如图1所示的电路中,R1是定值电阻,电源电压U保持不变,当滑动变阻器滑片向右移动时,电压表、电流表的示数如何变化?

(4)知道电流表、电压表测量的是哪一个导体或哪一段电路的电流或电压。

判断电流表测量的是哪一段电路中的电流,要看它与电路的哪个部分串联。

判断电压表所测量的是哪段电路两端的电压,要看它接到哪个电路元件的两端。

试题详情


同步练习册答案