题目列表(包括答案和解析)

 0  121823  121831  121837  121841  121847  121849  121853  121859  121861  121867  121873  121877  121879  121883  121889  121891  121897  121901  121903  121907  121909  121913  121915  121917  121918  121919  121921  121922  121923  121925  121927  121931  121933  121937  121939  121943  121949  121951  121957  121961  121963  121967  121973  121979  121981  121987  121991  121993  121999  122003  122009  122017  447348 

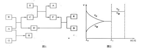
27.(15分)下列图1中B是一种常见的无色无味的液体。C是一种有磁性的化合物,E是一种无色无味的有毒气体。根据下列图1、图2,回答下列问题:

(1)写出C的化学式   ▲   

(2)E和N2是等电子体,请写出可能E的电子式   ▲   

(3)在101kPa和150℃时,可逆反应E(g)+ B(g)F(g) + D(g)反应速率和时间的关系如图2所示,那么在t1时速率发生改变的原因可能是(填选项字母)

   ▲   

A.升高温度   B.增大压强   C.加入催化剂

(4)若G是一种淡黄色固体单质,16 g G和足量的A反应放出的热量为Q kJ(Q > 0),写出这个反应的热化学方程式     ▲      。若G是一种气态单质,H的水溶液可以和有机物I反应使溶液呈紫色,请写出I的结构简式

   ▲    ;H的水溶液呈酸性,请用离子方程式表示呈酸性的原因

     ▲     

试题详情

26.(13分)常温下,将某一元酸HA和NaOH溶液等体积混合,两种溶液的浓度和混合后所得溶液的pH如下表:

实验
编号
HA物质的量
浓度(mol/L)
NaOH物质的量
浓度(mol/L)
混合溶液的pH

0.2
0.2
pH=a

c1
0.2
pH=7

0.2
0.1
pH>7

0.1
0.1
pH=9

请回答:

(1)不考虑其它组的实验结果,单从甲组情况分析,如何用a(混合溶液的pH)来说明HA是强酸还是弱酸    ▲     

(2)不考虑其它组的实验结果,单从乙组情况分析,c1   ▲   (填“一定”或“不一定”)等于0.2mol/L,混合溶液中离子浓度c(A-)与c(Na+)的大小关系是

   ▲   

     A.前者大   B.后者大   C.二者相等   D.无法判断

(3)从丙组实验结果分析,HA是   ▲   酸(填“强”或“弱”)。该混合溶液中离子浓度由大到小的顺序是   ▲   

(4)丁组实验所得混合溶液中由水电离出的c(OH-)=  ▲   mol/L,写出该混合溶液中下列算式的精确结果(不能做近似计算): c(Na+)-c(A-)=   ▲   mol/L。

试题详情

25.(16分)人们利用发电机把天然存在的各种形式的能量转化为电能,为了合理地利用这些能源,发电站要修建在靠近这些天然资源的地方.但用电的地方却分布很广,因此需要把电能输送到很远的地方.某电站输送电压U=5000V,输送功率P=500kW,安装在输电线路的起点和终点的电度表一昼夜读数相差4800kW·h.试求:

(1)该电路的输电效率和输电线的电阻.

(2)如果发电机输出电压为250V,用户需要电压为220V.要使输电损耗为5%,分别求升压和降压变压器的原、副线圈匝数之比.(计算时取)

试题详情

24.(20分)如图所示,把两根平行光滑金属导轨放在水平桌面上,桌子高H=0.8m,导轨距为L=0.2m,在导轨水平部分有磁感应强度B=0.1T、方向竖直向下的匀强磁场,弧形金属导轨的一端接有电阻R=1Ω,质量m=0.2kg金属杆由静止开始距桌面h=0.2m高处开始下滑,最后落到距桌面水平距离=0.4m处,

金属杆及导轨电阻不计(g=10m/s2)。试求:

(1)金属杆进入导轨水平部分瞬间产生的磁感应电流的大小和方向;

(2)金属杆滑出导轨瞬间感应电动势的大小;

(3)整个过程中电阻R放出的热量。

试题详情

23.(20分)如图所示,由导线制成的正方形框边长为L,每条边的电阻均为R,其中ab边材料较粗且电阻率较大,其质量为m,其余各边的质量均可忽略不计.线框可绕与cd边重合的水平轴oo’自由转动,不计空气阻力及摩擦.若线框从水平位置由静止释放,历时t到达竖直位置,此时ab边的速度为v.若线框始终处在方向竖直向下、磁感应强度为B的匀强磁场中,重力加速度为g.求:

(1)线框在竖直位置时,ab边两端的电压及所受的安培力大小.

(2)在这一过程中,通过线框横截面的电量.(3)这一过程中感应电动势的有效值.

试题详情

22.(16分)(1)如图可用来研究电磁感应现象及确定感应电流方向。

①在实物图中,用实线作为导线将实验仪器连成实验电路。

②将线圈L1插入L2中,合上开关稳定后。能使感应电流与原电流的绕行方向相同的实验操作是                    

A.插入软铁棒    B.拔出线圈L1

C.使变阻器接入电路的阻值变大   D.断开开关

(2)如图所示,两光滑的金属导轨M、N水平放置处在竖直向上的匀强磁场中,搁在导轨上的两金属杆ab和cd垂直于轨,当ab杆沿导轨向右运动时,通过cd杆的电流方向是  ▲  ,cd杆

将向  ▲  运动。

(3)一矩形线圈,面积是0.05m2,共100匝,线圈电阻为2Ω,外接电阻为R=8Ω,线圈在磁感应强度为B=T/Л的匀强磁场中以300r/min的转速绕垂直于磁感线的轴匀速转动,如图所示,若从中性面开始计时,则线圈中感应电动势的瞬时值表达式  ▲  V,线圈从开始计时经1/30s时,线圈中电流的瞬时值  ▲  A。

试题详情

21.如图所示,两条水平虚线之间有垂直于纸面向里、宽度为d、磁感应强度为B的匀强磁场.质量为m、电阻为R的正方形线圈边长为L(L<d),线圈下边缘到磁场上边界的距离为h.将线圈由静止释放,其下边缘刚进入磁场和刚穿出磁场时刻的速度都是v0,则在线圈下边缘进入磁场到下边缘穿出磁场过程中,下列说法中正确的是

A.线圈先减速后加速         

B.线圈先加速后减速

C.线圈的最小速度一定是mgR/B2 L2   

D.线圈的最小速度一定是

第II卷(非选择题,共174分)

   答第Ⅱ卷前,考生务必将自己的姓名、准考证号用钢笔或圆珠笔(蓝、黑色)写在答题卷密封线内相应的位置。答案写在答题卷上,不能答在试题卷上。

试题详情

20.在交流电电路中,如果电源电动势的最大值不变,频率可以改变,

   在如图电路的ab两点间逐次将图中的电路元件甲、乙、丙单独接入,当使交流电频率增加时,可以观察到下列哪种情况

A.A1读数不变,A2增大,A3减小

B.A1读数减小,A2不变,A3增大

C.A1读数增大,A2不变,A3减小

D.A1,A2 ,A3读数均不变

试题详情

19.如图表示一交流电电流随时间而变化,此交流电的有效值是:

试题详情

18.如图所示,光滑导轨倾斜放置,其下端连接一个灯泡,匀强磁场垂直于导线所在平面,当ab棒下滑到稳定状态时,小灯泡获得的功率为P0,除灯泡外,其它电阻不计,要使灯泡的功率变为2P0,下列措施正确的是           

A.换一个电阻为原来2倍的灯泡  

B.换一根质量为原来的倍的金属棒

C.把磁感强度B增为原来的2倍  

D.把导轨间的距离增大为原来的

试题详情


同步练习册答案