题目列表(包括答案和解析)

 0  123072  123080  123086  123090  123096  123098  123102  123108  123110  123116  123122  123126  123128  123132  123138  123140  123146  123150  123152  123156  123158  123162  123164  123166  123167  123168  123170  123171  123172  123174  123176  123180  123182  123186  123188  123192  123198  123200  123206  123210  123212  123216  123222  123228  123230  123236  123240  123242  123248  123252  123258  123266  447348 

23.(16分)长兴是我国最大的蓄电池基地之一,蓄电池是电动自行车的核心部件之一,近几年来电动自行车在长兴城乡十分普及,极大的方便了居民的出行。下表是一辆电动自行车的部分技术指标,其中额定车速是指电动车满载情况下在平直道路上以额定功率匀速行驶的速度。

额定
车速
车质量
载重
电源
电源输
出电压
充电
时间
额定输出
功率
电动机额定工作
电压和电流
18 km/h
40 kg
80 kg
36 V/12 AH
≥36 V
6-8 h
180 W
36 V/6A

请参考表中数据,完成下列问题(g取10 m/s2)。

(1)此车所配电动机的内阻是多少?

(2)在行驶过程中电动车受阻力是车重(包括载重)的K倍,试计算K的大小。

(3)若电动车满载时以额定功率行驶,当车速为3 m/s时,加速度为多大?

试题详情

22.(18分)(1)在做“用单摆测定重力加速度”的实验中,用主尺最小分度为1 mm,游标上有20个分度的卡尺测量金属球的直径,结果如图甲所示,可以读出此金属球的直径为   mm。单摆细绳的悬点与拉力传感器相连,将摆球拉开一小角度使单摆做简谐运动后,拉力传感器记录了拉力随时间变化的情况,如图乙所示,则该单摆的周期为  s。

(2)电流表的量程为200 μA、内阻约为500 Ω。现要测其内阻,除若干开关、导线之外还有器材如下:电流表,与规格相同;滑动变阻器R1,阻值0-20 Ω;电阻箱R2,阻值0-9999 Ω;保护电阻R3,阻值为3 kΩ;

①如图丙所示,某同学设计了部分测量电路,在此基础上请你将滑动变阻器接入电路中,使实验可以完成。

②电路完整后,依你所选方案写出测量电流表内阻的实验步骤。

试题详情

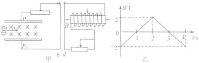
21.等离子气流由左方连续以v0射入P1P2两板间的匀强磁场中,ab直导线与P1P2相连接,线圈A与直导线cd连接.线圈A内有随图乙所示的变化磁场.且磁场B的正方向规定为向左,如图甲所示,则下列叙述正确的是

A.0-1 s内abcd导线互相排斥  B.1-2 s内abcd导线互相吸引

C.2-3 s内abcd导线互相吸引  D.3-4 s内abcd导线互相排斥

第Ⅱ卷(非选择题,共174分)

试题详情

20.如图所示,正方形ABCD处在匀强电场中,其中φAφB=0,φDUF点为CD的中点。让正方形以B点为轴在纸面内顺时针转过∠ABF,则此时F点的电势为

A.U  B.U

C.U  D.U

试题详情

19.唱卡拉OK用的话筒内有将声音信号转变为电信号的传感器,其中一种是动圈式的,右图是该传感器的构造原理图.它的工作原理是,在弹性膜的后面粘接一个轻小的金属线圈,线圈处于永久磁体的磁场之中,当声波使膜片前后振动时,就将声音信号转变为电信号。下列说法正确的是

A.该传感器是根据电流的磁效应工作的

B.该传感器是根据电磁感应原理工作的

C.膜片振动时,穿过金属线圈的磁通量保持不变

D.膜片振动时,金属线圈中产生的感应电动势保持不变

试题详情

18.在内表面,只反射而不吸收光圆筒内有一黑球,距球心为L处有一点光源S,球心O和光源S皆在圆筒的轴线上,已知筒的内半径为r,如图。若使点光源向右半边发出的光最后全被黑球吸收,则黑球的半径R的最小值为

A.R

B.Rr

C.RL

D.R

试题详情

17.如图所示,在倾角为30°的光滑斜面上放置质量为m和2m的四个木块,其中两个质量为m的木块间用一不可伸长的细线相连,木块间的最大静摩擦力是fm,现用平行斜面的力F拉其中一个质量为2m的木块,使四个木块沿斜面以同一加速度向下运动,则拉力F的最大值是

A.fm  B.fm  C.fm  D.fm

试题详情

16.在平静的水面上激起一列水波,使水面上漂浮的小树叶在3.0 s内全振动了6次。当某小树叶开始第6次振动时,沿水波传播的方向与该小树叶相距1.0 m、浮在水面上的另一小树叶刚好开始振动,则

A.此水波的周期为2.0 s

B.此水波的波长为 m

C.此水波的传播速度为0.40 m/s

D.若振动的频率变大,则同样条件下波传播到1.0 m远的另一小树叶处所用时间将变短

试题详情

15.如图所示,电动势为ε、内阻为r的电池与固定电阻R0、可变电阻R串联.设R≤2rR0r.当变阻器的滑动片目a端向b端滑动时,下列各物理量中随之增大的是

A.电池的输出功率

B.变阻器消耗的功率

C.固定电阻R0上消耗的功率

D.电池内阻上消耗的功率

试题详情

14.有关热现象,以下说法正确的是

A.液体很难被压缩,是因为液体分子间无空隙

B.物体的内能增加,一定有外力对物体做功

C.能量耗散是从能量转化的角度反映出自然中宏观过程具有方向性

D.任何热机的效率都不可能达到100%

试题详情


同步练习册答案