题目列表(包括答案和解析)

 0  134054  134062  134068  134072  134078  134080  134084  134090  134092  134098  134104  134108  134110  134114  134120  134122  134128  134132  134134  134138  134140  134144  134146  134148  134149  134150  134152  134153  134154  134156  134158  134162  134164  134168  134170  134174  134180  134182  134188  134192  134194  134198  134204  134210  134212  134218  134222  134224  134230  134234  134240  134248  447348 

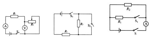
10.小明同学做电学实验,通过改变滑动变阻器R3

电阻的大小,依次记录的电压表和电流表的读数如下表所示.      第9题图

电压表读数U/V
0.60
0.70
0.80
0.90
1.00
1.10
电流表读数I/A
0.18
0.21
0.24
0.27
0.30
0.33

分析表格中实验数据,可推断小明实验时所用的电路可能是下列电路图中的         (  )

                   第10题图

试题详情

9.在如图所示的电路中,电源电压保持不变,闭合开关,滑动变阻器滑片向左移动,电流表的示数将                                         (  )

A.甲表示数变大,乙表示数变大

B.甲表示数不变,乙表示数变小

C.甲表示数不变,乙表示数变大

D.甲表示数变小,乙表示数不变;

试题详情

8.在如图所示的电路中,电源电压保持不变,R1=3R2;S闭合、S1断开时,电流表的示数为I1,S、S1都闭合时,电流表的示数为I2,则I1与I2之比是                    (  )

A.1:3         B.1:4        C.3:4       D.4:3

试题详情

7.在如图所示的电路中,电源两端的电压为6V并保持不变,R1、R2为两个相同阻值的电阻,开关S1闭合后,下列说法正确的是                             (  )

A.开关S2断开时,R1两端的电压为3V        B.开关S2断开时,R1两端的电压为6V

C.开关S2闭合时,R1两端的电压为3V        D.开关S2闭合时,R2两端的电压为6V

试题详情

6.一次实验中,郝奇同学连接了如图所示的电路,电源电压为6V且保持不变,电阻R1为8Ω,滑动变阻器R2的最大阻值为10Ω.他所选用的电压表量程为0-3V,电流表量程为0-0.6A.为了保证电路安全,实验中滑动变阻器接入电路的阻值范围是                   (  )

A.0-2Ω      B.0-8Ω      C.2Ω-8Ω     D.8Ω-10Ω

       第6题图           第7题图           第8题图

试题详情

5.甲、乙两小组同学用图甲所示电路进行了一些实验探究.

(1)甲小组选取的定值电阻为15Ω,电阻箱阻值如图乙所示,其值为      Ω,此时电压表的示数为3.5V,则该小组所用电源的电压为       V;实验中若增大电阻箱阻值,电路中的电流将      ,电压表示数将      .(选填变化情况)

第5题图

(2)乙小组选用其他规格的定值电阻进行实验,他们通过调节电阻箱,得到几组电阻箱的阻值和对应的电压值,并作出U-R图象.如图丙所示.由图象可知.电阻箱阻值为20Ω时,电压表的示数为       V,该组所选用定值电阻的阻值为      Ω.

试题详情

4.在如图所示的电路中,电源电压保持不变.闭合开关S后,当滑片P向左移动时,电流表示数将    (填“增大”、“减小”或“不变”).当滑片P在滑动变阻器的a、c两个端点位置时,电压表示数分别为0V和4V;则当滑片P在滑动变阻器最大阻值的一半位置b时,电压表示数    2V(填“大于”、“小于”或“等于”).

试题详情

3.在如图所示的电路中,AB两端的电压为U,开关S断开和闭合时,电流表的示数之比是1:4,则两电阻的阻值之比R1:R2     

              第3题图         第4题图

试题详情

2.有两个电阻R1=3Ω,R2=6Ω,若将R1、R2串联,它们两端的电压之比U1:U2      ;若将R1、R2并联,通过它们的电流之比I1:I2     

试题详情

1.将个20Ω的定值电阻R1与另一个定值电阻R2并联后,得到12Ω的等效电阻,则R2的电阻为      Ω.若再增加一个50Ω的电阻R3与R1和R2串联,则串联后的总电阻为      Ω.

试题详情


同步练习册答案