题目列表(包括答案和解析)

 0  162653  162661  162667  162671  162677  162679  162683  162689  162691  162697  162703  162707  162709  162713  162719  162721  162727  162731  162733  162737  162739  162743  162745  162747  162748  162749  162751  162752  162753  162755  162757  162761  162763  162767  162769  162773  162779  162781  162787  162791  162793  162797  162803  162809  162811  162817  162821  162823  162829  162833  162839  162847  447348 

18.一列简谐横波沿x轴正方向传播,某时刻(t=0)其波形如图所示,abcd是四个质元,振幅为A。下列说法中正确的是

  A.该时刻以后,质元a比质元b先到达平衡位置

  B.该时刻以后的周期内,质元a通过的路程为1m

  C.该时刻以后的周期内,质元b通过的路程比质元c通过的路程大

  D.该时刻以后的周期内,质元d通过的路程等于A   

试题详情

17.一列简谐波沿x轴正方向传播,t=0时波形如图所示.已知在0.6s末,A点恰第四次(图中为第一次)出现在波峰,则下列说法正确的是

A.波的周期是0.2s 

B.波传播到P点需要1.5s

C.P点开始振动时速度方向是向上的

D.P点在0.35s末第一次出现在波谷底部

试题详情

16.如图所示,理想变压器初、次级线圈分别接有完全相同的灯泡A、B,且初、次级线圈的匝数之比N1: N2=2:1,交流电源电压为U,则灯B两端的电压为

A.U/2     B.2U  

C.U/5     D.2U/5

试题详情

15.呈水平状态足够长的弹性绳,右端在竖直方向上做周期为0.4 s的简谐运动,设t=0时右端开始向上振动,则在t=0.5 s时刻绳上的波形可能是图的哪种情况

A.(A)  B.(B)  C.(C)   D.(D)

试题详情

14.如图有四个图像,下列说法正确的是

A.若甲表示位移,则丙表示速度 

B.若甲表示位移,刚乙表示加速度

C.若丁表示位移,则乙表示速度 

D.若乙表示速度,则丙表示位移

试题详情

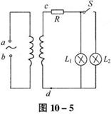
13.如图10-5所示,理想变压器原线圈a、b两端接正弦式电压,副线圈c、d两端通过输电线接两只相同的灯泡,输电线的等效电阻为R,在图示状态,开关S是闭合的,当开关S断开时,下列各量中减小的是

 A.副线圈c、d两端的输出电压

 B.通过灯泡的电流

 C.副线圈输电线等效电阻R上的电压

D.原线圈a、b两端的电压

试题详情

12.如图所示为加在电灯上的电压图象,即在正弦交流电的每二分之一周期中,前面四分之一周期被截去,那么现在电灯上的电压为

A.U0/2    B.U0/4   

C.U0/6    D.U0/8

试题详情

11.见右图,一理想变压器,原线圈的匝数为,两个副线圈的匝数分别为。变压器输入电压伏,电压表的读数分别为。变压器输入电流为,通过的电流分别为。变压器的输入功率为的电功率分别为。则下列式子正确的是

A.。  B.。 C.。  D.

试题详情

10.右图所示是用来测量各种发动机转速的转速计的原理图,在同一铁支架MN上焊有固有频率依次为80、60、40、20Hz的四个钢片a、b、c、d ,将M端与正在转动的电动机接触,发现 b 钢片振幅最大,则电动机的转速为

A、4800r/min       B、3600 r/min 

C、2400 r/min       D、1200r/min 

试题详情

9.一质点做简谐运动时,其振动图象如图。由图可知,在t1t2时刻,质点运动的

A.位移相同       B.回复力相同

C.速度相同       D.加速度相同

试题详情


同步练习册答案