题目列表(包括答案和解析)

 0  164557  164565  164571  164575  164581  164583  164587  164593  164595  164601  164607  164611  164613  164617  164623  164625  164631  164635  164637  164641  164643  164647  164649  164651  164652  164653  164655  164656  164657  164659  164661  164665  164667  164671  164673  164677  164683  164685  164691  164695  164697  164701  164707  164713  164715  164721  164725  164727  164733  164737  164743  164751  447348 

6. 关于麦克斯韦的电磁场理论,下面几种说法正确的是

   A.在电场的周围空间一定产生磁场

   B.任何变化的电场周围空间一定产生变化的磁场

   C.均匀变化的电场周围空间产生变化的磁场

   D.振荡电场在周围空间产生振荡磁场

试题详情

5.如图,线圈M和线圈N绕在同一铁芯上.M与电源、开关、滑动变阻器相连,P为滑动变阻器的滑动触头,开关S处于闭合状态,N与电阻R相连.下列说法正确的是

A.当P向右移动时,通过R的电流为ba

B.当P向右移动时,通过R的电流为ab

C.断开S的瞬间,通过R的电流为ba

D.断开S的瞬间,无电流通过R

试题详情

4. 如图所示,ab两束不同的单色光平行地从空气射入水中,发生折射,α>β,则下列论述正确的是

A.水对光束a的折射率较大

B.水对光束b的折射率较大

C.光束a的频率较大

D.若从水中射向空气,光束a的临界角比光束b的临界角小

试题详情

3. 图甲电路中,R=100Ω.在ab之间加上如图乙所示的正弦交流电.则

A.电流表的示数为3.1 A

B.该交流电压的有效值约为310 V

C.产生该交流电的发电机转速提高一倍,电流表的示数不变

D.将电阻换成200Ω,则电流表示数变为原来的一半

试题详情

2. 关于电磁场和电磁波,下列叙述中正确的是

A.电磁波既可以是横波,也可以是

   B.电磁波的传播需要介质

   C.电磁波从一种介质进入另一种介质,频率不变

   D.电磁波的传播过程中不传递能量

试题详情

1. 以下光源可作为相干光源的是

   A.两个相同亮度的烛焰       B.两个相同规格的灯泡

   C.双丝灯泡            D.出自一个光源用“分光法”得到的两束光

试题详情

18、(14分)如图所示,为置于水平面内的光滑闭合金属导轨,处分别接有短电阻丝(图中用   表示),(导轨其他部分电阻不计)。导轨的形状满足方程(单位:m)。磁感应强度B=0.2T的匀强磁场方向垂直于导轨平面向里。一足够长的金属棒在水平外力F作用下,以平行于y轴的速率恒定为m/s水平向右在导轨上从点滑动到点,棒与导轨接触良好且始终保持与导轨垂直,不计棒的电阻。求:

(1)外力F的最大值;

(2)金属棒在导轨上运动时电阻丝上消耗的最大功率;

(3)在滑动过程中通过金属棒的电流I与时间t的关系;

(4)求金属棒匀速滑过导轨过程中,外力所作的功。

2010年重庆一中高2011级半期考试

试题详情

17、(13分)一电阻为R的金属圆环,放在匀强磁场中,磁场与圆环所在平面垂直,如图(a)所示,已知通过圆环的磁通量随时间t的变化关系如图(b)所示,图中的最大磁通量Φ0和变化周期T都是已知量,求:

  (1)在t=0到t= T/4的时间内,通过金属圆环横截面的电荷量q

  (2)在t=0到t=2T的时间内,金属环所产生的电热Q

试题详情

16、(13分)有条河流,流量Q=2m3/s,落差5m,现利用其发电,若发电机总效率为50%,输出电压为240V,输电线总电阻R=30Ω,允许损失功率为输出功率的6%,为满足家庭用电的需求,如图所示输电线路使用的理想升压、降压变压器的匝数比各是多少?(g=10m/s2)

   

试题详情

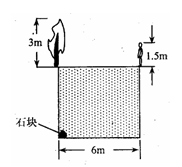
15、(12分)如图所示,一个小孩站在宽为6m的河岸边,

他的正对岸边有一树,树顶高出河面3m,树的正下方河底

有一石块,小孩向河面看去,同时看到树顶和石块的像,

而且石块像和树顶像重合,若小孩眼睛离河面高为1.5m,河   水的折射率为4/3,求河水有多深?

试题详情


同步练习册答案