题目列表(包括答案和解析)

 0  167257  167265  167271  167275  167281  167283  167287  167293  167295  167301  167307  167311  167313  167317  167323  167325  167331  167335  167337  167341  167343  167347  167349  167351  167352  167353  167355  167356  167357  167359  167361  167365  167367  167371  167373  167377  167383  167385  167391  167395  167397  167401  167407  167413  167415  167421  167425  167427  167433  167437  167443  167451  447348 

15、半径为R的玻璃半圆柱体,横截面如图所示,圆心为O。两条平行单色红光沿截面射向圆柱面,方向与底面垂直。光线1的入射点A为圆柱面的顶点,光线2的入射点为B,∠AOB=600。已知该玻璃对红光的折射率为n=

   (1)求两条光线经圆柱面和底面折射后的交点与O点的距离d是多大?

   (2)若入射的是单色蓝光,距离d将比上面求得的结果大还是小?

试题详情

14、如图所示,在水平圆盘上有一过圆心的光滑小槽,槽内有两根相同的橡皮绳拉住一质量为m的小球,其中O点为圆盘的中心,O/点为圆盘的边缘。橡皮绳的劲度系数为k,原长为圆盘的半径R的1/3。现使圆盘的角速度由零缓慢增大,求圆盘的角速度ω1=与ω2=时,小球所对应的线速度之比υ1 :υ2

     

试题详情

13、在一个点电荷Q的电场中,Ox坐标轴与它的一条电场线重合,坐标轴上AB两点的坐标分别为2.0m和5.0m。放在AB两点的试探电荷受到的电场力方向都跟x轴的正方向相同,电场力的大小跟试探电荷的电量关系图象如图中直线ab所示,放在A点的电荷带正电,放在B点的电荷带负电。求:

B点的电场强度的大小和方向。

⑵试判断电荷Q的电性,并说明理由。

⑶点电荷Q的位置坐标。

试题详情

11、用游标卡尺测量一物体的厚度,其主尺、游标尺对应位置如图:

   (1)若游标尺为10等分,物体厚度____________mm。

   (2)若游标尺为20等分,物体厚度____________mm。

   (3)若游标尺为50等分,物体厚度____________mm。

 12、发光二极管是目前很多电器的指示灯用的电子元件,在电路中的符号是    ,只有电流从标有“+”号的一端输入,从标有“-”号的一端流出时,它才可能发光,这时可将它视为一个纯电阻。某厂家提供的某种型号的发光二极管的伏安特性曲线如图。

⑴ 若该型号的发光二极管的正常工作电压为2.0V,现用电动势为12V,内阻可以忽略不计的直流电源供电,为使该二极管正常工作,需要在电源和二极管之间_____(填“串联”或“并联”)一只阻值为_____Ω的定值电阻。

⑵ 已知该型号的发光二极管允许通过的最大电流为56mA,试验证这种元件的伏安特性曲线与厂家提供的数据是否一致。可选用的器材有:

A.直流电源,电动势4.5V,内阻可忽略不计;

B.0-50Ω的滑动变阻器一只;

C.量程15V,内阻约50kΩ的电压表一只;

D.量程5V,内阻约20kΩ的电压表一只;

E.量程3mA,内阻约10Ω的电流表一只;

F.量程100mA,内阻约50Ω的电流表一只;

G.待测发光二极管一只;

H.导线、电键等。

为准确、方便地进行检测,电压表应该选用_____,电流表应该选用_____。(填字母符号)

⑶在方框中画出实验电路图。并用笔画线代替导线将实物连接成实验电路。

 

试题详情

10、如图所示,两个完全相同的物块A、B用轻弹簧相连,水平恒力F作用于A,使A和B以相同的加速度沿光滑水平面做匀加速直线运动,某时刻起撤去F,在以后的运动中,当弹簧自由时A与B的速度大小分别为υ1和υ2,当弹簧最短和最长时,A的加速度大小分别为a1和a2,则其间关系为(    )       

A.可能有υ1>υ2    B.可能有υ1<υ2

C.一定有a1=a2        D.一定有a1≠a2

试题详情

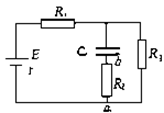
9、如图所示电路中,电源电动势E=6V,内阻r=1Ω,R1=4Ω,R2=2Ω,电容C=40μF,可变电阻器阻值由15Ω变为5Ω的过程中,下列说法中正确的是(   )

A.流过R2的电流方向由b到a

B.电容器放电                      

C.电容器的上极板一直带正电

D.电容器极板的带电量改变了6×10-5C   

试题详情

8、任何一个运动着的物体,小到电子、质子,大到行星、太阳,都有一种波与之对应,波长是λ=h/p,式中P是运动物体的动量,h是普朗克常量,人们把这种波叫做德布罗意波。现有一个德布罗意波波长为λ1的中子和一个德布罗意波波长为入:的氘核相向对撞后结合成一个氚核,该氚核的德布罗意波波长为

 

试题详情

7、从太阳或其他星体上放射出的宇宙射线中含有大量的高能带电粒子,这些高能粒子流到达地球会对地球上的生命带来危害,但是由于地球周围存在磁场,地磁场能改变宇宙射线中带电粒子的运动方向,对地球上的生命起到保护作用,如图所示。那么(   )

A.地磁场对宇宙射线的阻挡作用各处相同 

B.地磁场对垂直射向地球表面的宇宙射线的阻挡作用在南、北两极最强,赤道附近最弱

C.地磁场对垂直射向地球表面的宇宙射线的阻挡作用在南、  北两极最弱,赤道附近最强

D.地磁场会使沿地球赤道平面内射来的宇宙射线中的带电粒子向两极偏转

   

   第7题图             第9题图           第10题图

试题详情

6、如图所示是高频焊接原理示意图,线圈中通以高频交变电流,待焊接的金属工件中就会产生感应电流,由于焊接处有接触电阻,从而产生焦耳热,使温度升高,将金属熔化,焊接在一起,我国生产的自行车车架就是用这种方法焊接的,为了使焊接处单位时间内产生较大的焦耳热,可以采取的措施是:

A、提高交变电流的频率  B、增大焊接处的电阻

C、增大线圈的面积    D、适当增大线圈导线中的电流

试题详情

5、如图所示,圆O在匀强电场中,场强方向与圆O所在平面平行,带正电的微粒以相同的初动能沿着各个方向从A点进入圆形区域中,只在电场力作用下运动,从圆周上不同点离开圆形区域,其中从C点离开圆形区域的带电微粒的动能最大,图中O是圆心,AB是圆的直径,AC是与ABα角的弦,则匀强电场的方向为  

A.沿AB方向

B.沿AC方向

C.沿OC方向

D.沿BC方向

试题详情


同步练习册答案