题目列表(包括答案和解析)

 0  167485  167493  167499  167503  167509  167511  167515  167521  167523  167529  167535  167539  167541  167545  167551  167553  167559  167563  167565  167569  167571  167575  167577  167579  167580  167581  167583  167584  167585  167587  167589  167593  167595  167599  167601  167605  167611  167613  167619  167623  167625  167629  167635  167641  167643  167649  167653  167655  167661  167665  167671  167679  447348 

1.有两个共点力,F1=2N,F2=4N,它们的合力F的大小可能是:

   A.1N    B.5N    C.7N      D.9N

试题详情

10.(18分)一质量为1500 kg的行星探测器,从所探测的行星表面竖直升空,升空8 s末,发动机因故障而熄火,其v-t图象如图所示.从发射到落回地面的整个过程中探测器所受的阻力大小恒为1500 N,且不考虑探测器总质量的变化。求:

(1)(9分)探测器在OA、AB、BC三段上运动的加速度的大小和方向。

(2)(4分)探测器上升的最大高度。

(3)(5分)该行星表面的重力加速度。

试题详情

9.(18分)如图所示,电阻不计的平行金属导轨MN和OP水平放置,MO间接有阻值为R的电阻,导轨相距为d,其间有竖直向下的匀强磁场,磁感强度为B,质量为m,电阻为r的导体棒CD垂直于导轨放置,并接触良好,用平行于MN的恒力F向右拉动CD,CD受恒定的摩擦阻力f,已知F>f。

求:

(1)(6分)CD运动的最大速度是多少?

(2)(6分)当CD达到最大速度后,电阻R消耗的电功率是多少?

(3)(6分)当CD的速度是最大速度的时,CD的加速度是多少?

试题详情

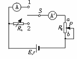
8.(16分)用替代法测电流表内电阻的电路图如图所示。

器材:待测电流表A量程0-10 mA、内阻RA约为30 Ω(待测);电流表A′量程50  mA;电阻箱R1 0-999.9 Ω;滑动变阻器R2 0-500 Ω;电源;E=3 V,r约1-2 Ω

(1)(4分)滑动变阻器滑片P在实验开始前应放在________端。将单刀双掷开关S先接“1”位置,调节滑动变阻器滑片P的位置,使待测表A至某位置(或满偏)记下电流表A′的示数I′。滑片P的位置不再移动。

(2)(4分)将开关S接“2”位置,调节电阻箱使___________。

(3)(8分)则待测安培表A的内电阻RA=___________。写出测量原理_____________。

试题详情

7.在匀强电场里有一个原来速度几乎为零的放射性碳14原子核,它所放射的粒子与反冲核经过相等的时间所形成的径迹如图所示(a、b均表示长度),那么碳14的衰变方程可能是:

试题详情

6.如图所示,一个静止的质量为m,带电量为q的带电粒子(不计重力),经电压U加速后垂直进入磁感应强度为B的匀强磁场中,粒子打至P点,设OP=x,能正确反映x与U之间函数关系的x-U图如图中的:

试题详情

5.在如图所示的电路中,电源的内电阻r不能忽略,其电动势E小于电容器C的耐压值。先闭合开关S,待电路稳定后,再断开开关S,则在电路再次达到稳定的过程中,下列说法中正确的是:

A.电阻R1两端的电压增大   B.电容器C两端的电压减小

C.电源两端的电压减小   D.电容器C上所带的电量增加

试题详情

4.如图所示,理想变压器原线圈通入交变电流i=ImsinωtA,副线圈接有一电流表与负载电阻串联,电流表的读数为0.10 A,在t=T时,原线圈中电流的瞬时值为0.03 A,由此可知该变压器的原、副线圈的匝数比为:A.10∶3  B.3∶10  C.10∶3     D.3∶10

试题详情

3.某同学身高1.8 m,在运动会上他参加跳高比赛,起跳后身体横着越过了1.8 m高的横杆,据此可估算出他起跳时竖直向上的速度大约为(取g=10 m/s2)

A.2 m/s   B.4 m/s   C.6 m/s    D.8 m/s

试题详情

2.如图所示C是水平地面,A、B是两个长方形物块,F是作用在物块B上沿水平方向的力,物体A和B以相同的速度做匀速直线运动,由此可知AB间动摩擦因数μ1和BC间的动摩擦因数μ2有可能是:

A.μ1=0,μ2=0

B.μ1=0,μ2≠0

C.μ1≠0,μ2=0

D.以上说法都不对

试题详情


同步练习册答案