题目列表(包括答案和解析)

 0  167600  167608  167614  167618  167624  167626  167630  167636  167638  167644  167650  167654  167656  167660  167666  167668  167674  167678  167680  167684  167686  167690  167692  167694  167695  167696  167698  167699  167700  167702  167704  167708  167710  167714  167716  167720  167726  167728  167734  167738  167740  167744  167750  167756  167758  167764  167768  167770  167776  167780  167786  167794  447348 

2.有两个高度相同、倾角不同的光滑斜面。将一个物体分别从两个斜面的顶端由静止释放滑至底端。则两次过程相比

A.物体滑至底端时的速度相同    B.重力做功的平均功率相同

C.物体增加的动能相同       D.物体下滑时的加速度相同

试题详情

1.在交通事故的分析中,刹车线的长度是很重要的依据。刹车线是汽车刹车后,停止转动的轮胎在地面上滑动时留下的痕迹。在某次交通事故中,汽车的刹车线长度是14m。假设汽车轮胎与地面间的动摩擦因数为0.7,g=10m/s2。则汽车开始刹车时的速度为

A.7m/s    B.10m/s    C.14m/s    D.20m/s 

试题详情

12 一个质量m=16g,长d=0.5m,宽L=0.1m,电阻R=0.1Ω的矩形线框从高处自由落下,经过5m高度,下边开始进入一个跟线框平面垂直的匀强磁场.已知磁场区域的高度h2=1.55m,线框进入磁场时恰好匀速下落.求:

(1)磁场的磁感应强度多大?

(2)线框下边将要出磁场时的速率;

(3)线框下边刚离开磁场时的速度大小和方向.

 

13 一线圈在匀强磁场中绕垂直于磁感线的轴以3000r/min匀速转动.当线圈平面与磁感线平行时,线圈感应电动势大小为20V.求此线圈从中性面位置开始旋转1/600s的时间内感应电动势的平均值?

14 如图所示,abcd是由粗裸铜导线连接两个定值电阻组成的闭合矩形导体

框,水平放置,金属棒ef与ab及cd边垂直,并接触良好,空间存在着匀强磁场,磁感应强度大小为B,方向竖直向下,已知电阻R1=2R,R3=3R,其它部分的电阻都可忽略不计,ab及cd边相距为L.给ef棒施加一个跟棒垂直的恒力F,求

(1)ef棒做匀速运动时的速度多大?

(2)当ef棒做匀速运动时,电阻R1消耗的电功率多大?

 

试题详情

8 如图所示,将条形磁铁插入闭合线圈,若第一次迅速插入线圈中用时间为0.2s,第二次缓慢插入线圈用时间为1s,则第一次和第二次插入时线圈中通过的电量之比是   ,线圈中产生的热量之比是    .

 

9 把一个放在均匀变化的磁场中的圆形线圈折开改绕后,仍放回原处,则  [  ]

(1)面积增大一倍,感应电流是原来的  

(2)半径增大一倍,感应电流是原来的  

(3)匝数增大一倍,感应电流是原来的  

10 如图在金属线框的开口处,接有一个10μF的电容器,线框置于一个方向与线框平面垂直的匀强磁场中,磁感应强度以5×10-3T/s的速率增加,如果已知线框面积为102m2,则电容器上板带   电,下板带   电,电容器带的电量为   C.

 

11 如图所示,有一弯成∠型的金属框架POQ,竖直放置的金属棒MN以v匀速在POQ上水平向右运动,已知α=30°,在POQ范围内有磁感应强度为B的匀强磁场.那么当MN从O点开始匀速运动过程中,感应电动势和时间的关系式是   .

 

试题详情

4.如图所示,两个相互连接的金属环,已知大环电阻是小环电阻的1/4;当通过大环的磁通量变化率为△φ/△t时,大环的路端电压为U.,当通过小环的磁通量的变化率为△φ/△t时,小环的路端电压为(两环磁通的变化不同时发生)          [  ]

 

  

5 如图所示,把线圈从匀强磁场中匀速拉出来,第一次以速率v拉出,第二次以2v的速率拉出.如果其它条件都相同.设前后两次外力大小之比F1:F2=K;产生的热量之比Q1:Q2=M;通过线框导线截面的电量之比q1:q2=N.则             [  ]

 

 A. K=2:1,M=2:1,N=1:1   B. K=1:2,M=1:2,N=1:2   C. K=1:1,M=1:2,N=1:1   D. 以上结论都不正确

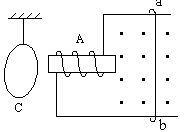
6 如图所示,要使金属环C向线圈A运动,导线AB在金属导轨上应     [  ]

 

 A.向右做减速运动 B.向左做减速运动   C.向右做加速运动 D.向左做加速运动

7 闭合金属圆环放在匀强磁场中,使圆环的一半在磁场外,另一半在磁场内,如图所示,若使圆环产生顺时针方向的感应电流,应该使圆环         [  ]

 

 A.以MN为轴,上半部向外,下半部向里转动   B.以MN为轴,上半部向里,下半部向外转动   C.以PQ为轴,左半部向外,右半部向里转动   D.以PQ为轴,左半部向里,右半部向外转动 

试题详情

3.如图,与直导线AB共面的轻质闭合金属圆环竖直放置,两者彼此绝缘,环心位于AB的上方.当AB中通有由A至B的电流且强度不断增大的过程中,关于圆环运动情况以下叙述正确的是[  ]

 

 A.向下平动   B.向上平动   C.转动:上半部向纸内,下半部向纸外   D.转动:下半部向纸内,上半部向纸外

试题详情

2.如图所示,一个闭合线圈放在匀强磁场中,线圈的轴线与磁场方向成30°角,磁感应强度B,随时间均匀变化,线圈导线电阻率不变,用下述哪个方法可使线圈上感应电流增加一倍 [  ]

 A.把线圈匝数增加一倍   B.把线圈面积增加一倍   C.把线圈的半径增加一倍   D.改变线圈轴线对于磁场的方向

试题详情

1.要使b线圈中产生图示I方向的电流,可采用的办法有       [  ]

 

 A.闭合K瞬间   B.K闭合后把R的滑动片向右移   C.闭合K后把b向a靠近   D.闭合K后把a中铁芯从左边抽出

试题详情

24.(14分)如图19甲所示,图的右侧MN为一竖直放置的荧光屏,O为它的中点,OO'与荧光屏垂直,且长度为l。在MN的左侧空间存在着方向水平向里的匀强电场,场强大小为E。乙图是从左边去看荧光屏得到的平面图,在荧光屏上以O为原点建立如图的直角    甲    乙

坐标系。一细束质量为m、电量为q的带电粒子    图19

以相同的初速度v0从O'点沿O'O方向射入电场区域。粒子的重力和粒子间的相互作用都可忽略不计。

(1)若再在MN左侧空间加一个匀强磁场,使得荧光屏上的亮点恰好位于原点O处,求这个磁场的磁感强度B的大小和方向。

(2)如果磁感强度B的大小保持不变,但把方向变为与电场方向相同,则荧光屏上的亮点位于图中A点处,已知A点的纵坐标y=l,求A点横坐标的数值。

试题详情

23.(14分)图18是静电分选器的原理示意图,将磷酸盐和石英的混合颗粒由传送带送至两个竖直的带电平行板上方,颗粒经漏斗从电场区域中央处开始下落。经分选后的颗粒分别装入A、B桶中。混合颗粒离开漏斗进入电场时磷酸盐颗粒带正电,石英颗粒带负电,所有颗粒所带的电量与质量之比均为10-5C/kg。若已知两板间的距离为10cm,颗粒在电场中下落的    图18

竖直高度为50cm。设颗粒进入电场时的初速度为零,颗粒间的相互作用力不计。如果要求两种颗粒离开两极板间的电场区域时不接触到极板而且有最大的偏转量。

(1)两极板间所加的电压应多大?

(2)若带电平行板的下端距A、B桶底的高度为H=1.0m,求颗粒落至桶底时速度的大小。

试题详情


同步练习册答案