题目列表(包括答案和解析)

 0  168679  168687  168693  168697  168703  168705  168709  168715  168717  168723  168729  168733  168735  168739  168745  168747  168753  168757  168759  168763  168765  168769  168771  168773  168774  168775  168777  168778  168779  168781  168783  168787  168789  168793  168795  168799  168805  168807  168813  168817  168819  168823  168829  168835  168837  168843  168847  168849  168855  168859  168865  168873  447348 

2.如图所示,物块A、B叠放在水平桌面上,装砂的小桶C通过细线牵引A、B一起在水平上向右加速运动。设A、B之间的摩擦力为f1,B与桌面间的摩擦力为f2。若增大C桶内砂的质量,而A、B仍一起向右运动,则摩擦力f1和f2的大小        (   )

    A.f1不变、f2变大  B.f1变大、f2不变  C.f1和f2都变大   D.f1和f2都不变

试题详情

1.物体作匀速圆周运动,下列说法中正确的是                            (   )

    A.运动过程中的线速度不变          B.运动过程中的加速度不变

    C.运动过程中的动量不变            D.运动过程中的动能不变

试题详情

1 3.(10分)如图所示,一固定在竖直平面内的光滑半圆形轨道ABC在C处与水平地面相切,轨道  半径R=0.5 m.在与C相距x=3 m的O点放一  小物体,物体与水平面问的动摩擦因数μ=0.4.  现给物体一水平向左的初速度v0,结果它沿OCBA 运动通过A点,最后落在水平地面上的D点(图中未画出),C、D问的距离s=l m,求物体的初速度秒v0的大小.(取重力加速度g=l 0m/s2)

l 4.(10分)我国“神舟六号”宇宙飞船的成功发射和回收,标志着

我国的航天技术已达到世界先进水平.如图所示,质量为m的飞船绕地球在圆轨道I上运行时,半径为r1,要进入半径为r2的更高圆轨道Ⅱ,必须先加速进入一个椭圆轨道Ⅲ,然后再进入圆轨道Ⅱ。已知飞船在圆轨道Ⅱ上运动的速度大小为v,在A点通过发动机向后喷出一定质量气体,使飞船速度增加到v’进入椭圆轨道Ⅲ。求飞船在轨道I上的速度和加速度大小.

15.(14分)质量为m=1.2kg的小滑块(可视为质点)放在质量为M=3.0kg的长木板的右端,木板上表面光滑,木板与地面之间的

动摩擦因数为μ=0.2,木板长L=1.0m.开始时两者都处于静止状态,现对木板施加水平向右的恒力F=l 2N,如图所示.为使小滑块不掉下木板,试求:(g取l0m/s2)

(1)用水平恒力F作用的最长时间;

(2)水平恒力F做功的最大值.

1 6.(1 6分)右图的下部是由电动势为E内阻不计的电源、定值电阻R0和可变电阻箱R组成的一个闭合电路.

  (1)若电源的额定电流为I0,则定值电阻风的阻值满足什

  么条件才能对电源起到保护作用?

  (2)如图中的上部所示,真空中有一固定于A点的电荷量Q

  (Q>0)的点电荷,另有一电子枪,可用同一加速电压加速

  静止粒子.现有两种带负电的粒子p1、p2,经该枪加速后从O点进入Q场区域,枪口射出方向垂直AO连线.AO=r0.试证明:若加速电压U满足一定的条件,粒子p1、p2进入Q场区域后都能做匀速圆周运动.(不考虑粒子的重力)

  (3)设(2)中的加速电压U是由a、b输出,c、d输入的,要保

证粒子p1、p2进入Q场区域后做匀速圆周运动,电阻箱R的阻值是多大?

试题详情

l 1.(8分)用右图所示的实验装置测量物体沿斜面匀加速

  下滑的加速度.打点计时器打出的纸带如下图所示.

  已知纸带上各相邻点的时间间隔为T,则可以得出打点

  计时器在打D点时小车的速度的表达式为          ,小车运动的加速度的表达式为               。

l 2.现在要测量一只额定电压为U=3 V的小灯泡L的额定功率P(约为0.3 W).实验室

  备有如下器材:

  电流表A1(量程20()mA,内阻r1=lΩ)

  电流表A2(量程300 mA,内阻大小不知)

  定值电阻R(10Ω)

  滑动变阻器Rl(0-100Ω,0.5 A)

  电源E(E=4.5 V,r≈l Ω)

  单刀开关一个、导线若干.

  (1)设计出实验电路(画在给定的方框中);

  (2)按(1)中设计的电路图把右图中的实验器材连接起来;

  (3)将主要的实验步骤填写完整:

   ①按设计的电路图连接好电路,开关S闭合前.滑动变阻器的滑J:{‘P移至阻值最大的位置;

   ②闭合开关S.移动滑片P,使                     

③计算出小灯泡的额定功率P.

④实验中计算灯泡额定功率的表达式为:         (必须用题中给定的

符号及你自己在(3)巾设定的记录符号来表示).

试题详情

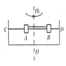
9.如图所示,两物块A、B套在水平粗糙的CD杆上,并用不可伸长的轻绳连接,整个装置能绕过CD中点的轴OO’转动.已知两物块质量相等,杆CD对物块A、B的最大静摩擦力大小相等,开始时绳子处于自然长度(绳子恰好伸直但无弹力),物块B到OO’轴的距离为物块A到OO’轴的距离的两倍.现让该装置从静止开始转动,使转速逐渐增大,

在从绳子处于自然长度到两物块A、B即将滑动的过程中,下列说法正确的是

A.A受到的静摩擦力不可能为零

B.B受到的静摩擦力先增大,后保持不变

C.A受到的静摩擦力先增大后减小

D.A受到的合外力一直在增大

1 0.如图所示,直线OO’为某电场中的一条电场线,电场方向由O指向O’,.一带电粒子沿该电场线由A点运动到B点的过程中,经时间t位移为s,在A,B两点的中间位置的

高三物理第一学期期末考试试题

物  理  试  题

第Ⅱ卷  (非选择题  共70分)

试题详情

8.先后用相同材料制成的橡皮条彼此平行的沿水平方向拉同一质量为m的物块,且每次橡皮条的伸长量均相同,物块m在橡皮条拉力的作用下所产生的加速度a与所用橡皮条的数目n的关系如图

所示.若更换物块所在水平面的材料,再重复这个实验,则图中直线与水平轴线间的夹角将

  A.变小     B.不变

  C.变大     D.与水平面的材料有关

试题详情

7.如图所示的电路中,灯泡A和灯泡B原来都是正常发光的,现在突然灯泡A比原来变暗了些,灯泡B比原来变亮了些,则电路中出现的故障可能是

A.R3断路   B.Rl短路

C.R2断路   D.R1、R2同时短路

试题详情

6.平行板电容器保持与直流电源两极连接,充电平衡后,两极板问的电压是U,极板带电量为Q,两极板间场强为E,电容为C现将两极板问距离减小,则引起的变化是

A.Q变大   B.C变大   C.E不变   D.U变小

试题详情

5.带电量为-q的点电荷与均匀带电薄板相距2d,点电荷到带电薄板的垂线通过板的几

  何中心。若图中a点处的电场强度为零,根据对称性,带电薄板在图中b点处产生的

  电场强度的大小和方向分别为

试题详情

4.设想“嫦娥号”登月飞船贴近月球表面做匀速圆周运动,测得其周期为T。飞船在月球上着陆后,自动机器人用测力计测得质量为m的仪器重力为P.已知引力常量为G,由以上数据可以求出的量有

  A.月球的半径

B.月球的质量

  C.月球表面的重力加速度

  D.月球绕地球做匀速圆周运动的向心加速度

试题详情


同步练习册答案