题目列表(包括答案和解析)

 0  169188  169196  169202  169206  169212  169214  169218  169224  169226  169232  169238  169242  169244  169248  169254  169256  169262  169266  169268  169272  169274  169278  169280  169282  169283  169284  169286  169287  169288  169290  169292  169296  169298  169302  169304  169308  169314  169316  169322  169326  169328  169332  169338  169344  169346  169352  169356  169358  169364  169368  169374  169382  447348 

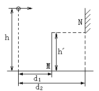
7. 如图所示,M、N是两块挡板,挡板M高=10m,其上边缘与挡板N的下边缘在同一水平面,从高=15m的A点以速度水平抛出一小球,A点与两挡板的水平距离分别为=10m,=20m。N板的上边缘高于A点,若能使小球直接进入挡板M的右边区域,则小球水平抛出的初速度的大小是下列给出有数据中的哪个          (   )

    A.v0=8m/s     B.v0=4m/s 

C.v0=15m/s    D.v0=21m/s

试题详情

6.如图所示,水平传送带以不变的速度向右运动。将质量为的物体轻轻放在水平传送带的左端处,经秒,的速度也变为,再经秒到达右端处,则   (     )

 A.前秒物体作加速运动,后秒物体作减速运动。

B.由传送带左端到右端的平均速度为  

C.前的位移与后的位移之比为1:2

D.后秒内与传送带之间无摩擦力

试题详情

5. 一个物体从静止开始做匀加速直线运动。它在第一秒内与在第二秒内位移之比为S1 : S2 ,在走完第1m时与走完第2m时的速度之比为v1 : v2。以下说法正确的是(   )

A.S1 : S2 = 1 : 3, v1 : v2 = 1 : 2   B. S1 : S2 = 1 : 3,  v1 : v 2 = 1 :

C. S 1 : S 2 = 1 : 4, v1 : v 2 = 1 : 2   D. S 1 : S 2 = 1 : 4,  v1 : v2 = 1 :

试题详情

4. 如图2所示,静止的倾斜传送带上有一木块正在匀速下滑,当传送带突然向上开动时,木块滑到底部,所需要的时间,与传送带不动所用的时间相比较,正确的是    (   )                

A.=  B. >   C.  <    D.无法比较

试题详情

3. 两个质点甲与乙,同时由同一地点向同一方向做直线运动,它们的速度一时间图象如图1所示.则下列说法中正确的是

A.第4 s末甲、乙将会相遇

B.在第2 s末甲、乙将会相遇

C.在2 s内,甲的平均速度比乙的大

D.在第2 s末甲、乙相距最远

试题详情

2. 汽车由静止开始做匀加速直线运动,加速度为a,经历时间t后,又以同样大小的加速度做匀减速直线运动,最后静止.汽车在加速和减速的两个过程中,下列物理量不同的是( )

A.位移         B.平均速度        C.加速度          D.经历的时间

试题详情

1. 一汽车在路面情况相同的公路上直线行驶,下面关于车速、惯性、质量和滑行路程的讨论,正确的是( )

A.车速越大,它的惯性越大

B.质量越大,它的惯性越大

C.车速越大,刹车后滑行的路程越长

D.车速越大,刹车后滑行的路程越长,所以惯性越大

试题详情

14.(20分)当物体从高空下落时,所受阻力会随物体的速度增大而增大,因此经过下落一段距离后将匀速下落,这个速度称为此物体下落的收尾速度。研究发现,在相同环境条件下,球形物体的收尾速度仅与球的半径和质量有关.下表是某次研究的实验数据

小球编号
A
B
C
D
E
小球的半径(×103m)
0.5
0.5
1.5
2
2.5
小球的质量(×106kg)
2
5
45
40
100
小球的收尾速度(m/s)
16
40
40
20
32

  (1)描述球形物体在下落过程中做什么运动

(2)根据表中的数据,求出B球与C球在达到终极速度时所受阻力之比.

  (3)根据表中的数据,归纳出球型物体所受阻力f与球的速度大小及球的半径的关系(写出有关表达式、并求出比例系数).

  (4)现将C号和D号小球用轻质细线连接,若它们在下落时所受阻力与单独下落时的规律相同.让它们同时从足够高的同一高度下落,试求出它们的收尾速度;并判断它们落地的顺序(不需要写出判断理由).

试题详情

13.(18分)如图6所示,绳OC与竖直方向成30°角, O为质量不计的滑轮,绳与滑轮间摩擦不计,已知物B重1000N,物A重400N,物A、B均静止。求:

(1)OB绳的拉力多大?

(1)物B所受摩擦力为多大?

(2)OC绳的拉力为多大?

试题详情

12、(16分)小球从斜面的顶端以初速度v0=2 m/s,加速度a=2 m/s2沿斜面向下匀加速滑行,经t=4s到达斜面底端,求:

(1)小球到达斜面底端的速度大小?

(2)斜面的长度?

 ( 3) 小球平均速度大小?

试题详情


同步练习册答案