题目列表(包括答案和解析)

 0  169821  169829  169835  169839  169845  169847  169851  169857  169859  169865  169871  169875  169877  169881  169887  169889  169895  169899  169901  169905  169907  169911  169913  169915  169916  169917  169919  169920  169921  169923  169925  169929  169931  169935  169937  169941  169947  169949  169955  169959  169961  169965  169971  169977  169979  169985  169989  169991  169997  170001  170007  170015  447348 

13.一理想变压器,原线圈匝数n1=1100,接在电压220 V的交流电源上,当它对11只并联的“36V,60 W”灯泡供电时,灯泡正常发光,由此可知该变压器副线圈的匝数n2    ,通过原线圈的电流I1    A.

答案:180,3

试题详情

12.如图所示,理想变压器的原、副线圈匝数之比为n1n2=4∶1.原线圈回路中的电阻A与副线圈回路中的负载电阻B的阻值相等.ab端加一定交流电压后,两电阻消耗的电功率之比PAPB  ,两电阻两端电压之比UAUB  .

答案 1∶16   1∶4

试题详情

11.一小型发电机内的矩形线圈在匀强磁场中以恒定的角速度ω绕垂直于磁场方向的固定轴转动.线圈匝数n=100.穿过每匝线圈的磁通量Φ随时间按正弦规律变化.如图所示,发电机内阻r=5.0,外电路电阻R=95.已知感应电动势的最大值Em=nωΦm,其中Φm为穿过每匝线圈磁通量的最大值.求串联在外电路中的交流电流表(内阻不计)的读数.

答案 I=1.4 A    

试题详情

10.某发电站的输出功率为,输出电压为4kV,通过理想变压器升压后向80km远处供电。已知输电导线的电阻率为,导线横截面积为,输电线路损失的功率为输出功率的4%,求:

(1)升压变压器的输出电压;

(2)输电线路上的电压损失。

答案 80kV  3200V

试题详情

9.为了增大LC振荡电路的固有频率,下列办法中可采取的是

(A)增大电容器两极板的正对面积并在线圈中放入铁芯 

(B)减小电容器两极板的距离并增加线圈的匝数 

(C)减小电容器两极板的距离并在线圈中放入铁芯 

(D)减小电容器两极板的正对面积并减少线圈的匝数 

试题详情

8.关于电磁场和电磁波,下列说法正确的是

A.电磁波是横波

B.电磁波的传播需要介质

C.电磁波能产生干涉和衍射现象

D.电磁波中电场和磁场的方向处处相互垂直

试题详情

7.目前雷达发射的电磁波频率多在200MHz至1000MHz的范围内。下列关于雷达和电磁波说法正确的是

A.真空中上述雷达发射的电磁波的波长范围在0.3m至1.5m之间

B.电磁波是由恒定不变的电场或磁场产生的

C.测出从发射电磁波到接收反射波的时间间隔可以确定雷达和目标的距离

D.波长越短的电磁波,反射性能越强

试题详情

6.一个边长为6 cm的正方形金属线框置于匀强磁场中,线框平面与磁场垂直,电阻为0.36Ω。磁感应强度B随时间t的变化关系如图所示,则线框中感应电流的有效值为( )

A.×10-5A    B.×10-5A    C.×10-5A   D.×10-5A

试题详情

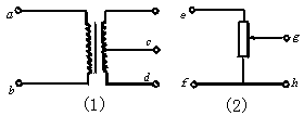
5.如图14-8所示(1)、(2)两电路中,当ab两端与ef两端分别加上220 V的交流电压时,测得cd间与gh间的电压均为110 V.若分别在cd两端与gh两端加上110 V的交流电压,则ab间与ef间的电压分别为 

(A)220V,220 V 

(B)220 V,110 V

(C)110 V,110V 

(D)220 V,0 V       

试题详情

4.远距离输送交流电都采用高压输电,我国正在研究用比330千伏高得多的电压进行输电,采用高压输电的优点是( )

A.可节省输电线的铜材料     B.可根据需要调节交流电的频率

C.可减少输电线上的能量损失   D.可加快输电的速度

试题详情


同步练习册答案