0  119929  119937  119943  119947  119953  119955  119959  119965  119967  119973  119979  119983  119985  119989  119995  119997  120003  120007  120009  120013  120015  120019  120021  120023  120024  120025  120027  120028  120029  120031  120033  120037  120039  120043  120045  120049  120055  120057  120063  120067  120069  120073  120079  120085  120087  120093  120097  120099  120105  120109  120115  120123  447090 

10. 如图甲所示,一个理想变压器原、副线圈的匝数比n1n2=6∶1,副线圈两端接有灯泡(3 V 3 W)、定值电阻R1=3 Ω、R2=6 Ω、理想二极管D,当原线圈两端接有电压按如图乙所示变化的交流电源时,则( )

A. 电阻R2两端电压的有效值为 V

B. 通过灯泡的电流的有效值为 A

C. 变压器副线圈两端电压的有效值为6 V

D. 通过灯泡的电流每秒方向改变50次

解析:因原、副线圈的匝数比n1n2=6∶1,交流电源输出电压的有效值为36 V,所以副线圈两端电压的有效值为6 V,C错;由P=知灯泡电阻为3 Ω,因二极管的单向导电性,电阻R2两端电压在半个周期内有3 V,在另半个周期内为0 V,由T=·+·得电阻R2两端电压的有效值为 V,A对;由I=知通过灯泡的电流在半个周期内为1 A,在另半个周期内为0.5 A,由有效值的定义可得通过灯泡的电流的有效值为 A,B对;由题图知交流电的周期T=0.02 s,一个周期内电流方向改变两次,所以通过灯泡的电流每秒方向改变100次,D错.

答案:AB

第Ⅱ卷 (非选择题,共60分)

试题详情

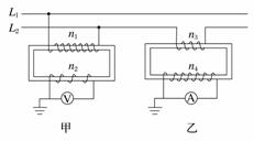
9. [2013·岳阳模拟]如下图所示,L1L2是高压输电线,甲、乙是两只互感器,若已知n1n2=1000∶1,n3n4=1∶100,图中电压表示数为220 V,电流表示数为10 A,则高压输电线的送电功率为( )

A. 2.2×103 W                      B. 2.2×102 W

C. 2.2×108 W                          D. 2.2×104 W

解析:根据图甲可得,高压输电线的送电压UU=220 kV;根据图乙可得,输送电流II=1000 A;所以高压输电线的送电功率PUI=220 kV×1000 A=2.2×108 W.故C正确.

答案:C

试题详情

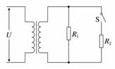
8. 如图所示,理想变压器原线圈中输入电压U1=3300 V,副线圈两端电压U2为220 V,输出端连有完全相同的两个灯泡L1和L2,绕过铁芯的导线所接的电压表V的示数U=2 V.则( )

A. 原线圈的匝数为1650匝

B. 副线圈的匝数为55匝

C. 当开关S断开时,电压表读数变小

D. 当开关S断开时,A2和A1读数均减小

解析:由变压器电压与匝数的关系可知原线圈与电压表之间有=,得原线圈匝数为1650匝,选项A正确;由电压表与副线圈电压关系,可得副线圈匝数为110匝,选项B错误;断开开关S,电压表匝数为1,没有变化,则电压表读数不变,选项C错误;当开关S断开时,输出端总电阻增大,输入和输出电压不变,则输出电流减小,输出功率减小,输入电流也减小,选项D正确.

答案:AD

试题详情

7. [2013·甘肃省二诊]如图所示,理想变压器原、副线圈的匝数比为10∶1,b是原线圈的中心抽头,电压表和电流表均为理想电表,除R以外其余电阻不计.从某时刻开始在原线圈两端加上交变电压,其瞬时值表达式为u1=220sin100πtV.下列说法中正确的是( )

A. t= s时,电压表的读数为22 V

B. t= s时,ac两点电压瞬时值为110 V

C. 滑动变阻器触片向上移,电压表和电流表的示数均变大

D. 单刀双掷开关由a扳向b,电压表和电流表的示数均变大

解析:电压表的读数为电压的有效值,不随时间改变,t= s时,电压表读数为22 V,选项A正确;将t= s带入瞬时值表达式为u1=220sin100πt V,ac两点电压瞬时值为110 V,选项B错误;滑动变阻器触片向上移,电压表示数不变,电流表的示数变小,选项C错误;若当单刀双掷开关由a扳向b时,理想变压器原、副线圈的匝数比由10∶1变为10∶2,所以输出的电压升高,电压表和电流表的示数均变大,所以D正确.

答案:AD

试题详情

6. [2013·三亚模拟]如图所示,理想变压器初级线圈的匝数为n1,次级线圈的匝数为n2,初级线圈的两端ab接正弦交流电源,电压表V的示数为220 V,负载电阻R=44 Ω,电流表A1的示数为0.20 A.下列判断中正确的是   (   )

A. 初级线圈和次级线圈的匝数比为2∶1

B. 初级线圈和次级线圈的匝数比为5∶1

C. 电流表A2的示数为0.1 A

D. 电流表A2的示数为0.4 A

解析:由题意可求得初级线圈的功率,利用理想变压器初、次级线圈中的功率相等可求得次级线圈中的电流,再利用初、次级线圈中的电流之比可求得两线圈的匝数比.由电压表V的示数和电流表A1的示数可得初级线圈中的功率P1U1I1P1P2IR,所以电流表A2的示数为I2== A=1.0 A,C、D错误;初级线圈和次级线圈的匝数比==,A错误,B正确.

答案:B

试题详情

5. 如图甲、乙分别表示两种电压的波形,其中图甲所示电压按正弦规律变化.下列说法正确的是   (    )

A. 图甲表示交流电,图乙表示直流电

B. 两种电压的周期相等

C. 两种电压的有效值相等

D. 图甲所示电压的瞬时值表达式为u=311sin100πt V

解析:因图象的纵坐标上电压的正负表示电压的方向,因此两图均为交流电,A错;两图象的周期都是2×102 s,故B对;对于正弦交流电才有U有效=,虽然两图的峰值相同,但图乙非正弦(余弦)交流电,不适用上式有效值的求法,故C错;正弦交流电电压瞬时值的表达式为uUmsinωt,由图甲可知Um=311 V,T=2×102 s,可得ω==100π,代入上式得u=311sin100πt V,故D对.

答案:BD

试题详情

4. 如图所示为一理想变压器,在原线圈输入电压不变的条件下,要提高变压器的输入功率,可采用的方法是( )

A. 只增加原线圈的匝数

B. 只增加副线圈的匝数

C. 只减小用电器R1的电阻

D. 断开开关S

解析:变压器的输入功率由输出功率决定,因此只要增大其输出功率即可.输入电压不变,原线圈匝数增加输出电压减小,输出功率减小,A项错误;副线圈匝数增加,输出电压增大,输出功率增大,B项正确;在匝数不变的情况下,输出电压不变,闭合开关或减小R1电阻都使负载电阻减小,消耗的功率增大,即输出功率增大,C项正确,D项错误.

答案:BC

试题详情

3. [2014·山西大学附中高三模拟]如图所示电路,变压器为理想变压器.现将滑动变阻器的滑片从某一位置滑动到另一位置时,电流表A1的示数减小0.1 A,电流表A2的示数减小1 A,则下列说法正确的是   (    )

A. 灯泡L1变亮

B. 灯泡L1变暗

C. 变压器为升压变压器

D. 变压器为降压变压器

解析:电压不变,流过A2的电流减小,灯L2的分压减小,灯L1分压变大而变亮,选项A正确,B错误;由变压器公式有==,解得=,为降压变压器,选项C错误,D正确.

答案:AD

试题详情

2. [2014·北京市怀柔区高三适应性练习]某交流发电机给灯泡供电,产生正弦式交变电流的图象如图所示,下列说法中正确的是   (     )

A. 交变电流的频率为0.02 Hz

B. 交变电流的瞬时表达式为i=5cos50πt(A)

C. 在t=0.01 s时,穿过交流发电机线圈的磁通量最大

D. 若发电机线圈电阻为0.4 Ω,则发电机的热功率为5 W

解析:根据图象可知im=5 A,T=20×103 s=0.02 s,所以,交变电流的频率f=1/T=50 Hz,瞬时表达式为iimcosωtimcos()t=5cos100πt(A),所以选项A、B错误;在t=0.01 s时,交变电流的瞬时值最大,说明感应电动势最大,穿过交流发电机线圈的磁通量的变化率最大,磁通量最小,选项C错误;该余弦交变电流的有效值为iim/,若发电机线圈电阻为0.4 Ω,则其热功率为PiR=5 W,所以选项D正确.

答案:D

试题详情

一、选择题

1. 下列说法正确的是( )

  A. 话筒是一种常用的声传感器,其作用是将电信号转换为声信号

  B. 电熨斗能够自动控制温度的原因是它装有双金属片温度传感器,这种传感器的作用是控制电路的通断

  C. 电子秤所使用的测力装置是力传感器

  D. 半导体热敏电阻常用作温度传感器,因为温度越高,它的电阻值越大

解析:电话话筒的作用是把声信号变为电信号,A选项错误;电熨斗中用到双金属片,是利用温度传感器控制电路的通断,B选项正确;电子秤是利用压敏电阻把力信号转变为电信号,是力传感器,C选项正确;半导体热敏电阻的阻值随温度升高而减小,D选项错误.

答案:BC

试题详情


同步练习册答案