0  123717  123725  123731  123735  123741  123743  123747  123753  123755  123761  123767  123771  123773  123777  123783  123785  123791  123795  123797  123801  123803  123807  123809  123811  123812  123813  123815  123816  123817  123819  123821  123825  123827  123831  123833  123837  123843  123845  123851  123855  123857  123861  123867  123873  123875  123881  123885  123887  123893  123897  123903  123911  447090 

1.下列关于声音的说法,不正确的是

A.“响鼓也要重锤敲”,说明声音是由振动产生的,且振幅越大响度越大

B.“震耳欲聋”,说明声音的音调高

C.“闻其声知其人”,说明可以根据音色来判断说话者

D.“土电话”,说明固体能传声

试题详情

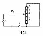
33、有一个滑动变阻器在某处发生了断路,小宇同学为了找到发生断路的位置设计了如图21所示的探究实验.

步骤1:把滑动变阻器分成了间距相等的五段(ab段、bc段、cd段、de段、ef段,其中a、f为变阻器的两个端点),如图所示.

步骤2:将电压恒为6 V的电源、电流表、阻值为5Ω的定值电阻R0和该滑动变阻器连成如图所示的电路.

步骤3:闭合开关,将滑动变阻器的滑片P由下往上滑动,当滑片P分别处于a、b、c、d、e、f位置时,把电流表的示数记录在下面表格中.

滑片P所处的位置
a
b
c
d
e
f
电流表读数/A
1.2
0.6
0.4
0.3
0.6
1.2

请完成下列问题:

(1)电路中R0的作用是什么? (2分)

(2)根据观察,小宇发现“ab段”“bc段”“ef段”完好,请你结合表中数据,判断该滑动变阻器的断路发生在图中“cd段”还是“de段”?并说明判定依据 (2分)

(3)根据表中数据,计算滑动变阻器上每段电阻的阻值.(2分)

(4)计算滑片P在断路点两侧时,电流表可能的示数范围.(4分)

试题详情

32、一质量为4t的汽车陷入沼泽地,并且发动机出现了故障。如图20所示,在电动机带动下用滑轮组把汽车拉出。设在整个拉出过程中,汽车的运动可看成匀速直线运动,速度为0.5m/s,所受的阻力为2.4×104N,移动的距离为4m;电动机的电源电压为380V,电流为50A,电动机提供的拉力F为104N。求这个过程中:

(1)滑轮组对汽车所做的有用功;(2分)

(2)滑轮组的机械效率;(3分)

(3)电动机消耗的电能。(3分)

试题详情

31、近年来,交通部门加大了打击汽车超载超速的力度,这是为了交通安全和延长公路的使用年限。某科技小组对超载超速所引起的影响与危害进行了探究。

课题一:从压强角度分析超载对路面的影响(6分)

(1)自重5t、载重10t的满载汽车,对水平路面的压力为多少?(g=10N/kg)

(2)该车前后共有10个轮胎,每个轮胎与地面的接触面积约为O.04m2,假设汽车超载10t,则对水平路面的压强增加了多少?

课题二:关于超载危害交通安全的研究(3分)

(3)为什么要严禁超载?某课题组利用斜面、小球和木块进行研究。让质量不同的小球分别从同一高度静止开始滑下(如图19所示),小球经过A点时速度相等。请根据实验现象,用学过的科学知识解释超载存在的安全隐患。

试题详情

30、森林是一个巨大的天然“氧巴”,因为绿色植物在光合作用下可以放出大量的氧气,小明同学为测量地球表面植物吸收太阳能的本领,做了如下实验:用一脸盆温度装6kg的水,水面的表面积为0.1m2,经太阳垂直照射15min,温度升高了5℃.请计算:

⑴实验时6kg的水吸收了多少热量?(3分)

⑵若地表植物接收太阳能的能力与水相等,每平方米绿色植物每秒接收的太阳能为多少焦耳?(3分)

⑶100m2绿地每秒可以放出多少升的氧气?(若绿色植物在光合作用下每吸收103J的太阳能可以放出0.05L的氧气)(3分)

试题详情

29、我国“神舟”六号载人飞船顺利升空并安全返回地面,如图18所示

(1)返回舱返回地球时,在距地面1.2m高处,反冲发动机向地面喷火,飞船进一步减速,最后落地.请写出这一过程中包含的两个力学知识.

①_______ ______         ______

②_________             

(2)飞船返回舱如图甲表面温度能达到上千摄氏度,像个火球似的.为了保证飞船返回舱的安全返回,舱的外壳应该选用导热性能好、_______高、_______大的钛合金.

(3) “神舟”厕所(如图乙)有与身体接触的两个装置.其形状与人的体形非常相似,它们分别在大便和小便时使用.大便时使用的装置,直径有10 cm左右,而小便装置的直径有5cm左右.它们的下面安装了一根长管,通向排泄物收集容器.使用时,航天员需要用手抓住两个装置下面的长管子,并通过对管子用力,使整套装置贴紧身体.样子看起来就像倒过来拿着一个疏通下水道的皮揣,捅向自己的身体。尿液的收集容器另一端与抽风机相连,它的工作原理与吸尘器一样。请解释其中的道理。

(4)我国正在实施“嫦娥工程”,如果宇航员从地球上带走装满水后旋紧瓶盖的一瓶水登上月球,在室外打开瓶盖后会看到什么现象?并说明理由。

试题详情

28、在“测量小灯泡的电阻”实验中,电源电压保持不变,小灯泡的额定电压为2.5V.⑴电路接通后,小明发现移动滑动变阻器的滑片使其接入电路的电阻减小时,电压表的示数也变小了,你认为电路连接中存在的错误是   ____                

⑵在图17右面方框内画出电路图,并将实物图连接完整。改正电路后,他将测得的数据及计算结果填在下面的表格中:

实验次数
物理量
1
2
3
4
电压U/V
2.5
2.0
1.5
1.0
电流I/A
0.30
0.26
0.22
0.20
电阻R/Ω
 
7.7
6.8
5.0

小灯泡正常发光时的电阻为___________Ω(保留一位小数).多次改变电压值,同时测出对应的电流,求出灯泡的电阻是否是为了求平均值,减小实验的误差?___________(选填“是”或“不是”).

⑶分析表中的数据发现灯丝的电阻是变化的,这说明____________     .这种现象在生

活中也有体现,例如家里的白炽灯在刚开灯的瞬间,灯丝________________烧断(选填“容

易”或“不容易”).

⑷小明还想测出一段电炉丝的电阻值,可是在连接电路时发现电流表已被烧坏;请你利用现有器材(电压未知的电源、量程合适的电压表、最大阻值为20Ω的滑动变阻器、开关各一个,导线若干),帮助小明设计一个不移动电压表就能测出这段电炉丝阻值的电路.把你设计的实验电路图画在虚线框内(电炉丝的符号为“”).

试题详情

27、交流与评估是科学探究的一个重要环节。光明中学的同学,利用如图16所示的实验装置完成了“测滑轮组机械效率”的实验以后,进行了小组交流,下表是各小组的实验数据记录:请你对表中各小组的实验数据进行分析比较,回答下列问题:

(1)实验中影响滑轮组效率的主要因素有             

(2)1、2两个小组的动滑轮重相同,提起的钩码重也相同,测出的滑轮机械效率却不同,原因不可能是                         (    )

A.滑轮的轮与轴间的摩擦力大小不同   B.测拉力时没有使测力计匀速上升

C.测拉力时拉力的方向没有竖直向上   D.钩码被提升的高度不同

实验小 组
钩码重G(N)
动滑轮G′(N)
拉力F(N)
滑轮组的机械效率η
1
0.5
0.4
0.35
47.6%
2
0.5
0.4
0.38
43.9%
3
1
0.6
0.62
53.8%
4
1
0.8
0.71
46.9%
5
2
0.6
0.98
68.0%
6
2
0.8
1.06
62.9%

 

(3)请你就如何提高滑轮组的机械效率提出自己的建议(要求写两点):

  ①_______________________________________________________________

  ②_______________________________________________________________

试题详情

26、下面是同学们常见的两个物理实验,请对这些实验分别进行分析,并得出所反映的物理规律.

⑴图甲:平行地竖放两张纸,向它们中间吹气,两张纸会相互靠近,其原因是:          

⑵图乙:同时在冷水和热水中各滴一滴红墨水颜色先变均匀的是___________(选填“冷水”或“热水”).说明:_____________________________________________

试题详情

25、如图14,沿长廊AB方向铺有30块完整的相同的正方形地砖,如图甲所示.

⑴小明用最小分度值是lmm的尺测量其中一块地砖长度如图乙所示,则每块地砖的长度是_______m.

⑵小明用停表测量自己从长廊的A端走到B端所用的时间,停表的读数如图丙所示,他所用的时间是_______s.

⑶根据速度、路程和时间的关系v=_______,算出小明的步行速度为_______m/s.

试题详情


同步练习册答案