0  123796  123804  123810  123814  123820  123822  123826  123832  123834  123840  123846  123850  123852  123856  123862  123864  123870  123874  123876  123880  123882  123886  123888  123890  123891  123892  123894  123895  123896  123898  123900  123904  123906  123910  123912  123916  123922  123924  123930  123934  123936  123940  123946  123952  123954  123960  123964  123966  123972  123976  123982  123990  447090 

4.关于比热容,下列说法中正确的是

   A.物体的比热容跟物体吸收或放出的热量有关

   B.物体的比热容跟物体的温度有关

   C.物体的质量越大,它的比热容就越大

D.物体的比热容与物体吸、放热及温度和质量都没有关系

试题详情

3.如下图所示,用塑料管可以把瓶子中的水吸到嘴里,这是由于

   A.人对水产生吸引力的作用      B.吸管本身有吸水的作用

   C.大气压作用在水面上的结果      D.水压的作用

试题详情

2.下图是控制噪声的几种措施,其中属于防止噪声产生的是

试题详情

1.下列频段中,能传递频道容量最大的是

A.长波        B.中波        C.短波        D.微波  

试题详情

32.小陈同学所在的物理兴趣小组,利用所学知识设计了一个简易电子拉力计,图甲是其原理图,该装置中电流表的示数可以显示拉力的大小.他们最初选用的主要器材及其规格是:

   A.电池组(能够提供6 V恒定不变的电压)   B.电流表(量程为0-0.6 A)

   C.定值电阻R。(电阻为10Ω)

   D.硬电阻丝R(长度为1 cm,总电阻为50Ω,电阻随长度均匀变化;滑片P与R接

    触良好且摩擦不计)

   E.硬质弹簧(导电性能良好,电阻不计;能承受的最大拉力是150 N,当拉力小于   150 N时,其伸长量△与所受拉力F的关系图线见图乙)

(1) 该拉力计能够测量出的最大拉力是_________N。

(2) 当拉力为60N时,电流表示数为多大?此时定值电阻R0消耗的电功率是多大?

(3) 为了增大拉力的测量范围,小陈他们又找来了如图丙所示的一个定滑轮、一个滑轮组和一个杠杆.另有绕线若干.

   ① 小陈他们已安好定滑轮,请你再选用图丙中的滑轮组或杠杆在图丁的虚线框中进行适当的连接,并画出拉环的位置,使测力计拉力的测量范围变为原来的三倍(若需要文字说明,请写在图丁下方的空白处).

   ②在你新设计的拉力计中,电流表表盘上0.3 A处应标多少牛顿?

试题详情

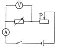
31.如图所示的电路中,电源电压保持不变,闭合开关S后,滑动变阻器的滑片P由B端移动到A端时,测得电阻R1两端的电压与通过电阻R1的电流的变化关系如图所示。

   (1) 求电源的电压。 (2) 求变阻器的最大阻值。

   (3) 求电压表V2示数的变化范围。

   (4) 请用电学公式结合控制变量法推理说明,滑片P向右滑动时,R1消耗功率会变小的原因,并求出R1消耗功率最小时,它1分钟内产生的热量?

试题详情

30.某工地用如图所示的滑轮组提升重5000N,边长为5dm的正方体,在2秒内物体上升0.8m,拉力的功率为2500W(不计绳重及摩擦, g = 10N/kg)。求:

   (1) 该物体的密度;     (2) 滑轮组做的有用功;  (3) 此时滑轮组的机械效率;

  (4) 若用此滑轮组将重为7000N的物体匀速提升0.5m,求拉力做的功。

试题详情

29.现在国家提倡节能减排。某同学探究了他自己家刚装好的天然气烧水情况,用天然气作燃料加热5kg水的过程中,水温随时间的变化情况如图示,请完成下列问题:

   (1) 1标准大气压下,将初温为20℃的水烧开需吸收多少热量FF1B

   (2) 如果在烧水时,管道中天然气流量为5.25dm3/min,那么在这种情况下,将水烧开需要燃烧多少m3的天然气?他家天然气灶的效率为多少?(天然气的热值为4.0×107J/m3)

   (3) 使用天然气的哪些优点(请说出两点)。

试题详情

实验序号
u/m
v/m
u·v/m2
u/v
(1/u)/m-1
(1/v)/m-1
4
0.200
0.300
0.0600
1.50
5.00
3.33
5
0.300
0.200
0.0600
0.67
3.33
5.00
6
0.500
0.158
0.0790
0.32
2.00
6.33

(1) 分析表一数据,得出凸透镜的焦距f1=   m;

(2) 分析比较实验序号1、2、3(或4、5、6)数据中物距u与像距v变化关系及相关条件,可得出的初步结论是:                  

(3) 分析比较实验序号    数据中物距u与像距v变化关系及相关条件,可得出的初步结论是:不同的凸透镜,当它们成实像时,物距相同,像距随焦距的增大而增大;

(4) 请进一步综合分析比较表一、表二中经运算后得到的数据及相关条件,对物距u、像距v和焦距f的具体函数关系进行大胆猜测:你的猜测是:         

(5) 在探究凸透镜成像规律的实验中,当凸透镜、光屏和烛焰的位置如图所示时,光屏上能成一清晰的像,若将烛焰向左稍许移动一些,为了使光屏上仍能成一清晰的像,可采取的措施:

① 将光屏向     (填“左”或“右”)移动适当的距离;

② 光屏不动,可在凸透镜前放一个     视眼镜;

③ 在B点换一个焦距比原来透镜适当    (填“大”或“小”)的凸透镜。

28.在“研究电流与电压、电阻关系”的实验中,电路图如下图所示。

(1) 连接电路时,开关应断开,实验结果如图像甲、乙,为了保护电路,滑动变阻器的阻值应调到   (选填“左”或“右”)端。

(2) 探究电流与电阻的实验中,

① 这一实验中,电阻箱的作用                

当电阻箱的阻值从20变为10再变到5,电压表的示数     (选填“变大”“不变”或“变小”),为了完成实验,接着应该将滑动变阻器的滑片P向______(选填“左”或“右”)调节,直到              ,读出电流表的示数。

② 实验结果可用图像    表示。

(3) 在探究电流与电压的关系时,

① 发现闭合开关后,无论怎样移动滑动变阻器的滑片,电流表、电压表示数都不变且较大,原因可能是          

   ② 若发现闭合开关后,电流表无示数,电压表有示数且接近电源电压,则可能出现

的故障是      ,排除故障后,实验数据如右表。仔细分析表中的数据,发现有一次值测错了,测错数据是     ,此时电阻箱接入电路中的电阻值为      Ω。

实验次数
1
2
3
电压U/V
2
4
6
电流I/A
0.4
0.8
1.0

试题详情

实验序号
u/m
v/m
u·v/m2
u/v
(1/u)/m-1
(1/v)/m-1
1
0.200
0.200
0.0400
1.00
5.00
5.00
2
0.300
0.150
0.0450
0.50
3.33
6.67
3
0.500
0.125
0.0625
0.25
2.00
8.00

试题详情


同步练习册答案