0  124466  124474  124480  124484  124490  124492  124496  124502  124504  124510  124516  124520  124522  124526  124532  124534  124540  124544  124546  124550  124552  124556  124558  124560  124561  124562  124564  124565  124566  124568  124570  124574  124576  124580  124582  124586  124592  124594  124600  124604  124606  124610  124616  124622  124624  124630  124634  124636  124642  124646  124652  124660  447090 

15.将下列几种不同规格的灯泡接到6 V的电源上,其中最亮的是   (   )

   A.“l2V 4W”     B.“6V 4W”     C.“6V 6W”     D.“12V 6W”

试题详情

14.灯泡接入电路中发光时,灯丝的温度高达2 000℃,而跟灯泡相连的导线却不怎么发热,原因是   (    )

   A.导线是铜制的,它不可能发热

   B.通过导线的电流比通过灯丝的电流小,所以导线上产生的热量少

   C.导线的电阻率比灯丝电阻率小,所以导线上产生的热量少

   D.电线上的铜丝很细,所以导线上产生的热量少

试题详情

13.一只电炉接在220V的电路上,用10min时间能把一壶水烧开,那么,若接在110V的电路上时,把同样一壶水烧开所需的时间是   (   )

   A.10min       B.20min       C.30min        D.40min

试题详情

12.下列关于电功和电功率的说法正确的是   (   )

   A.电流通过用电器做功越多,表明用电器的功率越大

   B.功率大的用电器总比功率小的用电器做功多

   C.功率是用来表示做功多少的物理量

   D.某用电器的功率小,但它完全可以比功率大的用电器做功多

试题详情

11.在下列现象中,不可能引起家中保险丝熔断的是   (   )

   A.开关中的两个线头相碰        B.电路中增加了大功率的用电器

   C.插座中的两个线头相碰        D.室内电线绝缘皮损坏

试题详情

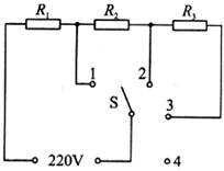
10.晓英设计了一个有高、中、低三挡火力的电火锅,其简化电路如图所示,S为单刀多掷开关,R1、R2、R3为电热丝.当该电火锅处于高挡火力时,开关S接触的是  (   )

   A.触点1       B.触点2          C.触点3           D.触点4

试题详情

9.磁悬浮列车是利用_____________________的原理实现悬浮的.

试题详情

8.某电能表上标有“3 000 r/(kW·h)”字样.如果单独使用洗衣机洗衣服,已知洗衣机的功率是100W,电能表的转盘转了600 r时,洗衣机消耗了_______J的电能,使用了_______h

试题详情

7.放射性现象给我们带来的信息是:小小的原子核也有内部结构.现在已经确定原子核是由______________和______________组成的.

试题详情

6.使用测电笔时,手要接触笔尾的__________,笔尖接触电线,如果氖管发光,表明接触的是______________线.

试题详情


同步练习册答案