0  125161  125169  125175  125179  125185  125187  125191  125197  125199  125205  125211  125215  125217  125221  125227  125229  125235  125239  125241  125245  125247  125251  125253  125255  125256  125257  125259  125260  125261  125263  125265  125269  125271  125275  125277  125281  125287  125289  125295  125299  125301  125305  125311  125317  125319  125325  125329  125331  125337  125341  125347  125355  447090 

14.将一金属块挂在竖直的弹簧测力计挂钩上,使其处于静止状态,则

A.弹簧测力计所受重力与金属块对弹簧测力计拉力的合力为零

B.弹簧测力计对金属块的拉力与金属块所受重力的合力为零

C.金属块所受的重力与弹簧测力计所受的重力是一对平衡力

D.弹簧测力计对金属块的拉力与金属块对弹簧测力计的拉力是一对相互作用力

试题详情

13.下列说法中正确的是

A.功率较大的空调启动后,进户线中的电流变大

B.气压增大,水的沸点降低

C.同种电荷之间相互排斥

D.平静的水面映出周围景物的像是光的折射现象

试题详情

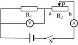
12.下图所示的电路中,电源两端电压为6V并保持不变,定值电阻R1的阻值为10Ω,滑动变阻器R2的最大阻值为50Ω。当开关S闭合,滑动变阻器的滑片P由b端移到a端的过程中,下列说法中正确的是 

A.电压表的示数变大,电流表的示数变小

B.电流表和电压表的示数都不变

C.电流表的示数变化范围为0.2A-0.6A

D.电压表的示数变化范围为1V-6V

试题详情

11.甲、乙两个正方实心体,分别由密度12的物质组成,将它们放在水平地面上,甲对地面的压强为1,乙对地面的压强为2。若把甲放在乙的上面时乙对地面的压强与把乙放在甲上面时甲对地面的压强之比为 

A.            B.        C.        D.

试题详情

10.下图是电饭锅的电路图,S是温控开关,R1、R2是电阻丝,断开或闭合开关S,可选择电饭锅处于“加热”或“保温”状态。若R1∶R2=1∶35,电饭锅加热时的总功率为P1,保温时的总功率为P2,则P1∶P2

A.36∶1       B.35∶1      C.36∶35       D.35∶36   

试题详情

9.如图所示,条形磁铁置于水平面上,电磁铁与其在同一水平面上,右端固定并保持水平,当电路中滑动变阻器滑片P逐渐向左移动时,条形磁铁仍保持静止,在此过程中条形磁铁受到的摩擦力的方向和大小是

A.方向向左,逐渐增大        B.方向向左,逐渐减小

C.方向向右,逐渐增大        D.方向向右,逐渐减小

试题详情

8.如图所示的四种情景中,属于光的反射的是

试题详情

7.下列现象中,通过做功改变物体的内能,并使内能减小的是

A.冬天,用手去摸户外的物体,感到非常凉

B.在内燃机的汽缸内,燃气推动活塞运动

C.寒冷的冬天,人们围在火炉周围取暖

D.用打气筒给自行车打气时,筒内气体被压缩

试题详情

6.小文同学坐在航行的游艇内,如果说他是静止的,则所选择的参照物是

A.游艇       B.湖岸        C.湖水       D.岸边的树

试题详情

5.如图所示的四个实例中,目的是为了增大摩擦的是

试题详情


同步练习册答案