0  125229  125237  125243  125247  125253  125255  125259  125265  125267  125273  125279  125283  125285  125289  125295  125297  125303  125307  125309  125313  125315  125319  125321  125323  125324  125325  125327  125328  125329  125331  125333  125337  125339  125343  125345  125349  125355  125357  125363  125367  125369  125373  125379  125385  125387  125393  125397  125399  125405  125409  125415  125423  447090 

1.下图分别表示几位同学在“练习用温度计测液体的温度”实验中的做法。正确的是:

试题详情

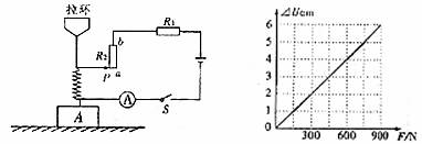
39.某班科技小组的同学设计了一种简易的电子拉力计,图甲是其原理图,放在水平地面上的物体A通过硬质弹簧与拉环相连。弹簧上端和金属滑片P固定在一起(弹簧的电阻不计,PR2接触良好且不计摩擦)。已知物体A的质量为100kg,定值电阻R1 = 6 Ω,R2 是一根长为6cm的均匀电阻线(阻值与其长度成正比),其最大阻值为24Ω,电源电压为6V,电流表的量程为0~06A.当不拉拉环是时,金属滑片P刚好处于a端.已知该弹簧伸长的长度△l与所受竖直向上的拉力F间的关系如图乙所示,问:

   (1)要把电流表的表盘改为拉力计的表盘,则拉力计表盘的零刻度应标在电流表表盘的何处?

   (2)闭合开关,当电流表示数为0.6A时,R2接入电路中的电阻为多少?

   (3)在保证电路安全的条件下,物块A对地面的压力范围是多少?(取g=10N/kg)

                  图甲                         图乙

试题详情

38.在我市书院南路道路改扩建工程中,推土机发挥了重要作用.如图是某型号履带式推土机,其发动机的额定功率为150kW,质量为2.0×104kg,履带与地面的总接触面积为2.5m2(取g = 10N/kg).求:

   (1)推土机静止时对水平地面的压强;

   (2)若推土机在平直场地上以额定功率作业,在其以1.5m/s的速度匀速前进10m的过程中,它受到的阻力及阻力所做的功.

试题详情

37.位于我市湘江中的橘子洲自古被称为小蓬莱,是世界城市中最长的内河绿洲,东临长沙城,西望岳麓山,四面环水,绵延十里。介名山城市间,浮袅袅凌波上。春来,波光粼粼,鸟声阵阵;盛夏,纳凉消暑,嬉戏水中;秋至,柚黄橘红,清香一片;深冬,凌寒剪冰,江风戏雪。是潇湘八景之一“江天暮雪”的所在地。

   上面的描述中有许多物理现象,请你从中举出两例并说出它们所包含的物理知识.

 
物理现象
物理知识
示例
波光粼粼
光的反射
1
 
 
2
 
 

试题详情

36.在做“探究串联电路中的电压规律”的实验时,有多个灯泡可供选择,小明把两只灯泡L1、L2串联起来接到电源上,如下图所示:

   (1)当分别把电压表连在图中AB两点、BC两点及AC两点时,闭合开关后测得的数据是:UAB= 0,UBC= 12V,UAC =12V,则故障可能是            

   (2)故障排除后,实验正常进行,通过测量得到了两组实验数据如下表:

实验次数
AB间电压U1/V
BC间电压U2/V
AC间电压U3/V
1
4
8
12
2
6
6
12

   分析两组实验数据,可得出:                  

(3)本实验设计你认为有什么不合理或可以改进的地方吗?若有,请加以说明(若是电路改进则填写在下边虚线框内).

试题详情

35.小明和小琴在做“观察水的沸腾”实验中,当水温上升到84℃时,每隔1min读一次温度计的示数,直到水沸腾4min后停止读数,其数据记录如下表所示:

时间/min
0
1
2
3
4
5
6
7
温度/℃
84
88
 
96
99
99
99
99

①第三次数据没有记录,当时温度计示数如图所示,请将读数填在表格里;

②请根据表格中的数据,在图中的小方格纸上画出水的温度随时间变化的图像;

③由表中数据可知水的沸点是    ℃.

试题详情

34.在探究杠杆的平衡条件的实验中:

①小明将杠杆放在水平桌面上,发现杠杆右端下倾,那么他应该将杠杆左端的螺母向

    (选填“左”或“右”)调节,使杠杆在水平位置平衡.

②实验时只有8个相同的钩码,现已在左端A点挂有4个钩码,如图所示,为使杠杆平衡,钩码应挂在何处?(请设计两种方案,在下图中画出)

试题详情

33.为了探究电磁铁的磁性强弱跟哪些因素有关,小琴同学用漆包线(表面涂有绝缘漆的导线)在大铁钉上绕若干匝,制成简单的电磁铁,下图甲、乙、丙、丁为实验中观察到的四种情况.

   ①当开关闭合后,请在甲图中标出磁体的N极;

   ②比较图       可知:匝数相同时,电流越大磁性越强;

   ③由图    可知:当电流一定时,匝数越多,磁性越强.

试题详情

32.小强利用如图所示的滑轮组去拉物体,使重为2000N的物体A在3s内沿水平方向匀速移动了6m,若A所受地面的摩擦力Ff = 600N,小强所用拉力F = 250 N,则拉力F的功率为     W,该装置的机械效率是    

试题详情

31.小刚用如图甲所示电路来探究电流与电压的关系,闭合开关S,将滑动变阻器的滑片Pa端移至b端,电流表和电压表的示数变化关系如图乙所示,由图像可得,定值电阻R1的阻值是    Ω.实验时,电源电压保持5V不变,当滑片P位于a端时,滑动变阻器消耗的电功率是    W,此时,电阻R1在10min内产生的热量为     J.

试题详情


同步练习册答案