0  193413  193421  193427  193431  193437  193439  193443  193449  193451  193457  193463  193467  193469  193473  193479  193481  193487  193491  193493  193497  193499  193503  193505  193507  193508  193509  193511  193512  193513  193515  193517  193521  193523  193527  193529  193533  193539  193541  193547  193551  193553  193557  193563  193569  193571  193577  193581  193583  193589  193593  193599  193607  447090 

6.如图6-11所示,灯并联,则在A、B处的电路元件分别是(   )

(A)电源和开关、电流表   (B)电源和开关、电压表

(C)电流表、电源和开关   (D)电压表、电源和开关

(2003年,湖北省十堰市)

试题详情

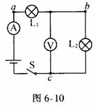
5.如图6-10所示电路,闭合开关S时,两灯均正常发光,下列说法中正确的是(   )

(A)通过a点的电流等于通过c点的电流

(B)通过a点的电流大于通过c点的电流

(C)电压表测的是c点的电压

(D)电压表测的是电源电压  

(2003年,山东)

试题详情

4.如果某次电学实验不能正常进行,需要判断干电池是否报废,可取一节干电池用电压表来测量它的电压,下列步骤中正确的是(   )

①把电压表的正接线柱与干电池的负极接触,负接线柱与正极接触

②在刻度盘上读出电压值

③选择电压表的量程为3V

④把电压表的负接线柱与干电池的负极接触,正接线柱与正极接触

⑤选择电压表的量程为15V

(A)③②①   (B)①⑤②   (C)③④②   (2003年,武汉)

试题详情

3.一节干电池的电压和家庭电路的电压分别是   (   )

(A)2V,220V   (B)1.5V,36V

(C)2V,36V   (D)1.5V,220V

(2003年,呼和浩特)

试题详情

2.图6-9甲是水流形成图,我们对电流的成因(图6-9乙)的认识是通过分析图6-9甲中水流的成因来了解的,这种方法在物理学中称为(   )

(A)比较法   (B)类比法

(C)等效法   (D)控制变量法  (2003年,青岛)

试题详情

5.(A)8.5V   (B)7V

(C)1.7V   (2002年,武汉)

试题详情

1.图6-8是连入电路的电压表的示意图,指针所指的示数为下列数据中的哪一个   (   )

试题详情

4.“观察现象获取信息”的科学方法

电流看不见,摸不着,但电流通过导体时会产生各种效应,我们可以根据电流产生的效应大小来判断电流的大小.把小灯泡的两端分别与-节干电池的正负极连接,小灯泡发光,小灯泡中有电流通过,说明电压是产生电流的原因.把小灯泡改接在两节干电池串联组成的电池组上,小灯泡亮度增大,小灯泡中电流增大,说明两节电池在灯泡两端产生较高的电压.不同电源的电压不同,产生的效应不同.

通过可观察到的现象(灯泡发光的亮度及其变化情况)来获得不可直接感知的信息(电路中电流的强弱及其变化情况),这是一种很重要的研究问题的科学方法.

[典型热点考题]

例1  在图6-1所示的电路中,当开关S断开时,下列说法中正确的是   (   )

(A)开关两端的电压为零

(B)电灯两端的电压为零

(C)电源两端的电压为零

(D)以上说法都不正确  

(2003年,四川)

分析与解答:当开关S断开时,电路中没有电流,电灯两端的电压为零,但电源的两端(即正负极之间)存在电压,因为电源的作用就是在电源内部不断地使正极聚集正电荷,负极聚集负电荷,在正极和负极之间产生电压.开关S断开时,开关的左端通过电灯灯丝与电源负极相连接,右端与电源的正极相连接,此时开关两端存在电压,这个电压是电源提供的,等于电源两极之间的电压.

综上所述可知,当开关S断开时,开关两端的电压等于电源两端的电压,不为零,电灯两端的电压为零.选项B正确.

点评:本题考查对电源的作用、电压的作用的理解和掌握.解题的关键是要明确:电压是电路中形成电流的原因,电源是提供电压的装置.电路中有电流时,电路两端一定存在电压;电路两端有电压时,电路中不一定形成电流.

例2  图6-2是某同学测小灯泡两端电压的电路图,请指出图中的两处错误:

(1)______________________;

(2)______________________. 

(2002年,辽宁)

分析与解答:用电压表测小灯泡两端的电压时,必须使电压表和小灯泡并联,并且使电压表的“十”接线柱靠近电源的正极连接,“-”接线柱靠近电源的负极连接,即让电流从电压表的正接线柱流入电压表,从负接线柱流出电压表.

综上所述,图中的两处错误是:(1)电压表与小灯泡串联连接了;(2)电压表的正、负接线柱接反了.

点评:本题考查正确使用电压表测量灯泡两端电压的技能.解答本题必须记准电压表的使用规则:①电压表要并联在被测电路两端;②使电流从正接线柱流入电压表;③所测电压不能超过电压表的最大测量值.

例3  如图6-3所示,在烧杯中加入盐水,然后将连在电压表上的铜片和锌片插入盐水中,这样就制成了一个电池.观察电压表指针的偏转与接线可知:这个电池的电压是_____V,_____片是它的正极.

(2003年,安徽)

分析与解答:用电压表测量自制电池两极间电压时,电压表的指针正向偏转,说明电流从正接线柱流入电压表,即电压表的正、负接线柱分别是和电池的正、负极相连接的.铜片是电池的正极,锌片是电池的负极.由图6-3可知,测量电池电压时,电压表使用的是0-3V量程,刻度盘上的每个大格表示1V,每个小格表示0.1V,指针指示的电压值为0.3V,即自制的电池的电压为0.3V.

由以上分析可知,自制电池的电压是0.3V,铜片是它的正极.

点评:本题考查正确使用电压表测量自制电池电压的技能和正确读取电压表示数的能力.解题时,依据电压表的使用规则,采用逆推的方法,根据电压表指针偏转方向,判断电压表中的电流方向,进而确定电池的正负极.本题给我们提供了一种用电压表辨别电源正、负极的方法.

例4  如图6-4所示,已知两只灯泡是串联,则在a、b、c三个电表中(电流表或电压表),a以是_____表,b是_____表,c是_____表.

(2002年,兰州)

分析与解答:根据串联电路的结构特点(电路元件逐个顺次连接,电流从电源正极流出经用电器流回负极只有一条通路)和电流表、电压表的使用规则(电流表要串联接入被测电路中,电压表要并联在被测电路两端),在图6-4所示电路中,要满足灯泡串联的条件,电表b 应是电流表,用来测量串联电路中的电流;电表a应是电压表,和灯泡并联,测量两端的电压;电表c应是电压表,和灯泡并联,测量两端的电压.

综上分析可知,在图6-4所示电路中,a是电压表,b是电流表,c是电压表.

点评:本题考查识读电路图的能力和对电流表、电压表的使用规则及串联电路的特点的掌握情况.解题的关键是要知道:①串联电路中,电流从电源正极流出,流回负极只有一条通路,各用电器中的电流相等;②电流表要串联在被测电路中,电压表要并联在被测电路两端.电流表与电压表是测量仪器,它们按使用规则连接在电路中起到的只是测量电流或电压的作用,电路的连接方式不因它们的接入而改变.

在图6-4所示的电路中,若两只灯泡是并联,a、b、c三个电表分别各是什么电表呢?测量的是哪个灯泡的电压或电流?有兴趣的读者不妨分析判断一下.

例5  实验室有一个铅蓄电池组(由三节铅蓄电池组成),电池的两极旁标明的“+”、“-”字样已看不清,某同学已经想出了一种辨认正负极的方法,如下表中的方法一.请你另外设计一种方法(所需器材不限)辨认该电池正负极,并填在表中.  

(2003年,河南省漯河市)

 
所需器材
简要步骤
辨别方法
方法一
电流表、100Ω的定值阻、开关各一个,导线若干
将电流表、定值电阻、开关与电池组连成串联电路
闭合一下开关(试触),观察电流表指针的偏转方向,若电流表指针正向偏转,则与电流表正接线柱相连的为电源的正极
方法二
 
 
 
 
 

分析与解答:辨别电池的正负极,可通过辨别用电池供电的电路中的电流方向来完成.当把用电器接在电池的正负两极时,电流沿着“正极→用电器→负极”的方向流动.当把电流表或电压表接入电路测量用电器的电流或电压时,电流从电表的正接线柱流入,电表指针沿正方向偏转,反之指针沿反方向偏转.根据电表指针偏转方向可判断电路中的电流流向,进而可以判断供电电池的正负极.

可以利用电压表辨认电池的正负极.

所需器材:最大测量值大于6V的电压表,开关各一个,导线若干.

简要步骤:将电压表、开关与电池组连接成电路.

辨别方法:闭合一下开关(试触),观察电压表指针的偏转方向,若电压表指针正向偏转,则与电压表正接线柱相连接的是电池组的正极;

点评:本题属于实验设计题.综合性和开放性都比较强,用于考查灵活应用物理知识解决实际问题的能力.解答此题多采用“转化”的物理思想方法,即把电池组的正负极的辨认问题转化为电路中电流方向的辨认问题,这样就可以应用电流表、电压表等能够分辨电流方向的仪器和工具检测电流及其方向,通过观察电表指针偏转方向(现象),获得电路中电流的方向以及电池组的正负极(不可感知的信息).

解答本题亦可利用发光二极管的单向导电性辨认电池的正负极.

所需器材:能够承受的最大电压值超过6V的发光二极管和开关各一只,导线若干.

简要步骤:将发光二极管、开关与电池组连接起来组成电路.

辨别方法:闭合开关,观察发光二极管的发光情况,若二极管发光,则与发光二极管上标有“+”号的-端相连接的是电池组的正极;若二极管不发光,则与发光二极管上标有“-”号的一端相连接的是电池组的正极.

例6  在电流表和电压表的正确使用方法中,有哪些相同之处,有哪些不同之处?   (2000年,西安)

分析与解答:电流表是用来测量电路中的电流的,电压表是用来测量电路两端的电压或电源电压的,测量电流或电压时都要接入电路中,使用方法有相同之处,也有不同之处.

相同之处是:①把它们连入电路中时,都必须使电流从“+”接线柱流入,从“-”接线柱流出;②被测电流或电压都不能超过电表的最大测量值.

不同之处:①电流表要串联在被测电路中,而电压表要并联在被测电路两端;②电流表的正负接线柱不能直接和电源的正负极相连接,若直接连接,会因电路中电流过大烧坏电流表和电源,电压表的正负接线柱可以直接连接到电源的正负极上测量电源电压.

点评:本题考查正确使用电流表和电压表的实验技能.解题的关键是掌握电流表和电压表的使用规则,并通过比较明确电流表和电压表使用方法的相同之处和不同之处.

解答本题也可使用列表的方法对电流表和电压表使用方法进行比较.

电流表和电压表使用方法的比较

名称
电流表
电压表
使用方法比较
 
不同之处
①串联在被测电路中
②不允许直接接到电源两极上
①并联在被测电路两端
②可以直接接到电源两极上测量电源电压
相同之处
①电流必须从“+”接线柱流进,从“-”接线柱流出
②被测电流和电压不要超过电表量程

[易错例题分析]

例1  在图6-5的下方横线上填上相应的读数.

电压是_____V.                    (2003年,海南)

错解一:电压是0.8V.

错解二:电压是2.8V

警示:出现以上错解的原因是解题不细心,读取数据前没有认真观察确认所用的量程和刻度盘上的分度值(每一小格表示的电压值).读取电压是0.8V的是认为使用的量程是3V,读取电压是2.8V的是认为15V量程在刻度盘上的分度值为0.1V.

正解:电压是4V.

点评:本题考查正确读取电压表示数的能力.读取电压表的示数时,要先根据连入电路的接线柱确认所使用的电压表的量程,然后根据量程确认刻度盘上的分度值,最后根据指针位置读取指针指示的电压值.

例2  在图6-6中,试根据标出的电流方向,把电池组、电流表和电压表三个元件的符号分别填入电路的空缺处,填进后要求:(1)灯泡都能发光;(2)开关只能控制灯泡;(3)电压表测的电压.  

(1999年,四川)

错解:如图6-7甲所示.

警示:出现上述错解的原因是对题中的三个要求顾此失彼,只考虑一个元件连入电路符合题意要求,而不顾另外两个元件连人电路后是否符合题意要求.

正解:由电表的使用规则“电流表要串联在电路中,电压表要并联在电路两端”可知,电流表应和灯泡串联,电压表应与灯泡并联,由图6-6中箭头指示的电流方向,根据电池组外部电路中的电流方向是从电池组的正极流向负极,可得满足题目中的三个要求的电路图,如图6-7乙所示.

点评:本题考查对电路中电流方向的判断能力和使用电流表测电流、使用电压表测电压的技能.解题的关键是:①确认在电源外部电流从电源正极流出经用电器流入负极;②掌握电流表和电压表的使用规则;③正确画出规范的电池组、电流表和电压表的符号.另外,三个电路元件符号填入图中电路的空缺处后,再进行细心的检查,看是否全部符合题目要求,养成良好的学习习惯和解题习惯.

[同步达纲练习]

试题详情

3.电压表量程的选择方法

学生用电压表有两个量程,一个最大可以测量到3V,一个最大可以测量到15V,两个量程共用一个“-”接线柱或“+”接线柱,另两个接线柱分别标有“3”和“15”的字样.

对于未知电压的测量,如果预先不知道被测电压的大约值,但能判定被测电压不会超过15V,可以先用最大测量值为15V的量程;如果测出的电压不超过3V,为提高读数的准确性,可以改用最大测量值为3V的量程进行测量.

在不能预先估计被测电压大小范围的情况下,要先使用最大测量值为15V的量程进行“试触”,进而确定选择使用哪个量程.具体操作步骤是:把标有“+”或“-”的接线柱用导线连接在被测电路的一端,然后用连接在标有“15”字样接线柱的导线线头碰触被测电路的另-端,观察电压表指针的偏转情况,确定选择使用0-3V量程还是选择使用0-15V量程.

试题详情

2.电压的作用

要在一段电路中或-个用电器中产生电流,它的两端就要有电压.电压的作用就是使电路或用电器中形成电流,电源的作用就是给电路或用电器两端提供电压.

要使电路中产生电流,除了电路中有电源供电,即有电源向电路两端提供电压之外,电路还必须是闭合的.电路中有电流时,电路两端一定有电压存在;电路两端存在有电压时,电路中是否有电流,要看电路是否闭合.若电路闭合,电路中有电流;若电路是断开的,电路中不能形成电流.

试题详情


同步练习册答案