0  193415  193423  193429  193433  193439  193441  193445  193451  193453  193459  193465  193469  193471  193475  193481  193483  193489  193493  193495  193499  193501  193505  193507  193509  193510  193511  193513  193514  193515  193517  193519  193523  193525  193529  193531  193535  193541  193543  193549  193553  193555  193559  193565  193571  193573  193579  193583  193585  193591  193595  193601  193609  447090 

5、如图所示电路,电压表V1的示数为9V,电压表V2的示数为4V,电压表V3的示数为7V,则灯L2两端的电压为(   )

A.3V

B.2V

C.4V

D.5V

 

试题详情

4、如图所示的电路中,甲、乙是两只电表,闭合开关S后,两灯都发光,则(   )

A.甲是电流表,乙是电压表

B.甲是电压表,乙是电流表

C.甲、乙都是电流表

D.甲、乙都是电压表

试题详情

3、如图所示电路,电源电压6伏,导线完好,接线处良好。当闭合电键时,两灯均不发光,电压表数为6伏。由此可以判断(   )

A.灯L1和L2都损坏了

B.灯L1的灯丝断了

C.可能是灯L2的灯丝断了

D.灯L1和L2都未损坏

试题详情

2、在如图所示的电路中,当接通开关S后,电压表的示数表示(   )

A.L1两端电压

B.L2两端电压

C.电源电压

D.L1和L2两端电压

试题详情

1、下列关于电压的说法中,不正确的是(   )

A.电压是电路中形成电流的原因

B.只要电路两端有电压,电路中就一定有电流

C.电路中有电流时,电路两端一定有电压

D.电源是提供电压的装置

试题详情

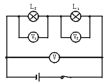
4.如图6-4所示的电路中,电压表V1的示数为2.5 V,电压表V2的示数为3.8 V,则电压表V的示数应为________V。

 

        图6-3             图6-4

试题详情

3.如图6-3是一位同学所连的电路,他要测量L1两端的电压。他的电路有几处错误?请在图上用铅笔线改过来,并画出电路图。

试题详情

2.将图6-2中的蓄电池、开关、灯泡L1和L2串联起来,用电压表V1测L1的电压,用电压表V2测L1和L2串联后的总电压。在图6-2中用铅笔线表示导线画出连接方法,然后画出电路图。

试题详情

1.根据6-1图中的电路画出电路图。

  

      图6-1              图6-2

试题详情

7.如图所示,用电压表测灯泡L两端的电压,如干电池的电压为1.5 V,则两图中电压表V1V2的读数分别是

A.V1为1.5 V,V2为1.5 V

B.V1为1.5 V,V2为零

C.V1为零,V2为1.5 V

试题详情


同步练习册答案