0  194215  194223  194229  194233  194239  194241  194245  194251  194253  194259  194265  194269  194271  194275  194281  194283  194289  194293  194295  194299  194301  194305  194307  194309  194310  194311  194313  194314  194315  194317  194319  194323  194325  194329  194331  194335  194341  194343  194349  194353  194355  194359  194365  194371  194373  194379  194383  194385  194391  194395  194401  194409  447090 

1.对太阳能的直接转化,下列说法中错误的是[  ]

A.用太阳灶将太阳能转化为内能    B.用硅光电池将太阳能转化为电能

C.用光合作用将太阳能转化为化学能    D.上述情况转化都不能直接发生

试题详情

3、导体和绝缘体并没有绝对界限

二、半导体元件
1、各种半导体元件:半导体二极管、光电二极管、热敏电阻、发光二极管、三极管及集成电路
2、实验
   二极管的单向导电特性
三、半导体的应用
 

试题详情

2、半导体

试题详情

1、导体和绝缘体

 
导体
绝缘体
定义
 
 
种类
 
 
作用
 
 
原因
 
 
联系
 

试题详情

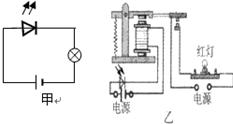
2、演示实验:光控照明电路

思路与技巧:

根据光电二极管的特性,光照射光电二极管时,光电二极管导通,被控制的灯泡发光,此时的光电二极管相当于一个开关.其原理图如图甲.但光电二极管的工作电流较小,直接将光电二极管与灯泡串联,容易烧坏光电二极管;因此,电路设计应运用电磁继电器以小电流控制大电流.其设计图如图乙

根据板书,学生小结

补充作业:小雨学习发光二极管时提出:灯泡发光的亮暗可用滑动变阻器调节,发光二极管的亮暗也可用滑动变阻器调节。你认为这个结论是否正确?

请设计实验进行探究。写出器材、步骤和结论。

1、导热性、导电性、磁性、密度、比热容、弹性、硬度、延展性、透光性、状态等
2、金属、无机非金属、有机高分子材料及复合材料
根据导电性可分为:导体、半导体及绝缘体。
 
 1、读课本P165内容,了解材料按导电性分为导体、半导体及绝缘体三大类。导电性介于导体和绝缘体之间,而且电阻随温度的增加而减小,这种材料叫做半导体。常见的半导体材料有:硅、砷化镓、锑化铟、锗等.学会设计判断导体与绝缘体的实验装置电路图,并用身边材料进行实验


绝缘体在一定条件下可以变成导体!
 
 
1、观察教师展示的各种半导体元件,并对照课本P166内容,初步认识各种半导体元件及其某些特点。
2、明确实验的器材、电路及步骤。对实验观察、记录,分析得出实验结论。
(半导体二极管仅允许电流从其正极流入,这种特性叫做半导体二极管的单向导电性)。

1、看课本P167-168页,了解半导体的应用。

依据板书,归纳总结器材:一号干电池2节;200Ω滑动变阻器1只;单刀开关1只;发光二极管1只;导线若干.
 
 
 
 

步骤:①按图所示那样,把电路连接起来.接通开关,观察发光二极管是否发光.②用滑动变阻器改变串联在电路中的电阻,观察发光的变化.当滑片向a端滑时,发光二极管变亮.结论:发光二极管的亮暗可用滑动变阻器调节.电路中的电阻增大,电流减小,发光二极管变暗;电路中的电阻减小,电流增大,发光二极管变亮.
板书设计
 

§19-2  半导体

试题详情

1、让学生看课本P167-168页,通过“太阳能电池、条形码扫描器、微处理器、机器人”等内容,了解半导体的应用。

试题详情

2、演示实验:

探究半导体二极管单向导电特性

仪器与器材:电源、半导体二极管V、电阻R、灯泡、导线、接线板、接线柱.

实验电路,如右图所示.

步骤:(1)取一个电阻R和一个半导体二极管V,分别接成如图中(a)、(b)所示电路.闭合开关,观察灯泡发光情况.(2)把电池的正、负极互相调换后,将变成如图中(c)、(d)所示的电路.闭合开关,观察灯泡发光情况.

分析得出结论

试题详情

1、展示各种半导体元件:半导体二极管、光电二极管、热敏电阻、发光二极管、三极管及集成电路等

试题详情

3、导体和绝缘体并没有绝对界限

 
二、半导体元件
1、各种半导体元件:半导体二极管、光电二极管、热敏电阻、发光二极管、三极管及集成电路
2、实验

二极管的单向导电特性
 
 
三、半导体的应用

教学反思

教学参考

半导体和半导体二极管

   (1)半导体

我们知道,容易导电的物体叫做导体,不容易导电的物体叫做绝缘体。其实,导体和绝缘体之间的界限。绝缘体并非绝对不导电,只是绝缘体的电阻率很大。在室温下,金属导体的电阻率一般约为10-8-10-6 Ω·m  ,绝缘体的电阻率一般约为108-1018Ω·m。如果给长为lm、横截面积为1×10-4m2的一段绝缘体两端加上1V电压,通过的电流仅为10-14-10-4A。

   有些材料,它们的导电性能介于导体和绝缘体之间,而且电阻不随温度的增加而增加,反而随温度的增加而减少,这种材料叫做半导体,半导体的电阻率约为10-5-106  Ω·m。锗、硅、砷化镓、锑化铟等都是半导体材料。半导体的导电性能可以由外界条件所控制,如改变半导体的温度,使半导体受到光照,在半导体中加入其它微量杂质,都可以使半导体的导电性能成百万倍地发生变化。这种性能是导体和绝缘体所没有的。

   正因为半导体具有这种特性,人们用半导体制成了热敏电阻、光敏电阻、晶体管等各种电子组件,并且发展成为集成电路。把晶体管以及电阻、电容等组件,同时制作在很小的一块半导体芯片上,并且把它们按照电子线路的要求连接起来,使之成为具有一定功能的电路,这就是集成电路。在超大规模集成电路中,在面积比小拇指的指甲还小的一块半导体芯片上可以集成上百万个电子组件。集成电路的制成开辟了微电子技术的时代。

   随着微电子技术的发展,使电子计算机得以更新换代。20世纪40年代人类发明的第一台庞大的电子计算机重约30t,发展成为今天日益普及的个人计算机,可以随身携带。个人计算机中的处理器(包括运算器和控制器)、内存都是由大规模集成电路的。半导体在现代科学技术中发挥了重要的作用。

   (2)半导体二极管

①半导体二极管PN结的形成N型半导体的多数载流子是电子,P型半导体的多数载流子是空穴(靠空穴导电,空穴的正向移动等效于正电荷的移动)。把N型和P型半导体结合在一起后,N型半导体的多数载流子电子将向P型半导体一边扩散,P型半导体的空穴将向N型半导体一边扩散。其结果是使N型和P型半导体的交界面两侧形成带电薄层A和B,且A带正电,B带负电。产生一个电场,如右图所示。

这个电场,阻碍P型半导体内的空穴和N型半导体的电子向对方扩散。开初,这个电场较弱,阻碍作用较小;随着扩散的继续,这个电场不断增强,A、B薄层的厚度不断增加,使扩散逐渐减弱;最后达平衡时,这个电场的大小不再增加,薄层的厚度也不再变,这就是PN结,又叫阻挡层。

   PN结是半导体二极管的基本结构。从P、N型半导体的两端各接出引线,把P型端(二极管的正极)接在电池正极上,N型端(二极管的负极)接在电池负极上,这叫给二极管加上正向电压,二极管中的电流较大。因为外加的正向电压,在PN结中产生的电场与PN结原来存在的电场方向相反,如右图甲所示,而且外加电场比PN结电场大。这两个电场迭加后的电场是由P端指向N端的,使PN结电场削弱,阻挡层厚度减小,电阻也就减小了。P型端的空穴和N型端的电子在外加电场作用下不断地移向交界处,通过交界面形成电流。随着外加的正向电压增大,PN结中外加电场变得更强,进一步减弱PN结原来的电场,电阻更减小,所以正向电流随着外加的正向电压增加而迅速增大。其正向电流随电压变化的伏安

特性曲线如右图所示。甲阻挡层变薄

当把P型端接电池负极上,N型端接电池正极,即给二极管加上反向电压,

这时二极管中的电流很小。因为外加的反向电压的电场与PN结产生的电场与

PN结电场方向相同,如上图乙所示。两个电场迭加的结果,加强了阻止空穴

和电子通过接口形成电流的作用,阻挡层厚度增加,电阻变得很大,所以电流很小。

   不同半导体材料和不同结构、工艺制成的半导体二极管,其伏安特性曲线是有差异的,正向电流随正向电压上升的快慢程度,各不相同,但伏安特性曲线的基本形状是相似的。

   ②常用半导体二极管介绍

   半导体二极管是用半导体晶体材料制成的,所以又称晶体二极管。半导体器件中,第一个应用到电子线路中的是半导体二极管。它是具有一个PN结的非线性组件。半导体二极管的两个电极之间的正反向电阻和反向电阻相差很大,所以,它具有单向导电性。

   半导体二极管可以用在检波器、鉴频器和整流电路中,也可以用在其它电路中。半导体二极管在收音机、录音机、电视机和其它家用电器中以及各种电子仪器设备中,都是不可缺少的组件。

   半导体二极管的体积很小。由于半导体二极管本身不需要供电就可以接入电路工作。这就省掉了许多组件,简化了电路,从而缩小了整机体积。半导体二极管种类、型号很多。常见的几种半导体二极管的外形如图所示。图上方是半导体二极管的符号,符号上箭头的指向表

示允许电流通过的方向。图中a为玻璃管封装型,b为塑料封装型,c

为金属封装型,d为大型金属封装管,它可以直接用螺母固定在线路

板上。

   半导体二极管在结构工艺上有点接触型、面接触型之分。一般来

说,点接触型适合用小信号电路,用在频率比较高,但允许通过的电

流较小。面接触型允许通过的大电流,主要作大功率整流管。半导体

二极管按材料来分有锗二极管和硅二极管两大类。半导体二极管有

两根引线,分正极和负极。小型管可以焊接在印刷板上;而大型管只有一个引出焊接端,另一极与螺丝相通。根据用途不同常用二极管可分下列几类:

普通二极管:用在检波、鉴频、限幅和其它小电流整流电路中。如2APl-2AP9(锗管)

2CPl-2CP20(硅管)等。

   整流二极管:用在电源设备的整流电路中。如2CZll-2CZ27(硅管)等。

   稳压二极管:用在电源供给电路中,稳定电压值。如2CWl-2CWl0(硅管)等。

   开关二极管:用在快速变换的开关电路、脉冲电路及超高频电路中。如2AKl-2AK(锗管)等。

   发光二极管:主要用作指示灯。它具有体积小,工作电压低,工作电流小,发光均匀稳定响应速度快,以及寿命长等优点。

③半导体二极管的单向导电特性

   半导体二极管的这种特性,可用前面所述的二极管伏安特性曲线来进一步描述。如右图所示,图中的坐标O点,表示当二极管两端不加电压时,没有电流通过。当二极管加上正向电压时,就有正向电流通过。图中的OA段较平坦,说明这一段范围内,随正向电压增加

二极管电流增加甚微。AB段曲线很陡,电流与电压的关系近似直线关系。对应于B点的电流IF叫做二极管的额定工作电流,或称最大整流电流。实际应用时,如果电流超过额定值IF,,二极管发热太多,一旦超过额定温度(一般规定硅管为1400C),PN结就会烧毁。B点的电压UF为二极管额定电流时的正向管压降。

   当二极管加上反向电压时,PN结阻挡层厚度加宽,二极管呈现很大的反向电阻,即处于截止状态。但在反向电压作用下,仍会有很小的反向电流,只不过由于载流的数量有限,反向电压虽有增加,反向电流几乎不变,如图中OC段曲线所示。反向电流IR可叫做反向饱和电流,反向饱和电流大则说明二极管的单向导电性能差。显然,反向饱和电流越小越好,一般硅二极管约在几十微安以下,锗二极管约几百微安。反向饱和电流受温度影响也极大,它随温度升高而急剧增加。

   当二极管反向电压超过UR,如图中c点所示,反向电流急剧增大,二极管被反向击穿,UR叫反向击穿电压。反向击穿电压也和环境温度关系极大,随温度升高,反向击穿电压将降低。

   额定电流IF,正向管压降UF,反向饱和电流IR和反向击穿电压UR是二极管的四个最基本的参数都可从半导体手册中查到,在使用二极管时,IF和UF都应留有余量。

太阳电池与“风云一号”气象卫星

   太阳电池是半导体材料典型应用之一。太阳电池是利用“当光照射到某些半导体时,半导体内将会产生电流”的特性制成功的。它是一种不用燃料、不污染环境、对人体健康无害的电源。

   在大多数人造卫星上,都以太阳电池为主电源,以镉一镍电池作为储能电源。当卫星飞到对着太阳一面时,用太阳电池供给卫星使用的电能,并给镉一镍电池充电;当卫星飞到背着太阳一面时,太阳电池不能工作,此时的卫星便使用镉一镍电池供电。

   气象卫星是通过其携带的仪器装置进行气象观察和气象通信的卫星,按其轨道分为两种:一种是极轨气象卫星,一种是静止气象卫星。极轨气象卫星,是近极地太阳同步轨道卫星的简称。极轨,是指卫星运行轨道通过地球南、北极地区。一颗极轨卫星,12h即可观察全球一遍。静止卫星指的是卫星位于赤道上空3.6×104km处,24h绕地球一周,与地面相对静止。

   我国1988年9月7日用“长征4号”运载火箭在太原卫星发射中心发射的第一颗气象卫星“风云一号”是极轨卫星。“风云一号”气象卫星质量近u,本体是一个六面体,星体两侧分别装有三块太阳电池帆板,共有14000片太阳电池,可提供约800W输出功率。太阳电池帆板电池展开后,卫星的总长约8.6m。卫星轨道高度约900km,倾角990周期约102min,偏心率小于0.005。

   卫星可探测白天和夜间的云图、地表图像、海洋水色图像、水体边界、海洋表面温度、冰雪覆盖及植被生长。主要任务是获取全球气象信息,并向全世界气象卫星地面站发送气象资料。

试题详情

2、半导体

试题详情


同步练习册答案