0  195748  195756  195762  195766  195772  195774  195778  195784  195786  195792  195798  195802  195804  195808  195814  195816  195822  195826  195828  195832  195834  195838  195840  195842  195843  195844  195846  195847  195848  195850  195852  195856  195858  195862  195864  195868  195874  195876  195882  195886  195888  195892  195898  195904  195906  195912  195916  195918  195924  195928  195934  195942  447090 

9.如图8-22所示,R1=60 Ω,滑动变阻器R2的最大阻值是100 Ω,电源电压为32 V,移动滑动变阻器滑片P,电压表读数的最小值和最大值分别是

A.0,20 V

B.0,10 V

C.12 V,20 V

D.6 V,10 V

试题详情

8.电阻R1R2串联,如果R2两端的电压是总电压的,则R1R2的阻值之比是

A.1:6

B.6:1

C.1:5

D.5:1

试题详情

7.如图8-21所示,当S闭合,滑动变阻器的滑片向左移动时,则

A.电流表和电压表的示数增大

B.电流表和电压表的示数都减小

C.电流表示数不变,电压表示数增大

D.电流表示数增大,电压表示数减少

试题详情

6.两个电阻R1R2=1:3,将它们串联后接到某一电源上,R1两端的电压是2 V.那么这个串联电路两端的总电压是

A.2 V

B.4 V

C.6 V

D.8 V

试题详情

5.如图8-20所示电路,电压表的读数分别为7 V和14 V,已知R1R2,那么A、B两点间的电压为____V.

试题详情

4.长短粗细都相同的铁丝和镍铬合金丝,它们的电阻之比是1:10,当它们串联在同一电路时,通过它们的电流之比是____,它们两端的电压之比是____.

试题详情

3.甲灯电阻是乙灯的2倍,把它们串联在6 V的电路里,通过甲灯的电流是0.5 A,那么通过乙灯的电流是____A,乙灯两端的电压是____V.

试题详情

2.每秒有0.3 C的电量通过甲灯,每分钟通过乙灯的电量是6 C,那么通过甲灯和乙灯的电流之比为____,可以断定,甲灯和乙灯不可能是____联的.

试题详情

1.某电路两端电压为12 V,接入一个电阻后电流为0.75 A,该电阻阻值是____,要使电路中电流减至0.25 A,应____联一个____Ω的电阻.

试题详情

3.串联电路电流、电压、电阻的特点

电路图
电流
电压
电阻

串联电路中各处电流相等,即I1I2I
串联电路两端的电压等于各部分电路两端的电压之和,即
UU1+U2
串联电路的总电阻等于各串联电阻之和,即
RR1+R2

根据串联电路中电流、电压、电阻的特点,由I1I2I1I2得到,所以U1U2R1R2.该式表明,在串联电路中,电压的分配跟电阻成正比,利用这个特点解决某些问题有时很方便.

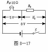
例1.有一只电铃,它正常工作时,电压是5 V,若电铃的电阻为10 Ω,电源电压是8 V.要使电铃正常工作,需要串联一个多大的电阻?

解法一:先根据题意画出电路图,并标示已知量和待求量,如图8-17所示,根据欧姆定律,I1=0.5A.根据串联电路特点I1I2=0.55A,U2UU1=8V-5V=3V,R2=6Ω.

解法二:先求整个电路的总电阻R,根据串联电路特点:II1=0.5A;根据欧姆定律,R=16Ω,需要串联的电阻为R2RR1=16Ω-10Ω=6Ω解法三:根据串联电路中电压的分配与电阻成正比,即,可得R2R1×10Ω=6Ω

说明:在解答串联电路的题目时,一方面要运用串联电路特点处理好局部和整体的关系,另一方面,运用欧姆定律时一定要明确研究哪段电路,代入数据时,单位要统一.

例2.如图8-18所示,已知R1=2Ω,R3=7Ω,V1的示数是4 V,V2的示数是8 V,求R2及电流表的示数和A、B两端的电压.

解析:设电阻R1R2R3两端的电压分别为U1U2U3,通过三个电阻的电流强度为IAB两端的电压为UAB,根据串联电路的特点及欧姆定律有:U1+U2=4 V,U2+U3=8 V,即IR1+IR2=4 V,IR2+IR3=8 V,解得:I=0.8 A,R2=3 Ω.而UABI(R1+R2+R3),即UAB=0.8 A(2 Ω+3 Ω+7 Ω)=9.6 V.

方法指导:本题考查学生运用欧姆定律及串联电路特点的能力.解题关键一是重视电路图在电路计算中的作用;二是处理问题时简化电表的作用,去掉电流表时,可将电流表看成导线;去掉电压表时,可将电压表处看做断路.三是正确运用欧姆定律及串联电路特点.

例3.如图8-19所示,电源电压不变,R1阻值恒定,滑片P向右移动,电路中电流表A和电压表V1V2的示数各发生什么变化?

解析:由图可知,电路的总电阻R是定值电阻R1和滑动变阻器有效电阻R2′之和.当滑动变阻器的滑片P向右移动时,使R2′增大而引起电路的R增大,根据欧姆定律可知,电路的总电流减小.由于电源电压不变,且等于定值电阻R1的电压U1和滑动变阻器有效电阻R2′的电压U2之和,又因UI·R,当电流I减小时,U1I·R1就将减小.根据UU1+U2可知,U2就增大.即电流表A示数减小,电压表V1的示数减小,电压表V2的示数增大.

方法指导:在电路中有滑动变阻器时,移动变阻器滑片会改变电路的电阻,也会影响电压和电流的变化.解答这一类问题时,要注意弄清楚滑片移动时,哪些量变化,哪些量保持不变,要抓住不变量,根据学过的有关规律顺次分析变化量.通常,题目中电源两端的电压可以认为是不变的,各部分的电压、电流及总电阻可能变化.切不可只分析各自的规律而不建立各规律间的联系,以免顾此失彼,产生错误.

[同步达纲练习]

试题详情


同步练习册答案