0  246132  246140  246146  246150  246156  246158  246162  246168  246170  246176  246182  246186  246188  246192  246198  246200  246206  246210  246212  246216  246218  246222  246224  246226  246227  246228  246230  246231  246232  246234  246236  246240  246242  246246  246248  246252  246258  246260  246266  246270  246272  246276  246282  246288  246290  246296  246300  246302  246308  246312  246318  246326  447090 

4. 一个T型电路如图所示,电路中的电,  .另有一测试电源,电动势为100V,内阻忽略不计。则(  )

A. 当cd端短路时,ab之间的等效电阻是40

  B. 当ab端短路时,cd之间的等效电阻是40

C. 当ab两端接通测试电源时, cd两端的电压为80 V

D. 当cd两端接通测试电源时, ab两端的电压为80 V

试题详情

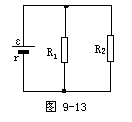
3. 如图9-13所示电路中,r是电源的内阻,R1R2是外电路中的电阻,如果用PrP1P2分别表示电阻rR1R2上所消耗的功率,当R1=R2=r时,PrP1P2等于   (   )

A. 1∶l∶1            B. 2∶1∶1

C. 1∶4∶4            D. 4∶l∶1

试题详情

2. 某同学将一直流电源的总功率PE、输出功率PR和电源内部的发热功率Pr随电流I变化的图线画在了同一坐标上,如图中的a、b、c所示.以下判断正确的是(  )

   A.直线a表示电源的总功率

   B.曲线c表示电源的输出功率

   C.电源的电动势E=3V,内电阻r=1Ω

D.电源的最大输出功率Pm=9W

试题详情

1. 如右图所示是某电源的路端电压与电流的关系图象,下面结论正确的是(  )

A. 电源的电动势为6.0 V

B. 电源的内阻为12Ω

C. 电源的短路电流为0.5A

D. 电流为0.3A时的外电阻是18Ω

试题详情

28.读部分地区海平面等压线分布示意图,回答下列问题:(16分)

   (1)该图表示的是    (1或7)月海平面等压线分布状况。B气压中心的名称是      ,形成原因是                   

   (2)如图所示,南回归线附近的气压带为         。3个月后,全球的气压带风带向    移动。

(3)此季节D处盛行      风,C处盛行  风,C处夏季风形成原因                 。故季风气候的形成原因除           外,还有               。

(4)D点的降水类型主要有:           (双项选择)。

   A.锋面雨   B.地形雨   C.对流雨   D.台风雨

(5)我国黑龙江北部是世界上水稻种植纬度最高的地区,其主要原因是:   (选择填空)。

   A、该地区地处小兴安岭迎风坡,降水较多

   B.该地区位于大兴安岭的背风坡,气温较高

   C、受夏季风影响,该地区夏季高温多雨

   D、该地区受低气压控制,降水较多

试题详情

27.比较下面四幅图(注:乙、丙、丁三图中,阴影区为黑夜),回答问题。(22分)

(1)图丙此时太阳直射点的地理坐标是           ,此时A的正午太阳高度是         

(2)图乙中A、O、C三点中,地转偏向力最大的是   点,自转线速度最大的是    点,C点的昼长为   小时,A点的日出时间是    点钟,此时A点的人影朝     方向。

(3)一年之中,晨昏线与经线重合的日期是__________________________。在地球上,晨昏线移动方向与地球自转方向___________。

(4)赤道上晨昏线相距经度     度。理论上地球白昼和黑夜范围相等,但由于大气散射太阳光线的结果,地球上“天亮”的范围,实际上比黑暗的地方      

(5)这四幅图中,北半球昼大于夜的图是:          。

(6)甲图中北京是          时,丙图中北京是       时,此时与北京同一日期的地区共跨    时区。

试题详情

26.画一幅6月22日北京时间为14时的日照图,要求如下。   (12分)

(1)在北极点附近画出地球围绕地轴自转的方向。

(2)点出直射点M并写出其地理坐标。

              

(3)画出三条光线(直射光线和与地球相切的两条光线)。 (4)画出晨昏线并标明是晨线还是昏线,用阴影表示出夜 半球的范围。

(5)此日正午太阳高度的分布规律是                 

试题详情

读地球大气垂直分层图(部分),完成23-25题。

23.①②③④四条曲线中,正确表示大气层气温垂直分布    情况的是   (  )

A.①         B.②      

  C.③         D.④

24.影响该大气层气温垂直变化的主要因素是           (   )

A.地面辐射      B.CO2气体吸收地面辐射

C.臭氧吸收紫外线   D.人类活动

25.有关图示大气层正确的叙述是    (   )             

A.有电离层,对无线电通讯有重要作用

B.天气晴朗,对流旺盛,利于高空飞行

C.上部冷下部热,空气以平流运动为主

D.顶部与底部的气温相差50℃左右

试题详情

2008年9月27日北京时间16时44分,太阳非常平静,航天员翟志刚走出“神舟七号”舱门,实现了中国历史上首 次太空行走。下图是“神舟七号绕地球运行轨道示意图”,读图完成21-22题。

21.翟志刚出舱时下列现象正确的是:(   )

①黑色的天空上满天繁星 

②进入了天然的氧吧

③太阳照射下船体明亮   ④阴雨雾天气

A.①②          B.②③  

C.①③          D.②④

22.飞船绕地球运行周期是90分钟,图示时刻地球上180°经线正对远地点,下列说法正确的是:                    (   )

①飞船绕地球一周后,正对近地点的经线度数是22.5°E  ②飞船绕地球一周后,正对近地点的经线度数是22.5°W    ③飞船绕地球运行在远地点速度快  ④飞船绕地球运行在近地点速度快

A.①②        B.②③       C.①③       D.②④   

试题详情

右图为江苏某校(119°E)地理课外活动小组利用观测杆影的方法记录、绘制出的当地一年内正午杆影长度变化示意图(图中①②③④点表示北半球二分二至日正午时的杆影长度和朝向),读图回答19-20题。

19.正午杆影由②→④变化期间,兴趣小组在观测点可观察到的现象有:(   )

A.日出杆影朝向先向北偏,后向南偏    B.正午太阳方位先向南移,后向北移

C.昼长与夜长的时差先减少,后增大    D.正午杆影长度先变短,后变长

20.当正午杆影位置如①时,下列现象中可能会出现的是:      (   )

A.黄赤交角会变小         B.北京日出时间比广州早

C.南极地区科考人员忙于工作    D.地中海海滨游客如云,享受着阳光沐浴

试题详情


同步练习册答案