0  258368  258376  258382  258386  258392  258394  258398  258404  258406  258412  258418  258422  258424  258428  258434  258436  258442  258446  258448  258452  258454  258458  258460  258462  258463  258464  258466  258467  258468  258470  258472  258476  258478  258482  258484  258488  258494  258496  258502  258506  258508  258512  258518  258524  258526  258532  258536  258538  258544  258548  258554  258562  447090 

5.下列命题错误的是(   )

A.命题“若,则方程有实根”的逆否命题为:“若方程无实根,则”。

B.“”是“”的充分不必要条件。

C.命题“若,则中至少有一个为零”的否定是:“若,则都不为零”。

D.对于命题,使得;则,均有

试题详情

4.如图是某几何体的三视图,其中正视图是腰长为2的等腰三角形,

俯视图是半径为1的半圆,则该几何体的体积是(   )

A.    B.  C.    D.

试题详情

3.在边长为1的等边中,设,则(   )

  A.      B.0      C.      D.3

试题详情

2.某中学高一年级有学生1200人,高二年级有学生900人,高三年级有学生1500人,现用分层抽样的方法从中抽取一个容量为720的样本进行某项调查,则高二年级应抽取的学生数为(   )

A.180        B.240       C.480       D.720

试题详情

1.集合(其中i为虚数单位),,且,则实数的值为  (   )

A.        B.       C.      D.

试题详情

20.一块N型半导体薄片(称霍尔元件),其横载面为矩形,体积为b×c×d,如图所示。已知其单位体积内的电子数为n、电阻率为ρ、电子电荷量e.将此元件放在匀强磁场中,磁场方向沿Z轴方向,并通有沿x轴方向的电流I

(1)此元件的CC/两个侧面中,哪个面电势高?

(2)试证明在磁感应强度一定时,此元件的CC/ 两个侧面的电势差与其中的电流成正比

(3)磁强计是利用霍尔效应来测量磁感应强度B 的仪器。其测量方法为:将导体放在匀强磁场之中,用毫安表测量通以电流I,用毫伏表测量C、C/间的电压U CC’, 就可测得B。若已知其霍尔系数。并测得U CC’=0.6mV,I=3mA。试求该元件所在处的磁感应强度B的大小。

试题详情

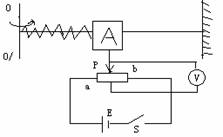
19.如图所示为一种加速度仪的示意图。质量为m的振子两端连有劲度系数均为k的轻弹簧,电源的电动势为E,不计内阻,滑动变阻器的总阻值为R,有效长度为L,系统静止时滑动触头位于滑动变阻器正中,这时电压表指针恰好在刻度盘正中。求:

⑴系统的加速度a(以向右为正)和电压表读数U的函数关系式。

⑵将电压表刻度改为加速度刻度后,其刻度是均匀的还是不均匀的?为什么?

⑶若电压表指针指在满刻度的3/4位置,此时系统的加速度大小和方向如何?

试题详情

18.角速度计可测得航天器自转的角速度ω,其结构如图所示,当系统OO1转动时,元件A在光滑杆上发生滑动,并输出电信号成为航天器的制导信号源.已知A质量为m,弹簧的劲度系数为k,原长为Lo,电源电动势为E,内阻不计.滑动变阻器总长为L,电阻分布均匀,系统静止时滑动变阻器滑动触头P在中点,与固定接头Q正对,当系统以角速度ω转动时,求:

(1)弹簧形变量x与ω的关系式;

(2)电压表的示数U与角速度ω的函数关系.

试题详情

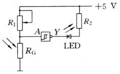
17、如图所示,当光敏电阻RG受到光照时,阻值______,非门输入端A出现_____电平,输出端Y出现______电平(填“高”或“低”),发光二极管LED反向截止,_____发光(填“能”或“不能”),当把光遮住时,RG阻值增大,输入端A出现____电平,Y端是_____电平(填“高”或“低”),二极管正向导通____发光(填“能”或“不能”,)达到路灯白天不亮晚上亮的目的。

试题详情

16、如图所示,由电源、小灯泡、电阻丝、开关组成的电路中,当闭合开关S后,小灯泡正常发光,若用酒精灯加热电阻丝时,发现小灯泡亮度变化是___________,发生这一现象的主要原因是________

A.小灯泡的电阻发生了变化

B.小灯泡灯丝的电阻率随温度发生了变化

C.电阻丝的电阻率随温度发生了变化

D.电源的电压随温度发生了变化

试题详情


同步练习册答案