0  260372  260380  260386  260390  260396  260398  260402  260408  260410  260416  260422  260426  260428  260432  260438  260440  260446  260450  260452  260456  260458  260462  260464  260466  260467  260468  260470  260471  260472  260474  260476  260480  260482  260486  260488  260492  260498  260500  260506  260510  260512  260516  260522  260528  260530  260536  260540  260542  260548  260552  260558  260566  447090 

2.如图所示,一个闭合线圈套上条形磁铁靠近N极这一端,当在线圈中通以图示方向的电流I时,则            (   )

A.线圈圆面将有被拉大的倾向

B.线圈圆面将有被压小的倾向

C.线圈将向上平移

D.线圈将向S极一端平移

试题详情

1.如图所示水平面上固定一个由均匀金属杆制成的“”导轨=370,匀强磁场的方向与导轨所在平面垂直,磁感应强度B=0.4,另一根保持与导轨接触良好,并保持与杆垂直。用水平拉力向右拉动,使其从点起以的速度向右匀速运动。金属杆和导轨的电阻都是,其余电阻忽略不计。求回路中的电流和拉力随时间而变化的关系式,并在下面的坐标系中分别做出图像和图像,标出必要的坐标值。

  

试题详情

4、电磁感应的过程实质上是不同形式能量转化的过程,电磁感应过程中产生的感应电流在磁场中必定受到安培力的作用,而要维持安培力存在,必须有其它力克服安培力做功,即其它形式的能转化为电能。克服安培力做多少功,就有多少其它形式的能转化为电能。当感应电流通过用电器,电能又转化为内能。由此可见该过程中的能量转化特点为:机械能其它能→电能→内能(焦耳热)。因此,在处理有关电磁感应的内能问题时,可以通过能量守恒定律进行。求解的基本思路是,首先进行正确的受力分析,判断哪些力做功,并确定是正功还是负功,进而明确有哪些形式的能量参与转化,哪增哪减,最后根据能量守恒定律列出方程求解.

[思想方法]

[例1]如图所示,当滑动变阻器滑动触头向左移动时,右边导轨上导体棒MN向右移动,则a、b两点和c、d两点电势关系是     (  )

A. B.

C. D.

[解析]滑动变阻器滑动触头向左移动时,变阻器连入电路的电阻增加,使得变压器初级线圈电流减小,通过铁芯的磁通量减小,则在次级线圈中产生感应电流. 由于导体棒MN向右移动,则根据左手定则容易判断导体棒中电流向下,则有,进一步由安培定则可知此时右边线圈中磁场方向向上;根据楞次定律可以判断左边线圈中磁场方向应该是向下的,同样由安培定则可知左边线圈中电流是从b点进入的,即有,因此本题正确答案为C.

[例2]如图所示为两个同心闭合线圈的俯视图,若内线圈通有图示方向的电流I1,则当I1增大时,外线圈中的感应电流I2的方向及I2受到的安培力F方向分别是:(   )

   A. I2顺时针方向,F沿半径指向圆心

   B. I2顺时针方向,F沿半径背离圆心向外;

   C. I2逆时针方向,F沿半径指向圆心;

   D. I2逆时针方向,F沿半径背离圆心向外        

  [解析]当小线圈中通有如图所示的电流I1时,大线圈内含有小线圈中的内磁场和外磁场,且合磁场方向指向纸里。当小线圈中电流增强时,大线圈内的合磁通会增大,因此大线圈中的磁通要阻碍它的增加,产生的感应电流的磁场方向指向纸外,故大线圈中的感应电流方向沿逆时针方向。当大线圈面积变大时,它包含的小线圈的外磁通会变大,从而可以抵消小线圈内部的磁通,故可以阻碍大线圈内磁通量的增加,故大线圈面积要变大,它受到的安培力F应背离圆心向外,如图所示。故本题答案选D。

[例3]如图所示,等腰三角形内分布有垂直于纸面向外的匀强磁场,它的底边在x轴上且长为2L,高为L。纸面内一边长为L的正方形导线框沿x轴正方向做匀速直线运动穿过匀强磁场区域,在t=0时刻恰好位于图中所示的位置。以顺时针方向为导线框中电流的正方向,在下面四幅图中能够正确表示电流-位移(I-x)关系的是         (  )

[解析]线圈向x轴正方向运动L位移的过程中,有效切割长度均匀增加;在位移大于L且小于2L的过程中,线圈右边有效切割长度均匀减小,线圈左边有效切割长度均匀增加,因此整个线圈有效切割长度减小,且变化率为前一段时间的两倍;在位移大于2L且小于3L的过程中,与第一段运动中线圈产生的感应电流等大反向,故A对。

[例4]两根相距为L的足够长的金属直角导轨如图所示放置,它们各有一边在同一水平内,另一边垂直于水平面。质量均为m的金属细杆abcd与导轨垂直接触形成闭合回路,杆与导轨之间的动摩擦因数均为μ,导轨电阻不计,回路总电阻为2R。整个装置处于磁感应强度大小为B,方向竖直向上的匀强磁场中。当ab杆在平行于水平导轨的拉力F作用下以速度V1沿导轨匀速运动时,cd杆也正好以速度V2向下匀速运动。重力加速度为g。以下说法正确的是     (  )

A.ab杆所受拉力F的大小为μmg+; B.cd杆所受摩擦力为零;

C.回路中的电流强度为;   D.μV1大小的关系为μ=

[解析] cd杆的速度方向与磁感应强度平行,只有ab杆运动使回路内的磁通量发生变化。根据闭合电路的欧姆定律及法拉第电磁感应定律

则回路中电流

ab杆和cd受力分别如图甲、乙所示。

由图甲可知:水平受力平衡

竖直受力平衡

  由以上各式可得拉力 

  由图乙可知,水平受力平衡 , 竖直受力平衡

故  杆与导轨之间的动摩擦因数

[例5]如图所示,水平放置的平行导轨上连有电阻R,处于竖直方向的匀强磁场中.现由静止开始用力拉垂直导轨放置的金属棒ab向右运动.若拉力的大小恒定,经过一段时间后棒的速度为v,加速度为a1,最终速度可达3v。若拉力的功率恒定,经过一段时间后棒的速度为v,加速度为a2,最终速度仍可达3v。求a1a2之比。

[解析]设磁场的磁感应强度为Bab棒的长度为L,质量为m. 金属棒运动时感应电动势为 E=BLv,回路中的电流I=,则金属棒所受安培力.

用恒力时,设恒力的大小为F,当棒的速度为v,加速度为a1时,由牛顿第二定律得:F=ma1

达到最终速度时,由平衡条件得:  F=      

则得  a1=

力的功率恒定时,设力的功率为P,当棒的速度为v,加速度为a2时,由牛顿第二定律得:

=ma2                                         

达到最终速度时,由平衡条件得:=       

解得:a2=

故   =

[例6]如图所示,轻绳绕过轻滑轮连接着边长为L的正方形导线框A1和物块A2,线框A1的电阻为R,质量为M,物块A2的质量为m(M>m),两匀强磁场区域I、II的高度也为L,磁感应强度均为B,方向水平与线框平面垂直。线框ab边距磁场边界高度为h。开始时各段绳都处于伸直状态,把它们由静止释放,ab边刚穿过两磁场的分界线CC进入磁场II时线框做匀速运动。求:

  (1)ab边刚进入磁场I时线框A1的速度v1

  (2)ab边进入磁场II后线框A1所受重力的功率P

  (3)从ab边刚进入磁场II到ab边刚穿出磁场II的过程中,线框中产生的焦耳热Q.

[解析](1)由机械能守恒定律,有:  ① 

    解得:            ② 

    (2)设线框ab边进入磁场II时速度为,则线框中产生的电动势:

                     ③

    线框中的电流         ④ 

    线框受到的安培力    ⑤ 

    设绳对A1A2的拉力大小为T则:

    对A1T+F=Mg              ⑥ 

    对A2T=mg                ⑦

    联立⑤⑥⑦解得:     ⑧

            ⑨

  (3)从ab边刚进入磁场II到ab边刚穿出磁场II的此过程中线框一直做匀速运动,根据能量守恒得:        ⑩ 

[例7]如图所示,光滑水平面停放一小车,车上固定一边长为L=0.5m的正方形金属线框abcd,金属框的总电阻R=0.25Ω,小车与金属框的总质量m=0.5kg。在小车的右侧,有一宽度大于金属线框边长,具有理想边界的匀强磁场,磁感应强度B=1.0T,方向水平且与线框平面垂直。现给小车一水平速度使其向右运动并能穿过磁场,当车上线框的ab边刚进入磁场时,测得小车加速度a=10m/s2。求:

  (1)金属框刚进入磁场时,小车的速度为多大?

  (2)从金属框刚要进入磁场开始,到其完全离开磁场,线框中产生的焦耳热为多少?

解析:(1)由于明确了线框的ab边刚进入磁场时小车的加速度,可以通过其受力情况列方程求解.

设小车初速度为v0,则线框刚进入磁场时,ab边由于切割磁感线产生的电动势为: E=BLv0………………①   

 回路中的电流:I=……………②

  根据牛顿定律:BIL=ma……………………③

 由以上三式可解得:v0=5m/s

  (2)在求得金属框刚进入磁场时,小车的速度后,为了求得从金属框刚要进入磁场,到其完全离开磁场所产生的焦耳热,关键在于求出小车完全离开磁场时的速度.

设线框全部进入磁场时小车速度为v1,进入过程平均电流为,所用时间为△t,则

………………④ 

………………⑤

解得:v1=4m/s

设线框离开磁场时小车速度为v2,进入过程平均电流为,所用时间为△t1,则:

………………⑥

……………⑦

解得:v2=3m/s

线框从进入到离开产生的焦耳热应等于系统损失的机械能,即:

=4.0J

 [例8]如图所示是日光灯的结构示意图,若按图示的电路连接,关于日光灯的发光情况,下列叙述中正确的是        (   )

A、     S1接通,S2、S3断开,日光灯就能正常发光;

B、 S1 、S2接通, S3断开,日光灯就能正常发光;

C、     S3断开,接通S1 、S2后,再断开S2,日光灯就能正常发光;

D、当日光灯正常发光后,再接通S3,日光灯仍然能正常发光。

[解析]日光灯的启动利用的是线圈自感现象,其正常的电路图如下,其原理不再赘述。对选项A,此时是电源电压直接接在灯管两端,达不到灯管启动的高压值,日光灯不能发光;对选项B,将造成灯丝两端短路,电压为零,日光灯同样不能发光;对选项D,当日光灯正常发光后,再接通S3,则镇流器被短路,灯管两端电压过高,造成灯管损坏。当接通S1后,电源电压加在启动器的两极之间,由于热膨胀,S2被接通,使得镇流器中有电流通过,此时启动器中的氖气停止放电,电路自动断开;由于自感的作用,镇流器中产生很大的自感电动势,和原电压加在一起,形成瞬时高压,进而使气体电离,日光灯正常发光,故正确选项为C。

[专题演练]

试题详情

3、理解楞次定律的内涵,其关键之处在于对“阻碍”二字的理解,这里的阻碍有两层含义,一是感应电流磁场阻碍了原磁场的变化,二是磁场对感应电流的作用力阻碍了导体与磁场的相对运动,这两种表述实质上是等价的。

楞次定律的第二种表述是,感应电流产生的效果,总要反抗引起感应电流的原因,它反映了感应电流产生的机械效果--反抗。由楞次定律可知,感应电流的“效果”总是反抗引起感应电流的“原因”,深刻理解“反抗”的含义.据“反抗”原则,可直接对运动趋势作出判断,更简捷、迅速.

一般判断机械效果宜用第二种表述形式,应用这种表述形式判断机械效果的步骤是,先找出引起感应电流的原因(如磁通量变化、相对运动等),再来确定阻碍方式(如阻碍磁通量变化,阻碍相对运动等)。

试题详情

2、楞次定律的基本内容是:感应电流的磁场总是阻碍引起感应电流的磁通量的变化,这就是楞次定律.楞次定律解决的是感应电流的方向问题,感应电流的磁场总是要阻碍引起感应电流的磁通量的变化,而不是阻碍引起感应电流的磁场.“阻碍”不是“相反”,“阻碍”既不是阻碍原磁场,也不是阻碍原来的磁通量,而是指感应电流的磁场阻碍原磁场磁通量的增加或减少。“阻碍”不仅有“反抗”的含义,还有“补偿”的含义,即反抗磁通量的增加,补偿磁通量的减少。“阻碍”不是“阻止”,而只是延缓了原磁通的变化,电路中的磁通量还是在变化的。例如,当原磁通量增加时,虽有感应电流的磁场的阻碍,磁通量还是在增加,只是增加的慢一点而已!

由于此定律所牵涉的物理量和物理规律较多,只有对原磁场方向、原磁通量变化情况、感应电流的磁场方向、以及安培定则和右手螺旋定则进行正确的判定和使用,才能得到正确的感应电流的方向.

试题详情

1、我们知道,不论用什么方法,只要穿过闭合电路的磁通量发生变化,闭合电路中就有感应电流电流产生,这也是产生感应电流的唯一条件。根据磁通量计算公式可见,引起磁通量发生变化的原因一般有磁场磁感应强度B变化、闭合回路的面积S变化、夹角变化等等。这里必须注意是“穿过闭合电路的磁通量发生变化”,因而当某时刻穿过闭合电路的磁通量为零时,电路中仍可能有感应电流。

电磁感应现象的实质是产生感应电动势,如果回路闭合,则有感应电流;当回路不闭合时,则只有感应电动势,而无感应电流。

试题详情

12.(15分)有机物A可以通过不同的反应得到下列物质:

 

  (1)A的结构简式是 _________ 

  (2)写出由A制取B的化学方程式: ________________________ 

  (3)写出A制取E两种物质的有机反应类型: _______________

A与 ____________(填写化学式)反应生成D。

  (4)有机物C中共面的碳原子最多是_____个。

  (5)芳香族化合物F是A的同分异构体,1molF可以和3mol NaOH发生中和反应;F苯环上的一氯代物只有一种。写出F两种可能的结构简式 ______________________

试题详情

11.(15分) 现有A、B、C、D、E五种强电解质,它们在水中可电离产生下列离子(各种离子不重复)。

阳离子
H+、Na+、A13+、Ag+、Ba2+
阴离子
OH-、C1-、CO32-、NO3-、SO42-

已知:①A、B两溶液呈碱性;C、D、E溶液呈酸性。

②A溶液与E溶液反应既有气体又有沉淀产生;A溶液与C溶液反应只有气体产生(沉淀包括微溶物,下同)。

③D溶液与另外四种溶液反应都能产生沉淀;C只能与D反应产生沉淀。

试回答下列问题:

  (1)写出D为_________________

  (2)将C溶液逐滴加入等体积、等物质量的浓度的A溶液中,反应后溶液中各种离子浓度由大到小的顺序为:_____________________

  (3)写出E溶液与过量的B溶液反应的离子方程式____________________________________

  (4)已知:NaOH(aq)+HNO3(aq)=NaNO­3(aq)+H2O(1);△H=-aKJ·mol-1。请写出B与C的稀溶液反应的热化学方程式___________________________________________________

  (5)在100mL0.1mol·L-1E溶液中,逐滴加入35mL2mol·L-1NaOH溶液,最终得到沉淀物质的量为_____

试题详情

10.(15分)如下图为合成某物质的装置图.实验时:①将D中烧瓶取下,打开活塞a、b,将分液漏斗中蒸馏水(足量)逐滴滴下;②当弯管c有纯净气体冒出时,在尖嘴处点燃气体,然后迅速将烧瓶D按装置图装好,并塞紧橡皮塞,关闭活塞a,点燃酒精灯.

 

回答:

  (1)装置A、B的作用是________________________________________________________

  (2)C中的反应化学方程式______________________________________________

  (3)D烧瓶塞紧后将看到哪些现象:__________________________________________

  (4)E中发生反应的化学方程式______________________________________________

  (5)F中的现象______________原因是________________________________________

试题详情

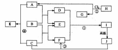
9.(15分)下图中B为日常生活中常见的金属,E是一种新型的清洁能源,H、G是正四面体结构的非极性分子,H是一种重要的能源,J是一种耐高温材料, K是生理盐水主要成分(图中部分反应物或生成物没有列出)。

请按要求回答:

⑴ 写出B在周期表的位置第_____周期_____族,G的电子式_________________。

⑵ 反应①的离子方程式为_______________________________________。

⑶ 反应②进行的条件是___________________,_____________________。

⑷ 反应③的化学方程式为________________________________________。

试题详情


同步练习册答案