0  264363  264371  264377  264381  264387  264389  264393  264399  264401  264407  264413  264417  264419  264423  264429  264431  264437  264441  264443  264447  264449  264453  264455  264457  264458  264459  264461  264462  264463  264465  264467  264471  264473  264477  264479  264483  264489  264491  264497  264501  264503  264507  264513  264519  264521  264527  264531  264533  264539  264543  264549  264557  447090 

例题1:(2006年宁波市)小明测量某电阻R的阻值时,已连接如下电路:

(1)同桌又补了一根导线,使电路完整。请你在图中画出这根导线。

(2)闭合开关前,应将滑动变阻器的滑片滑到     端(请选“A”或“B”);

(3)小明正确操作测得数据如下,电流表第3次示数如上图,请你帮小明填人下表空格中。

(4)最终测得的电阻阻值为     欧(计算结果保留一位小数)。

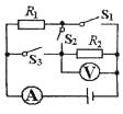
 例题2:(2006年福州市)如图10所示,电源电压为6V,并保持不变,当S1、S2闭合,S3断开时,电流表示数为0.5A,则R,的电阻值为   Ω;当S1、S3断开,S2闭合时,电压表示数为4V。则R2的电阻值为   Ω;如果电路中只闭合S3,电压表示数是    V。

 例3:实验:用电压表和电流表测电阻

   在这个实验中,我们要学习用伏安法测一只电阻的阻值。如果这个电阻是阻值约20欧的小灯泡,所用实验器材画在图8-3中。请你在左边方框中画出自己设计的实验电路图。然后在右边用画线的办法代替导线连接电路。要注意电压表、电流表的量程要选择正确。

 例4:(2006年黄冈市)谢敏同学利用电压表和电流表测量电阻R1的阻值(约9Ω左右),电源选用两节干电池。

(1)按图甲电路,将图乙中电流表正确连入电路

(2)该同学检查电路连接正确,合上开关,可是无论怎样移动滑片,电压表示数总为 3v不变,你认为发生故障的原因可能是_________________或___________________。

(3)清除故障后,小明将滑片P向左滑动时,电压表示数将________(填“增大”、“减小”、“不变”),当P滑到某一位置时,两表读数如图丙所示,由此可知R=____Ω。你认为这个结果可靠吗?理由是__________________。

试题详情

(一)电流跟电压、电阻的关系:

1.保持电阻不变,研究电流跟电压的关系。

按图8-2连接电路,闭合开关S后,调节滑动变阻器R'的滑片,使定值电阻R两端电压成倍数的增加,如2伏、4伏、8伏等,并把与之对应的电流填进表中。现在表中所记录的实验数据是在R=5欧时得到的。

电压(伏)
2
4
8
电流(安)
0.4
0.8
1.6

    由上表的实验数据可知,在电阻一定的情况下,电压增大到几倍,电流也增大到几倍,即导体中的电流跟这段导体两端的电压成正比。

 2.保持电压不变,研究电流跟电阻的关系。

   还用上面的电路。调节滑动变阻器,使R两端电压总保持2伏,并使R成倍的增大,如5欧、10欧、20欧等。把与之对应的电流值记录在表中。

电阻(欧)
5
10
20
电流(安)
0.4
0.2
0.1

   由上表可知,在电阻增大到5欧的2倍、4倍时,电流0.4安就减小到原来的1/2、1/4。即在电压不变的情况下,导体中的电流跟导体的电阻成反比。

试题详情

(1)、欧姆定律。

1、探究电流与电压、电阻的关系。

①提出问题:电流与电压电阻有什么定量关系?

②制定计划,设计实验:要研究电流与电压、电阻的关系,采用的研究方法是:控制变量法。即:保持电阻不变,改变电压研究电流随电压的变化关系保持电压不变,改变电阻研究电流随电阻的变化关系

③进行实验,收集数据信息:(会进行表格设计此为能力考点)

④分析论证:(分析实验数据寻找数据间的关系,从中找出物理量间的关系,这是探究物理规律的常用方法。为近年考试热点)

⑤得出结论:在电阻一定的情况下,导体中的电流与加在导体两端的电压成正比;在电压不变的情况下,导体中的电流与导体的电阻成反比

2、欧姆定律的内容:导体中的电流,跟导体两端的电压成正比,跟导体的电阻成反比。

3、数学表达式 I=U/R

4、说明:  ①I、U、R对应 同一导体或同一段电路,不同时刻、不同导体或不同段电路三者不能混用,应加角码区别。三者单位依次是 A 、V  、Ω

  ②   同一导体(即R不变),则I与U 成正比

     同一电源(即U不变),则I 与R成反比

      是电阻的定义式,它表示导体的电阻由导体本身的长度、横截面积、材料、温度等因素决定。 

   R=U/I 是电阻的量度式,它表示导体的电阻可由U/I给出,即R 与U、I的比值有关,但R与外加电压U 和通过电流I等因素无关。

5、解电学题的基本思路

①认真审题,根据题意画出电路图;

②在电路图上标出已知量和未知量(必要时加角码);

③选择合适的公式或规律进行求解。

6、欧姆定律可以用来解决哪些问题?

第一:可以用来求导体中的电流强度。

第二:可以计算导体两端应该加多大电压。

第三:可以用伏安法测定导体的电阻。

(2)伏安法测电阻

 1、定义:用电压表和电流表分别测出电路中某一导体两端的电压和通过的电流就可以根据欧姆定律算出这个导体的电阻,这种用电压表电流表测电阻的方法叫伏安法

2、原理:I=U/R

3、电路图:   (右图)

4、步骤:①根据电路图连接实物。

  连接实物时,必须注意 开关应断开

 

② 检查电路无误后,闭合开关S,三次改变滑动变阻器的阻值,分别读出电流表、电压表的示数,填入表格。

③算出三次Rx的值,求出平均值。

④整理器材。

5、讨论:⑴本实验中,滑动变阻器的作用:改变被测电阻两端的电压(分压),同时又保护电路(限流)。

⑵测量结果偏小是因为:有部分电流通过电压表,电流表的示数大于实际通过Rx电流。根据Rx=U/I电阻偏小

R2
 
R1
 
U
 
⑶如图是两电阻的伏安曲线,则R1>R2

I
 
二、基础练习

试题详情

第一课时

试题详情

欧姆定律
 
            内容

          表达式

应用:用电压表、电流表测电阻

试题详情

19世纪的德国物理学家欧姆得出了欧姆定律:导体中的电流,跟导体两端的电压成正比,跟导体的电阻成反比。I=U/R 

伏安法:利用电压表和电流表测定电阻的方法叫伏安法。

串联电阻:串联电路的总电阻等于各串联电阻之和。

并联电阻:并联电路的总电阻的倒数等于各并联电阻的倒数之和。

电路中串联的电器越多,电流越小每个电器的电压越小串联分压限流 

并联的电器越多,总电流越大,各电器的电压不变。、

重点是欧姆定律的应用和串、并联电路中电阻的关系。

试题详情

3、情感、态度与价值观目标:

①让学生用联系的观点看待周围的事物并能设计实验方案证实自己的猜测。  

②培养学生大胆猜想,小心求证,形成严谨的科学精神。  

试题详情

2、过程与方法目标:

①根据已有的知识猜测未知的知识。  

②经历欧姆定律的发现过程并掌握实验的思路、方法。  

③能对自己的实验结果进行评估,找到成功和失败的原因。

试题详情

1、知识与技能目标:

(1)、通过学生小组讨论、交流概括本章内容

(2)、掌握欧姆定律

(3)、培养学生的归纳整理能力,应用物理知识解决实际问题的能力以及探究、创新的能力。

试题详情

7、(2006年台州市)为维护消费者权益,某技术质量监督部门对市场上的电线产品进行抽查,发现有一个品牌电线中的铜芯直径明显比电线规格上标定的直径要小,引起电阻偏大。从影响导体电阻大小的因素来分析,引起这种电线电阻不符合规格的主要原因是

   A.电线的长度   B.电线的横截面积   C.电线的材料   D.电线的温度

试题详情


同步练习册答案