0  265759  265767  265773  265777  265783  265785  265789  265795  265797  265803  265809  265813  265815  265819  265825  265827  265833  265837  265839  265843  265845  265849  265851  265853  265854  265855  265857  265858  265859  265861  265863  265867  265869  265873  265875  265879  265885  265887  265893  265897  265899  265903  265909  265915  265917  265923  265927  265929  265935  265939  265945  265953  447090 

30.(20分)

Ⅰ(10分) . 植物的光合作用受多种内、外因素的影响,下图中甲图表示阳生植物与阴生植物的光合速率与光照强度的关系,乙图表示不同CO2浓度下温度对光合速率和呼吸速率的影响。请回答相关问题

 ⑴甲图中c 点后限制阳生植物光合作用速率增加的主要环境因素是:       

(至少两点) 。

 ⑵甲图两曲线差异的根本原因是两种植物本身的_____________________决定的。

 ⑶乙图中,在大气CO2浓度下农作物积累有机物量最多的的温度为____________;若环境温度保持在35℃,每日光照12 小时,两昼夜后测定,植物体干重将_____(填“增加”,“减少”或“不变”)。

 ⑷已知甲图是在乙图m点的条件下测得的曲线,如果在乙图的n点条件下再次进行测定,则c 点将向___________(“左”或“右”)移动。

Ⅱ(10分).请利用如下实验材料做相关实验,再选择其中的一种实验材料,设计一个实验,以展示你的科学素养和创新才能。

(1)如用上述材料做DNA的粗提取和分离、叶绿体中色素的提取和分离、还原糖的鉴定等实验。你选择的最佳材料依次是(填图中序号即可)______________________。

(2)如用紫色洋葱表皮做完细胞的质壁分离及复原实验后,又用此装片观察细胞分裂,结果未观察到处于分裂期的细胞。请解释原因:__________________________________。

(3)创新实验设计方案

  实验课题:验证镍为植物生活所必需的矿质元素。

  材料用具:完全营养液甲、缺镍的完全营养液乙、适当的容器和固定材料、长势相似的玉米幼苗、含镍的无机盐。

  方法步骤:

  ①取适当的容器及固定材料分为两组,编号A、B;

  ②______________________________________________________________;

  ③______________________________________________________________;

④将A,B中玉米幼苗置于相同且适宜的条件下培养。

  实验预期:A容器内的玉米幼苗生长正常;B容器内的玉米幼苗生长不正常。

上述实验方法叫做:     

试题详情

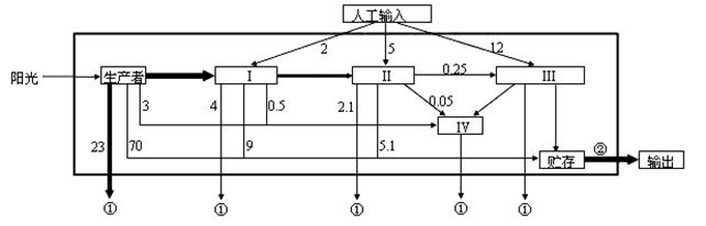
5.下图是某人工生态系统能量流动过程中部分环节涉及的能量值(单位为103kJ/)。据图分析下列叙述正确的是

A.该生态系统生产者固定的总能量是1.1× 105kJ/ m2﹒y

B.由生产者、Ⅰ、Ⅱ、Ⅲ、Ⅳ构成的捕食食物链中,能量流动是单向的、逐级递减的

C.Ⅰ为第一营养级,Ⅱ为第二营养级,两者之间的能量传递效率是5.6%

D.在生物圈中,全部的微生物和一些腐生动物都属于类群Ⅳ

试题详情

4.下图是某一家族中遗传病甲和遗传病乙的遗传系谱图(设遗传病甲与A和a 这一对等位基因有关,遗传病乙与另一对等位基因B和b有关,且甲乙两种遗传病至少有一种是伴性遗传病)。下列有关说法不正确的是

A.乙病为伴性遗传病     

B.7号和10号的致病基因都来自1号

C.5号的基因型一定是AaXBXb     

D.3号与4号再生一个兼患两病的男孩的可能性为3/16

试题详情

3.免疫是机体的一种保护性生理功能,下列有关免疫的叙述正确的是

①胸腺在免疫中的作用是先分化出造血干细胞,进而分化出T细胞

②抗体和效应T细胞都可能与抗原发生特异性结合

③效应B淋巴细胞产生的抗体能对任何病毒起免疫作用

④吞噬细胞、T细胞、B细胞、记忆细胞、效应B细胞均能识别抗原

⑤所有抗体的化学本质都是蛋白质

⑥自身免疫病和艾滋病都是机体免疫功能不强或缺陷造成的

A.①②      B.③④      C.②⑤      D.③⑤

试题详情

2.下列说法正确的是

A.长期使用化肥导致土壤板结,会加快硝化细菌对NH3→NO3的转化

B.乳酸菌与湿地生态系统中能将硝酸盐转化为N2的微生物的异化作用类型相同

C.伊红美蓝染液能使金黄色葡萄球菌染成深紫色,并带有金属性光泽

D.中耕松土可促进植物对矿质元素和水分的吸收,但松软的土壤会抑制根瘤菌的生命活动

试题详情

1.下图中甲、乙、丙三个有关的指标,甲的变化引起乙、丙的变化对应关系不正确的是

 

试题详情

22.已知函数.

(1)求的表达式;

(2)判断的单调性;

(3)若对于区间上的每一个x的值,不等式恒成立,求m的取值范围.

试题详情

21.(本题12分)设函数的图像关于原点对称,的图像在点处的切线的斜率为-6,且当有极值。

(1)   求、b、c、d的值;

(2)   若,求证:︱︱≤

试题详情

20.(本题12分)甲、乙等五名奥运志愿者被随机地分到四个不同的岗位服务,每个岗位至少有一名志愿者.

(Ⅰ)求甲、乙两人同时参加岗位服务的概率;

(Ⅱ)求甲、乙两人不在同一个岗位服务的概率;

试题详情

19. (本小题满分12分)一个小服装厂生产某种风衣,月销售量x(件)与售价P(元/件)之间的关系为P=160-2x,生产x件的成本R=500+30x

(1)该厂的月产量多大时,月获得的利润不少于1300元?

(2)当月产量为多少时,可获得最大利润?最大利润是多少元?

试题详情


同步练习册答案