0  265953  265961  265967  265971  265977  265979  265983  265989  265991  265997  266003  266007  266009  266013  266019  266021  266027  266031  266033  266037  266039  266043  266045  266047  266048  266049  266051  266052  266053  266055  266057  266061  266063  266067  266069  266073  266079  266081  266087  266091  266093  266097  266103  266109  266111  266117  266121  266123  266129  266133  266139  266147  447090 

6.图为远距离高压输电的示意图。关于远距离输电,下列表述正确的是:

A.增加输电导线的横截面积有利于减少输电过程中的电能损失

B.高压输电是通过减小输电电流来减小电路的发热损耗

C.在输送电压一定时,输送的电功率越大,输电过程中的电能损失越小

D.高压输电必须综合考虑各种因素,不一定是电压越高越好

试题详情

5.一理想变压器的原线圈上接有正弦交变电压,其最大值保持不变,副线圈接有可调电阻R。设原线圈的电流为I1,输入功率为P1,副线圈的电流为I2,输出功率为P2。当R增大时:

A.I1减小,P1增大    B.I1减小,P1减小 

C.I2增大,P2减小    D.I2增大,P2增大

试题详情

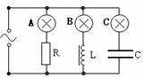
4.如图所示,把电阻R、电感线圈L、电容器C并联接到一交流电源上,三个灯泡的亮度相同,若保持电源电压大小不变,而将频率增大,则关于三个灯的亮度变化说法正确的是:

A.A灯亮度不变,B灯变暗,C灯变亮

B.A灯亮度不变,B灯变亮,C灯变暗

C.A灯变暗,B灯亮度不变,C灯变亮 

D.A灯变亮,B灯变暗,C灯亮度不变

试题详情

3.如图所示的电路中,A1和A2是两个相同的灯泡,线圈L自感系数足够大,直流电阻可以忽略不计。下列说法中正确的是:

A.合上开关S时,A2先亮,A1后亮,最后一样亮

B.断开开关S时,A1和A2都要过一会儿才熄灭

C.断开开关S时,A2闪亮一下再熄灭

D.断开开关S后,流过A2的电流方向向右

试题详情

2.如图所示,长 L1 L2的矩形线圈,处于匀强磁场边缘,线圈与磁感线垂直,先后两次用力以v和2v的速度从图中位置把线圈匀速拉出磁场,则这两次的:

A.拉力之比为1∶2   B.拉力的功率之比为1∶2

C.线圈产生的电热之比为1∶4

D.通过线圈某横截面的电量之比为1∶1

试题详情

1.老师做了一个物理小实验让学生观察:一轻质横杆两侧各固定一铝环,横杆可绕中心点自由转动,老师拿一条形磁铁插向其中一个小环,后又取出插向另一个小环,同学们看到的现象是:

A.磁铁插向左环,横杆发生转动

B.磁铁插向右环,横杆发生转动

C.无论磁铁插向左环还是右环,横杆都不发生转动

D.无论磁铁插向左环还是右环,横杆都发生转动

试题详情

第二节  书面表达( 满分25分)

假定你叫张海,你有一个好朋友,名叫李华,就读于焦作市某重点高中,成绩优异,但他常常为上大学高昂的费用担心。请你根据所给信息用英语给他写封回信。

1. 你的家境也不富裕,父亲失业,母亲在一家公司上班,工资不高。你想申请银行贷款,并让父母支付部分学费;

2. 在大学里,你想在外面做家教弥补部分费用;

3. 上学期间努力学习,力争获得奖学金。

注意:1. 词数100左右,开头已写好,不计入总词数

    2. 参考词语: 学费 tuition   申请贷款  apply for a bank loan

  家教  tutor

Dear Li Hua ,

   From your letter, I know that you are now worried about your tuition. I think _________________________________________________________________

                           Yours Zhang Hua

河南省焦作二中2010届高三下学期第二次质量检测

试题详情

第一节:短文改错(共10小题;每小题1分,满分10分)

此题要求改正所给短文中的错误.对标题号的每一行做出判断:如无错误,在该行右边的横线上划(√);如有错误(每行只有一个错误),则按下列情况改正:

此行多一个词:把多余的词用斜线划掉,在该行右边横线上写出该词,并也用斜线划掉。

此行缺一个词:在缺词处加一个漏字符号(^),在该行右边横线上写出该加的词。

此行错一个词:在错的词下划一横线,在该行右边横线上写出改正后的词。

原行没有错的不要改。

I go abroad for further studies half a year ago. I     76 _______  received a lot of present. All were wrapped in color paper.     77 _______

Among them were two presents which really interested in     78 _______

me. My sister bought me the book with color pictures about    79________

body language and with words about customs of         80________

differently countries in it . My brother gave me a note,      81________

which read, “My present for you has been put in my bedroom.   82________

”While I hurried into my bedroom, I found a box in it.      83._______

Open the box, I found a pocket computer. I was very glad.     84________

I understood these two presents would be great help to me in    85________   

improving my English.  

试题详情


同步练习册答案