0  266138  266146  266152  266156  266162  266164  266168  266174  266176  266182  266188  266192  266194  266198  266204  266206  266212  266216  266218  266222  266224  266228  266230  266232  266233  266234  266236  266237  266238  266240  266242  266246  266248  266252  266254  266258  266264  266266  266272  266276  266278  266282  266288  266294  266296  266302  266306  266308  266314  266318  266324  266332  447090 

8. 关于下列各比较对象,前者一定大于后者的是

A. 将pH均为11的NaOH溶液和氨水溶液分别稀释成pH=10的溶液,所加水的量

B. 物质的量浓度相等的Na2CO3溶液与(NH4)2CO3溶液中CO3的物质的量浓度

C. 常温下pH=5的NaHA溶液中c(H2A)与c(A)

D. 等浓度的氯化钠和苯酚钠溶液中水的电离程度

试题详情

7. 下列有关叙述正确的是

A. 纤维素的水解产物能够发生银镜反应,说明纤维素是还原性糖

B. 纯碱、氯仿(CHCl3)、蔗糖、植物油在一定条件下都可以发生水解

C. 工业上通过电解AlCl3饱和溶液制备金属铝

D. SiO2既能溶于NaOH溶液又能溶于HF溶液,说明SiO2是两性氧化物

试题详情

6.化学与能源、生态、生活有非常紧密的联系,以下做法正确的是

A. 鼓励购买小排量汽车,推广与发展电动、混合动力汽车

B. 把世博会期间产生的垃圾焚烧或深埋处理

C. 钢铁雕塑局部镀铜防止生锈

D. 用福尔马林浸泡食品防止其变质

试题详情

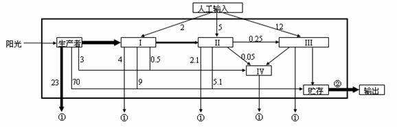
5.下图是某人工生态系统能量流动过程中部分环节涉及的能量值(单位为103kJ/)。据图分析下列叙述正确的是

A.该生态系统生产者固定的总能量是1.1× 105kJ/ m2﹒y

B.由生产者、Ⅰ、Ⅱ、Ⅲ、Ⅳ构成的捕食食物链中,能量流动是单向的、逐级递减的

C.Ⅰ为第一营养级,Ⅱ为第二营养级,两者之间的能量传递效率是5.6%

D.在生物圈中,全部的微生物和一些腐生动物都属于类群Ⅳ

试题详情

4.下图是某一家族中遗传病甲和遗传病乙的遗传系谱图(设遗传病甲与A和a 这一对等位基因有关,遗传病乙与另一对等位基因B和b有关,且甲乙两种遗传病至少有一种是伴性遗传病)。下列有关说法不正确的是

A.乙病为伴性遗传病     

B.7号和10号的致病基因都来自1号

C.5号的基因型一定是AaXBXb     

D.3号与4号再生一个兼患两病的男孩的可能性为3/16

试题详情

3.免疫是机体的一种保护性生理功能,下列有关免疫的叙述正确的是

①胸腺在免疫中的作用是先分化出造血干细胞,进而分化出T细胞

②抗体和效应T细胞都可能与抗原发生特异性结合

③效应B淋巴细胞产生的抗体能对任何病毒起免疫作用

④吞噬细胞、T细胞、B细胞、记忆细胞、效应B细胞均能识别抗原

⑤所有抗体的化学本质都是蛋白质

⑥自身免疫病和艾滋病都是机体免疫功能不强或缺陷造成的

A.①②       B.③④       C.②⑤      D.③⑤

试题详情

2.下列说法正确的是

A.长期使用化肥导致土壤板结,会加快硝化细菌对NH3→NO3的转化

B.乳酸菌与湿地生态系统中能将硝酸盐转化为N2的微生物的异化作用类型相同

C.伊红美蓝染液能使金黄色葡萄球菌染成深紫色,并带有金属性光泽

D.中耕松土可促进植物对矿质元素和水分的吸收,但松软的土壤会抑制根瘤菌的生命活动

试题详情

1.下图中甲、乙、丙三个有关的指标,甲的变化引起乙、丙的变化对应关系不正确的是

 

试题详情

41.(28分)农业是我国国民经济的基础,农业生产离不开土地和水源。根据下列资料,结合所学知识,回答(1)-(5)题。

   资料一:江苏省耕地面积变化图(见图2.4)

   资料二:青海省耕地面积变化图(见图2.5)

     资料三:中国沿海地区水土协调度(见图2.2

   

注:水土协调度-(本区水资源量/全区水资源量)/(本区耕地规模/全区耕地规模)

  (1)2000年-2005年间,两省耕地变化的共同趋势是         。(2分)

  (2)分别说明导致江苏省、青海省耕地变化的主要原因。(3分)

  (3)由于水土协调度的差异,南方地区的耕地类型以      为主,北方地区的耕地类型以      为主。(4分)

  (4)分析广东省水土协调度高的原因。(6分)

  (5)我国北言水土协调度<1.00的省区可以采取哪些措施解决水土办调度的问题?(8分)

试题详情

40.(28分)应对全球气候变暖的有效措施是减少温室气体排放,中国在哥本哈根气候大会上承诺,到2020年单位国内生产总值二氧化碳排放比2005年下降40%-45%。根据下列资料,结合所学知识,回答(1)-(5)题。

   资料一:见表2.1

   资料二:2003年我国东、中、西部发电量和用电量柱状图(见图2.1)

   资料三:中国有效风功率密度图(见图2.2)

   资料四:巴西地理位置图(见图2.3)

      表2.1  2005年我国三大产业用电量和产值占GDP的比重表

项目
第一产业
第二产业
第三产业
用电量(亿千瓦时)
876
16775
752


 
产业结构(%)

12.24
47.68
40.08

   

  (1)根据资料一判断,我国三大产业中,单位产值用电量最少的是第    产业。(2分)

  (2)根据资料二判断,发电量、用电量最大的是     ;用电量大于发电量的是  

     发电量大于用电量的是     。(6分)

  (3)我国可采取哪些措施降低单位GDP二氧化碳排放量?(8分)

  (4)2008年内蒙古风电装机容量突破300万千瓦。占全国风电装机总量的25%,位居全国第一。简述内蒙古开发利用风力发电的有利条件。(6分)

  (5)2008年,巴西能源消费结构为:石油及其衍生品占37.3%,天然气占10.2%,煤炭占5.7%,核能占1.5%,水电占13.9%,生物能源占31.5%,分析巴西大力发展生物能源的有利自然条件。(16分)

试题详情


同步练习册答案