0  267186  267194  267200  267204  267210  267212  267216  267222  267224  267230  267236  267240  267242  267246  267252  267254  267260  267264  267266  267270  267272  267276  267278  267280  267281  267282  267284  267285  267286  267288  267290  267294  267296  267300  267302  267306  267312  267314  267320  267324  267326  267330  267336  267342  267344  267350  267354  267356  267362  267366  267372  267380  447090 

35.(18分)如图所示,两根平行金属导轨固定在同一水平面内,间距为l,导轨左端连接一个电阻.一根质量为m、电阻为r的金属杆ab垂直放置在导轨上.在杆的右方距杆为d处有一个匀强磁场,磁场方向垂直于轨道平面向下,磁感应强度为B.对杆施加一个大小为F、方向平行于导轨的恒力,使杆从静止开始运动,已知杆到达磁场区域时速度为v,之后进入磁场恰好做匀速运动.不计导轨的电阻,假定导轨与杆之间存在恒定的阻力.求:

   (1)导轨对杆ab的阻力大小f

   (2)杆ab中通过的电流及其方向.

   (3)导轨左端所接电阻的阻值R

试题详情

34.(1)(8分)光电计时器结构如图a所示,当有物体从M、N间通过时,光电计时器就可以显示物体的挡光时间,若知物体的长度,就可知道物体通过光电门的速度.如图b

E、F为上下两个光电门,现要利用此装置探究机械能守恒定律.

 

①读出如图c游标卡尺测量的物块A厚度为      cm.

②让物块A从某一位置下落,通过测量并计算得出它通过光电门EF的速度分别为v1v2 ,已知当地重力加速度为g,若要探究物块在EF之间运动的过程机械能是否守恒,还需测量的物理量为              .若        

       在误差允许的范围内相等,则可说明物块的机械能守恒.(用物理量的字母符号表示)

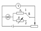
(2)(10分)用伏安法测量某一较大阻值的电阻Rx,为了避免电表内

阻的影响造成误差,采用如图的实验电路,其中R为高精度的

电阻箱,S为单刀双掷开关.请完成有关内容:

①主要实验步骤如下:

    A. 开关S拨向1,         ,使电压表和电流表有一合适的读数UI.

B. 初步估测电阻Rx的大小.

C. 调节电阻箱的阻值为Rx的估测值, 再把开关S拨向2,微调电阻箱的阻值,使电压表的读数为U时电流表的读数为     ,读出此时电阻箱的阻值R0.

②利用测得的数据,可得该电阻      .还可测得电流表的内电阻等于      .

试题详情

33.(14分)食用香料A分子中无支链,B分子中无甲基。B能使Br2的CCl4溶液褪色,1 molB与足量Na反应生成0.5 molH2。各物质间有如下转化。

试回答:

(1)在一定条件下能与C发生反应的是__________________。

     a.Na      b.Na2CO3      c.Br2/CCl4     d.CH3COOH

(2)B分子中的官能团名称是________________(填写名称);      E的结构简式是____________________________。

(3)B与F反应生成A的化学方程式是_________________________________________。

(4)F的同分异构体甲能发生水解反应,其中的一种产物能发生银镜反应;另一产物在浓H2SO4存在条件下受热不能产生使Br2的CCl4溶液褪色的有机物,但其催化氧化后的产物也能发生银镜反应。

甲的结构简式是____________________。

试题详情

32.(16分)(1)工业上以粗铜为原料采取如图-1所示流程制备硝酸铜晶体:

①在步骤a中,还需要通入氧气和水,其目的是               

②在保温去铁的过程中,为使Fe3+沉淀完全,可以向溶液中加入CuO,调节溶液的pH,根据下表数据,溶液的pH应保持在        范围。

 
氢氧化物开始沉淀时的pH
氢氧化物沉淀完全时的pH
Fe3+
Cu2+
1.9
4.7
3.2
6.7

不用加水的方法调节溶液pH的原因是                      

③进行蒸发浓缩时,要用硝酸调节溶液的pH=1,其目的是(结合离子方程式说明)    

                                      

(2)工业上常利用硝酸铜溶液电镀铜,电镀时阴极的电极反应式是           

(3)图-2是某小组同学查阅资料所绘出的硝酸铜晶体[ Cu(NO3)2·nH2O ]的溶解度曲线(温度在30℃前后对应不同的晶体),下列说法正确的是    (填字母)。

  a. A点时的溶液为不饱和溶液

b. B点时两种晶体可以共存

 c. 按上述流程最终得到的晶体是Cu(NO3)2·3H2O

  d. 若将C点时的溶液降温至30℃以下,可以析出Cu(NO3)2·6H2O晶体

试题详情

31.(16分)(1)①请写出乙烷在高温、催化剂的作用下与水蒸气反应生成氢气和一氧化碳的化学方程式:                             

②已知:C(s)、CO(g)和H2(g)完全燃烧的热化学方程式分别为:

C(s)+ O2(g)=== CO2(g);        △H=-394kJ·mol-1

2CO(g)+ O2(g)=== 2CO2(g);  △H=-566kJ·mol-1

2H2(g)+ O2(g)=== 2H2O(g);   △H=-484 kJ·mol-1

试写出由C与水蒸气在高温条件下反应生成氢气和一氧化碳的热化学方程式        

③可利用上述反应的相关物质设计一个燃料电池。如用氢氧化钾溶液做电解质溶液,用多孔石墨做电极,在电极上分别充入乙烷和氧气。写出负极的电极反应式            。 (2)常温下,如果取0.1mol·L-1HA溶液与0.1mol·L-1NaOH溶液等体积混合(混合后溶液体积的变化忽略不计),测得混合液的pH=8,请回答下列问题:

①混合后溶液的pH=8的原因(用离子方程式表示):               

②混合溶液中水电离出的c(H+)与0.1mol·L-1NaOH溶液中水电离出的c(H+)比较

          (填<、>、=)。

③已知NH4A溶液为中性,又知将HA溶液加到Na2CO3溶液中有气体放出,试推断(NH4)2CO3溶液的pH        7(填<、>、=);相同温度下,等物质的量浓度的下列四种盐溶液按pH由大到小的排列顺序为              。(填序号)

a.NH4HCO3      b.NH4A      c.(NH4)2CO3     d.NH4Cl

试题详情

30.二氧化硫是污染大气形成酸雨的主要有害物质之一,如果了解二氧化硫的性质,它在我们的生活中也有广泛的用途。

(1)下列可产生二氧化硫污染大气的是       。(填序号)。

    A.含硫矿石的冶炼       B.大量化石燃料的燃烧

    C.大量烟花爆竹的燃放     D.硫酸厂排放的工业尾气

(2)某课外小组采集了一份雨水样品,每隔一段时间测定该雨水样品的pH变化数据如下

测试时间段
0
1
2
3
4
雨水的pH
4.73
4.62
4.56
4.55
4.55

分析雨水样品PH变化的原因(用文字和化学方程式说明)                 

                                    

(3)某实验小组欲探究二氧化硫的化学性质,设计如下实验,请完成实验报告。

序号
二氧化硫的性质
主要操作和现象
化学方程式

 
将二氧化硫通入装有品红溶液的试管中,品红由红色变为无色


氧化性
 
 

 
将二氧化硫通入装有新制氯水的试管中,氯水由浅黄绿色变为无色
 

(4)目前通常采用滴定法测定食品中残留二氧化硫的含量。具体实验方法主要是:样品经处理后,加入氢氧化钾使残留的二氧化硫以亚硫酸盐的形式固定,再加入硫酸使二氧化硫游离,用碘标准溶液滴定二氧化硫。在滴定时用       (填名称)作指示剂,滴定终点的现象是                    

试题详情

29.(8分)人的血清白蛋白(HSA)在临床上需求量很大,通常从人血中提取。如果应用基因工程和克隆技术,将人的血清白蛋白基因转入奶牛细胞中,那么利用牛的乳汁生产血清白蛋白就成为可能。其大致过程如下:

I.采集良种供体奶牛的卵母细胞和精液,通过体外受精,形成受精卵;

II.将人血清白蛋白基因导入奶牛受精卵,形成重组细胞;

III.电脉冲刺激重组细胞促使其形成早期胚胎;

IV.将胚胎移植到受体母牛的子宫中,最终发育成转基因小牛。

请回答下列问题:

(1)一般情况下,良种奶牛所排出的能用于体外受精的卵母细胞往往数量不足,通

                的方法可以获得更多卵母细胞。

(2)步骤I中,在体外受精前,需要对精子进行       处理。受精过程中防止多精入卵的生理反应包括        反应和卵黄膜封闭作用。

(3)步骤II中,将目的基因导入受精卵最为有效的方法是     。导入前,需要

将血清白蛋白基因与奶牛乳腺蛋白基因的启动子等调控组件重组在一起,这一步骤属于基因工程操作“四步曲”中的           

(4)实验步骤III中,进行动物早期胚胎的体外培养时,培养液中除了含有各种无机盐、有机盐类、维生素、氨基酸、核苷酸等营养成分外,还要添加激素和     

(5)若需迅速得到大量转基因奶牛,可采用下列处理方法:

在步骤IV中将早期胚胎分离成若干个胚胎,让其分别发育成一头小牛。进行上述操作时,应选择发育至       阶段的胚胎进行操作,分割时必须注意要将早期胚胎中的       均等分割。

试题详情

28.(28分)生物科学是一门实验科学,生物科学成果也广泛应用到生活、生产实际中,回答下列有关生物实验研究及其应用的问题:

(1)《叶绿体中色素的提取和分离》实验中为了防止叶绿素被破坏,在研磨时要加入少量的      ;实验结果表明四种色素中       在层析液中的溶解度最高。

(2)为了探究一处弃耕农田土壤小动物类群丰富度,某

研究性学习小组设计了右图所示装置来收集样土中的小动

物,他们这一装置不够完善,需要          

          ;对采集到的小动物丰富度的统计方

法是                  

(3)下列实验中必须用到显微镜的有         ;在实验②中酒精的作用是

        。在实验③中不能用人体红细胞来提取DNA的原因是      

①生物组织中还原糖的鉴定       ②生物组织中脂肪的鉴定

③DNA的粗提取与鉴定         ④观察植物细胞的质壁分离和复原

⑤观察根尖分生组织细胞的有丝分裂   ⑥探究酵母菌细胞呼吸的方式

(4)利用果胶酶生产果汁的过程中,可用        来检验果汁发酵后是否有酒精产生。在酸性条件下,该试剂与酒精反应呈现       

(5)某生物学研究小组为了研究生态系统各成分的关系,对某野外四个物种在一天中的平均活动时间(活动时间以%表示)进行观察和记录:

 
休息
与其它物种关系
进食
其它活动
物种A
20%
15%追逐物种B
55%吃种子
10%
物种B
20%
25%被物种A追逐
45%吃种子
10%
物种C
75%
 
l5%吃物种A
10%

根据表中信息判断,物种A、B之间的关系属于        ,物种C与物种A的关系属于       。要组成一个典型的生态系统,除表中涉及的生态系统成分外,还应有             。碳元素进入该生态系统的生物群落主要是从

                    开始的。

试题详情

27.(12分)果蝇是研究遗传学的理想生物,请根据以下信息分析问题:

 

(1)若图2是图1果蝇细胞分裂中的细胞图,则图2细胞名称是        

图2中①②③3条染色体都来自母方的概率是        。正常情况下,由图2细胞分裂产生的一个子细胞中是否含有发育成一只果蝇所需的全套遗传信息?   

(2)设基因A(长翅)对a(残翅)显性,基因D(红眼)对d(白眼)显性,用图1代表的果蝇与另一果蝇杂交得到的子代中,若残翅与长翅各占一半,雌蝇均为红眼,那么与图1果蝇进行杂交的果蝇的基因型是       

(3)下表表示果蝇的三种突变类型(A、B、C),在不同温度下的存活能力与标准型果蝇的比较(设标准型为100)。

类型
25.5℃
30℃
16.5℃
标准型
100
100
100
A
99
98
100
B
101
110
87
C
92
89
109

分析表中数据,可看出标准型果蝇可以突变为A、B、C三种类型,说明生物突变具有        特点。果蝇在生存环境温度明显下降时,经过较长时间形成了一个新品种,如果这一新品种与原来类型之间存在      ,则表明已经形成一个新物种。

试题详情

26.(18分)右图是细胞的生物膜系统概念图。回答下列有关问题:

(1)对生物膜结构的探究经历一系列

的观察和实验过程,1972年桑格和尼克

森提出的         模型为大多

数人接受。

(2)请依次指出图中c、s、m所表示的结构名称:            、

                         

(3)写出在d上完成的生理过程的反应式:

                                   

(4)抗体在    细胞的核糖体上合成后,依次经过图中          (填图中标号)分泌到细胞外,这个过程体现的是生物膜的        性。

(5)从进化的角度看,首先是由于     (填图中标号)的出现,才诞生了相对独立的生命系统。

试题详情


同步练习册答案