0  274855  274863  274869  274873  274879  274881  274885  274891  274893  274899  274905  274909  274911  274915  274921  274923  274929  274933  274935  274939  274941  274945  274947  274949  274950  274951  274953  274954  274955  274957  274959  274963  274965  274969  274971  274975  274981  274983  274989  274993  274995  274999  275005  275011  275013  275019  275023  275025  275031  275035  275041  275049  447090 

1.[答案]C

[解析]因为N={x|x是2的倍数}={…,0,2,4,6,8,…},故

所以C正确.

试题详情

21.(本小题满分14分)

设函数其中.曲线在点处的切线方程为

(1)    确定的值

(2)    设曲线在点处的切线都过点(0,2).证明:当时,

(3)    若过点(0,2)可作曲线的三条不同切线,求a的取值范围.

A卷  文科

试题详情

20.(本小题满分13分)

已知一条曲线C在y轴右边,C上每一点到点F(1,0)的距离减去它到y轴距离的差都是1,。

(1)    求曲线的C方程:

(2)    是否存在正数m,对于过点M(m,0)且与曲线C有两个焦点A、B的任一直线,都有<0?若存在,求出m的取值范围;若不存在,请说明理由。

试题详情

19. (本小题满分12分)

已知某地今年初拥有居民住房的总面积为a(单位:m2),其中有部分旧住房需要拆除.

当地有关部门决定每年以当年年初住房面积的10%建设新住房,同时也拆除面积为b(单位:m2)的旧住房.

(Ⅰ)分别写出第一年末和第二年末的实际住房面积的表达式;

(Ⅱ)  如果第五年末该地的住房面积正好比今年年初的住房面积增加了30%,则每年

   拆除的旧住房面积b是多少?(计算时取1.15=1.6)

试题详情

18.(本小题满分12分)

如图。在四面体ABOC中,OC OA,OC OB, AOB=1200,且OA=OB=OC=1.

(Ⅰ)设P为AC的中点,Q在AB上且AB=3AQ.

证明: PQ OA;

(Ⅱ)球二面角O-AC-B的平面角的余弦值。  

试题详情

16、(本小题满分12分)

已知函数

(Ⅰ)函数的图像可由函数的图像经过怎样的变化得到?

(Ⅱ)求函数的最小值,并求使取得最小值的x的集合。

17(本小题满分12分)

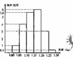
为了了解一个小水库中养殖的鱼的有关情况,从这个水库中多个不同位置捕捞出100条鱼,称得每条鱼的质量(单位:千克),并将所得数据分组,画出频率分布直方图(如图所示)。

(1)在答题卡上的表格中填写相应的频率;

(2)估计数据落在[1.15,1.30 )中的概率为多少;

(3)将上面捕捞的100条鱼分别作一记号后再放回水库,几天后再从水库的多处不同位置捕捞出120条鱼,其中带有记号的鱼有6条,请根据这一情况来估计该水库中的鱼的总条数。

试题详情

15.已知椭圆C:的两焦点为F1 ,F2,点P(,)满足,则的取值范围为     ,直线与椭圆C的公共点个数为     .

试题详情

14.圆柱形容器内盛有高度为8厘米的水,若放入三个相同的球,(球的

半径和圆柱的底面半径相同)后,水恰好淹没最上面的球(如图所 

示),则球的半径是       cm.

试题详情

13.一个病人服用某种新药后被治愈的概率为0.9则服用这种新药的4个病人中至少3人被治愈的概率为     (用数字作答).

试题详情

12. 已知z=2x-y,式中变量x,y满足约束条件  则z的最大值为   

试题详情


同步练习册答案