0  283698  283706  283712  283716  283722  283724  283728  283734  283736  283742  283748  283752  283754  283758  283764  283766  283772  283776  283778  283782  283784  283788  283790  283792  283793  283794  283796  283797  283798  283800  283802  283806  283808  283812  283814  283818  283824  283826  283832  283836  283838  283842  283848  283854  283856  283862  283866  283868  283874  283878  283884  283892  447090 

(8分)9.某同学设计了一个用单摆的实验装置验证机械能守恒的实验如图所示 通过光控门,可以从时间显示仪上读小球挡光的时间。他的实验步骤是:

①用刻度尺测出摆线长,再用游标卡尺测量摆球的直径如图所示。

②将摆球拉离平衡位置使得摆球的高度升高摆长,闭合时间显示仪开关,由静止释放摆球,从时间显示仪读出摆球挡光时间

③断开时间显示仪开关,撤去光控门,将摆球拉离平衡位置一个很小的角度(),由静止释放摆球,用秒表测出摆球作N次全振动的时间是

回答:摆球的直径是       cm

用秒表测出摆球作N次全振动的时间时应在摆球经过     时开始计时,当地的重力加速度是      (用字母表示各物理量)

在误差允许的范围内得到       (用字母表示各物理量),就验证了摆球运动过程中机械能守恒。

为减小误差,在体积相同的条件下,摆球应选用     实心金属球。

1.940 (2分) 平衡位置(或最低点)(1分)   (2分)  (2分)  密度较大的(1分)

(10分)10 (1).电流传感器可以像电流表一样测量电流,不同的是它的反应非常快,可以捕捉到瞬间的电流变化。此外,由于它与计算机相连,能在几秒钟内画出电流随时间变化的图象。在如图a所示的电路中,电源的电动势为6V,先将电键S与1端相连,稳定后,再将电键S从位置1转换到位置2,电容器便通过电阻R放电,这时,电流传感器将电流信息传入计算机,屏幕上便显示出如图b所示的I-t图象。据此,可以估算出电容器的带电量约为          C,电容器的电容量约为             μF。(均取一位有效数字)

(2)如图为一简易多用表的内部电路原理图,其中G为灵敏电流计,S为单刀多掷电键(功能键),表内两恒压直流电源的电动势不相等,且E1 < E2。由图可知,欲测电压时,应将功能键置于        或        位置;欲测电阻时,应将功能键置于       或     位置。在测电流的两个位置中,将功能键置于位置         时电流的量程较大;在测电阻的两个位置中,将功能键置于位置      时所选的倍率较大。(统一填写功能键序号)

(1) 3×10-3 ,  5×102  (每空2分)

(2)  5 或 6  ;  3 或4 ;(每空1分)  1 ; 4  。(每空2分)

试题详情

8.如图所示,一个边长为a、电阻为R的等边三角形线框,在外力作用下,以速度v匀速穿过宽度均为a的两个匀强磁场。这两个磁场的磁感应强度大小均为B,方向相反。线框运动方向与底边平行且与磁场边缘垂直。取逆时针方向的电流为正。若从图示位置开始,线框中产生的感应电流i与沿运动方向的位移x之间的函数图象,下面四个图中正确的是(B )

 

试题详情

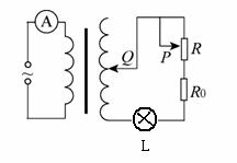
7. 一理想变压器的原线圈连接一只交流电流表,副线圈接入电路的匝数可以通过触头Q调节,如图所示。在副线圈两输出端连接了灯泡L、定值电阻R0和滑动变阻器R,在原线圈上加一电压为U的交流电,则(B )

A.保持Q位置不动,将P向上滑动时,灯泡变亮,电流表的读数变大

B.保持Q位置不动,将P向上滑动时,灯泡变暗,电流表的读数变小

C.保持P位置不动,将Q向上滑动时,灯泡变亮,电流表的读数变小

D.保持P位置不动,将Q向上滑动时,灯泡变暗,电流表的读数变小

试题详情

5.某同学在学习中记录了一些与地球、月球有关的数据资料如表中所示,利用这些数据来计算地球表面与月球表面之间的最近距离s,则下列运算公式中错误的是(C  )

地球半径
R=6400km
月球半径
r=1740km
地球表面重力加速度
g0=9.80m/s2
月球表面重力加速度
g=1.56m/s2
月球绕地球转动的线速度
v=1km/s
月球绕地球转动的周期
T=27.3天
光速
c=2.998×105km/s
用激光器从地球表面上正对月球表面处向月球表面发射激光束,经过t=2. 56s接收到反射回来的激光信号

A.    

B.

C.   

D.

试题详情

5. 如图所示,两列简谐横波分别沿x轴正方向和负方向传播,两波源分别位于x=-0.2 m和x=1.2 m处,两列波的速度均为v=0.4 m/s,两波源的振幅均为A=2 cm。图示为t=0时刻两列波的图像(传播方向如图所示),此刻平衡位置处于x=0.2 m和x=0.8 m的P、Q两质点刚开始振动.质点M的平衡位置处于x=0.5 m处,关于各质点运动情况判断正确的是(A D)

A.t=1 s时刻,质点M的位移为-4 cm

B.t=1 s时刻,质点M的位移为+4 cm

C.t=0.75 s时刻,质点P、Q都运动到M点质点不移动只上下移动

D.质点P、Q的起振方向都沿y轴负方向

试题详情

4. 用如图所示的装置可以测定棱镜的折射率,其中ABC表示待测直角棱镜的横截面,棱镜的两个锐角都是已知的,紧贴直角边AC的是一块平面镜,将一束光线SO入射到棱镜的AB面上,适当调整SO的入射方向,使从AB面出射的光线与入射光线SO恰好重合,在这种情况下,仅需要测出一个物理量就可以算出该棱镜的折射率,则计算折射率的表达式为(  C   )

A.   B.

C.   D.

试题详情

3.图中虚线是用实验方法描绘出的某一静电场中的一簇等势线,若不计重力的带电粒子从a点射入电场后恰能沿图中的实线运动,b点是其运动轨迹上的另一点,则下述判断正确的是(BD )

A.b点的电势一定高于a点 

B.a点的场强一定大于b点

C.带电粒子一定带正电  

D.带电粒子在b点的速率一定小于在a点的速率

试题详情

2. 在如图所示的气缸中,上下活塞面积分别为SA 、SB,且SA<SB,活塞A、B之间用硬杆相连,导热气缸内密闭着一定量的理想气体。当活塞A上方的容器内装满小铁球时活塞处于静止状态,现从容器中取出几个铁球,保持环境温度不变,待活塞重新稳定后(AD )

A.活塞向上移动了一段距离      B.活塞向下移动了一段距离

气体从外界吸收热量           D.密闭气体压强增大

试题详情

1.下列关于物理史实及物理现象的说法中正确的是 (D )

A.双缝干涉图样的中央亮条纹宽而亮,两边亮条纹窄而暗

B.汤姆生在用a粒子轰击金箔的实验中发现了质子,提出了原子核式结构学说

C.查德威克在用a粒子轰击铍核的实验中发现了正电子

D.用紫光照射某金属能发生光电效应,那么用紫外线照射该金属也一定能发生光电效应

试题详情

34.(10分)果蝇是一种小型蝇类,因其具有易饲养,培养周期短,染色体数目少,相对性状易区分等特点,所以是遗传学中常见的试验材料。结合所学遗传变异的知识回答下列问题:

  (1)果蝇的体细胞内有    个染色体组,其单倍体基因组有   条染色体。

  (2)已知猩红眼和亮红眼为控制果蝇眼色的一对相对性状,由等位基因A、控制,圆形眼和棒状眼为控制果蝇眼形的一对相对性状,由等位基因B、控制。现有一对雌雄果蝇交配,得到F1表现型及比例如下表:

 
猩红圆眼
亮红圆眼
猩红棒眼
亮红棒眼
雄蝇
3/16
1/16
3/16
1/16
雌蝇
0
0
6/16
2/16

    则可以得知控制眼色和眼形的基因分别位于       染色体上,如果让F1中表现型为猩红棒眼的雌雄果蝇自由交配得到F2,F2中猩红眼基因的基因频率是   

  (3)在果蝇的X染色体上存在控制眼色的基因,红眼对白眼为显性,这种眼色基因可能会因为染色体片段的缺失而丢失(X0),从而显白色。如果果蝇的两条性染色体上都没有眼色基因,则其无法存活,现有一红眼雄果蝇(XHY)与一只白眼雌果蝇(XhXh)杂交,子代中出现了一只白眼雌果蝇。现欲利用一次杂交来判断这只果蝇的出现是由染色体缺失造成的还是基因突变造成的,可以用这只白眼雌果蝇与     (白眼、红眼、两种眼色均可)的雄果蝇交配,简要阐述你的理由      

河北省唐山一中2010高考模拟试卷(二)

试题详情


同步练习册答案