0  294212  294220  294226  294230  294236  294238  294242  294248  294250  294256  294262  294266  294268  294272  294278  294280  294286  294290  294292  294296  294298  294302  294304  294306  294307  294308  294310  294311  294312  294314  294316  294320  294322  294326  294328  294332  294338  294340  294346  294350  294352  294356  294362  294368  294370  294376  294380  294382  294388  294392  294398  294406  447090 

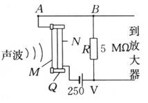
19.声传感器话筒能将______信号转换为_______信号,电容式话筒的保真度比动圈式话筒好,其工作原理如图所示。Q是绝缘支架,薄金属膜M和固定电极N形成一个电容器,被直流电源充电,当声波使膜片振动时,电容发生变化,电路中形成变化的电流。当膜片向右运动的过程中电容   (选填“变大”或“变小”), 导线AB中有   (选填“向左”或“向右”)的电流。

  

试题详情

18.按照你对以下几种传感器的理解填写下面表格中的空格中的内容。

传感器名称
输入(或感受)的量
输出的物理量
湿度计
湿度
电学量
光电二极管
 
电学量
压强传感器
 
电学量
话筒
 
电学量
热电偶
 
电学量

试题详情

17.传感器能够将感受到的物理量(如力、热、光、声)转换成便于测量的量,通常是电学量。如光敏电阻能够将      信号转换成电信号(填“力”、“光”、“声”、“热”)。

试题详情

16.传感器广泛应用到社会生活中,列举几种传感器____________、__________ 、_______。高考资

试题详情

15.在电饭煲的电路中,应用了       传感器。

试题详情

14.如图所示为光敏电阻自动计数器的示意图,其中R1为光敏电阻,R2为定值电阻,此光敏电阻计数器的工作原理是

A.当有光照R1时,信号处理系统获得高电压

B.当有光照R1时,信号处理系统获得低电压

C.信号处理系统获得一次低电压就计数一次

D.信号处理系统获得一次高电压就计数一次

试题详情

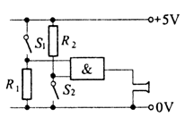
13.某自动控制车间的技术人员设计了一个简单的报警器电路图,满足下列哪个条件,该报警器将发出警报声

A.S1断开,S2闭合

B.S1闭合,S2断开

C.S1、S2都断开

D.S1、S2都闭合

试题详情

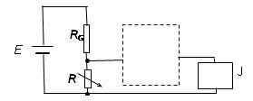
12.图甲为斯密特触发器,当加在它的输入端A的电压逐渐上升到某个值(1.6V)时,输出端Y会突然从高电平跳到低电平(0.25V),而当输入端A的电压下降到另一个值的时候(0.8V),Y会从低电平跳到高电平(3.4V)。图乙为一光控电路,用发光二极管LED模仿路灯,RG为光敏电阻。关于斯密特触发器和光控电路的下列说法中正确的是

A.斯密特触发器的作用是将模拟信号转换为数字信号

B.斯密特触发器的作用是将数字信号转换为模拟信号

C.调节R1和R2的阻值都不影响光线对二极管发光的控制

D.增大R1,可使二极管在光线更暗时才发光

试题详情

11.如图所示是一个路灯自动控制门电路。天黑了,路灯自动接通;天亮了,路灯自动熄灭。RG是光敏电阻(有光照射时,阻值会显著减小),R是分压电阻,J是路灯总开关控制继电器(路灯电路未画),虚线框内应安装的门路是

A.非门电路      B.与门电路 

C.或门电路      D.前面三种电路都可以

试题详情

10.传感器广泛应用在我们的生产生活中,常用的计算机键盘就是一种传感器。如图所示,键盘上每一个键的下面都连一小金属片,与该金属片隔有一定空气间隙的是另一小的固定金属片,这两金属片组成一个小电容器。当键被按下时,此小电容器的电容发生变化,与之相连的电子线路就能够检测出哪个键被按下,从而给出相应的信号。这种计算机键盘使用的是

A.温度传感器    B.压力传感器

C.磁传感器     D.光传感器

试题详情


同步练习册答案