0  294209  294217  294223  294227  294233  294235  294239  294245  294247  294253  294259  294263  294265  294269  294275  294277  294283  294287  294289  294293  294295  294299  294301  294303  294304  294305  294307  294308  294309  294311  294313  294317  294319  294323  294325  294329  294335  294337  294343  294347  294349  294353  294359  294365  294367  294373  294377  294379  294385  294389  294395  294403  447090 

14.一个共有10匝的闭合矩形线圈,总电阻为10Ω,置于水平面上。若线圈内的磁通量在0.02s内,由垂直纸面向里,从0.02wb均匀增加到0.06wb,则在此时间内,线圈内导线的感应电流大小为_________A。

试题详情

13.一个200匝、面积为20cm2 的圆线圈,放在匀强磁场中,磁场方向与线圈平面成30°角,磁感应强度在0.05s内由0.1T增加到0.5T,则初状态穿过线圈的磁通量是    Wb,在0.05s内穿过线圈的磁通量的变化量是    wb,线圈中平均感应电动势的大小是    V。

试题详情

12.如图所示,D1D2是两个相同的灯泡,L是一个自感系数相当大的线圈,其电阻与R相同,下列说法正确的是

  

A.线圈L中的电流变化越快,则其自感系数越大,自感电动势也越大

B.电键S闭合时D1先达最亮,断开时后暗

C.电键S闭合时D2先达最亮,断开时后暗

D.从S闭合到断开,D1D2始终一样亮

试题详情

11.如图电路中,自感线圈的直流电阻RL很小(可忽略不计),自感系数L很大。ABC是三只完全相同的灯泡,则S闭合后

  

A.S闭合瞬间,BC灯先亮,A灯后亮

B.S闭合瞬间,A灯最亮,B灯和C灯亮度相同

C.S闭合后,过一会儿,A灯逐渐变暗,最后完全熄灭

D.S闭合后过一会儿,BC灯逐渐变亮,最后亮度相同

试题详情

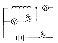
10.如图所示是测定自感系数很大的线圈L的直流电阻的电路,L两端并联一只电压表,用来测量自感线圈的直流电压,在测量完毕后,拆解电路时应

  

A.先断开S1        B.先断开S2

C.先拆除电流表      D.先拆除电压表

试题详情

9.在一通电长直导线附近放置一个导线圆环,当长直导线中的电流减小时,图中导线圆环里会产生感应电流的是:(甲)长直导线穿过导线环中心,和导线所在平面垂直;(乙)导线环对称地放在长直导线上面;(丙)长直导线放在导线环旁边且与环在同一平面内

  

A.只有甲     B.只有乙和丙    C.只有丙     D.只有甲和丙

试题详情

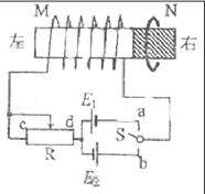
8.一长直铁芯上绕有一固定线圈M,铁芯右端与一木质圆柱密接,木质圆柱上套有一闭合金属环N,N可在木质圆柱上无摩擦移动。M连接在如图所示的电路中,其中R为滑线变阻器,为直流电源,S为单刀双掷开关。下列情况中,可观测到N向左运动的是

  

A.在S断开的情况下,S向a闭合的瞬间

B.在S断开的情况下,S向b闭合的瞬间

C.在S已向a闭合的情况下,将R的滑动头向c端移动时

D.在S已向a闭合的情况下,将R的滑动头向d端移动时

试题详情

7.如图所示,每米电阻为lΩ的一段导线被弯成半径r=1m的三段圆弧组成闭合回路.每段圆弧都是1/4圆周,位于空间直角坐标系的不同平面内:ab段位于xoy平面内,bc段位于yoz平面内,ca段位于zox平面内.空间内存在着一个沿x轴正方向的匀强磁场,其磁感应强度B随时间t变化的关系式为Bt=0.7+0.6t(T)。则

  

A.导线中的感应电流大小是0.1A,方向是a→c→b→a

B.导线中的感应电流大小是0.1A,方向是a→b→c→a

C.导线中的感应电流大小是(π/20)A,方向是a→c→b→a

D.导线中的感应电流大小是(π/20)A,方向是a→b→c→a

试题详情

6.如图甲所示,有一个等腰直角三角形的匀强磁场区域,其直角边长为L,磁场方向垂直纸面向外,磁感应强度大小为B。一边长为L、总电阻为R的正方形导线框abcd,从图示位置开始沿x轴正方向以速度υ匀速穿过磁场区域。取沿的感应电流为正,则图乙中表示线框中电流i随bc边的位置坐标x变化的图象正确的是

试题详情

5.图是法拉第研制成的世界上第一台发电机模型的原理图。将铜盘放在磁场中,让磁感线垂直穿过铜盘,图中a、b导线与铜盘的中轴线处在同一平面内,转动铜盘,就可以使闭合电路获得电流。若图中铜盘半径为L,匀强磁场的磁感应强度为B,回路总电阻为R,从上往下看逆时针匀速转动铜盘的角速度为ω,则下列说法正确的是

  

A.回路中有大小和方向作周期性变化的电流

B.回路中电流大小恒定

C.回路中电流方向不变,且从b导线流进灯泡,再从a流向旋转的铜盘

D.若将匀强磁场改为仍然垂直穿过铜盘的正弦变化的磁场,不转动铜盘,灯泡中也会有电流流过

试题详情


同步练习册答案