0  294210  294218  294224  294228  294234  294236  294240  294246  294248  294254  294260  294264  294266  294270  294276  294278  294284  294288  294290  294294  294296  294300  294302  294304  294305  294306  294308  294309  294310  294312  294314  294318  294320  294324  294326  294330  294336  294338  294344  294348  294350  294354  294360  294366  294368  294374  294378  294380  294386  294390  294396  294404  447090 

24.如图所示,线圈匝数n=100匝,面积S=50cm2,线圈总电阻r=10Ω,外电路总电阻R=40Ω,沿轴向匀强磁场的磁感应强度由B=0.4T在0.1s内均匀减小为零再反向增为B=0.1T,求:

  

(1)磁通量的变化率为多少?

(2)感应电流大小为多少?

(3)线圈的输出功率为多少?

试题详情

23.光滑 M 形导轨, 竖直放置在垂直于纸面向里的匀强磁场中,已知导轨宽L=0.5m,磁感应强度B=0.2T.有阻值为0.5Ω的导体棒AB紧挨导轨,沿着导轨由静止开始下落,如图所示,设串联在导轨中的电阻R阻值为2Ω,其他部分的电阻及接触电阻均不计.问:

(1)导体棒AB在下落过程中,产生的感应电流的方向和AB棒受到的磁场力的方向;

 (2)当导体棒AB的速度为5m/s(设并未达到最大速度)时,其感应电动势和感应电流的大小各是多少?

试题详情

22.有一个10匝的线圈放在匀强磁场中,磁场方向垂直于线圈平面,线圈的面积为10cm2。当t=0时,B­1=0.2T;经过0.1s后,磁场减弱为B2=0.05T,磁场方向不变,求线圈中的感应电动势。

试题详情

21.如图所示,桌面上平放着一个单匝线圈,线圈中心上方一定高度处有一竖置的条形磁体,此时线圈内的磁通量为0.05wb。把条形磁体竖放在线圈内的桌面上时,线圈内磁通量为0.15wb。当磁体由上述高度保持竖直状态向下运动到桌面时,穿过线圈的磁通量将如何变化?若此过程经历的时间为0. 5s,则线圈中的感应电动势为大?

试题详情

20.某同学在“探究电磁感应的产生条件”的实验中,设计了如图所示的装置。线圈A通过电流表甲、高阻值的电阻R’、变阻器R和开关S连接到干电池上,线圈B的两端接到另一个电流表乙上,两个电流表相同,零刻度居中。闭合开关后,当滑动变阻器R的滑片P不动时,甲、乙两个电流表指针的位置如图所示。

  

(1)当滑片P较快地向左滑动时,甲表指针的偏转方向是_________,乙表指针的偏转方向是________。(填“向右偏”、“向左偏”或“不偏转”)

(2)断开开关,待电路稳定后再迅速闭合开关,乙表的偏转情况是______________(填“向左偏”、“向右偏”或“不偏转”)

(3)从上述实验可以初步得出结论:                     

试题详情

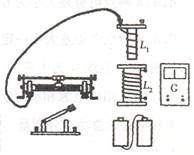
19.如图所示器材可用来研究电磁感应现象及确定感应电流方向。

(1)在给出的实物图中,用实线作为导线将实验仪器连成实验电路。

(2)线圈L1和L2的绕向一致,将线圈L1插入L2中,合上开关。能使L2中感应电流的流向与L1中电流的流向相同的实验操作是

A.插入软铁棒              B.拔出线圈L1

C.增大接人电路中的滑动变阻器的阻值   D.断开开关

试题详情

18.在研究电磁感应现象的实验中所用的器材如图所示,它们是:

a. 电流计  b. 直流电源  c. 带铁心的线圈A  d. 线圈B  e. 电键 

f. 滑动变阻器.(用来控制电流以改变磁场强弱)

(1)试按实验的要求在实物图上连线(图中已连好一根导线)。

(2)若连接滑动变阻器的两根导线接在线柱C和D上,而在电键刚闭合时电流计指针右偏,则电键闭合后滑动变阻器的滑动触头向接线柱C移动时,电流计指针将____。(填“左偏”、“右偏”或“不偏”)。

试题详情

17.一线圈共1000匝,通入如图所示电流,第1s内线圈中产生的自感电动势为1V,则线圈的自感系数为L=________H,3s末线圈中自感电动势为________。

  

试题详情

16.如图所示,同一闭合线圈,第一次用一根条形磁铁插入, 第二次用两根条形磁铁插入,前后插入的速度相同,问哪一次电流表指针偏转角度大?       (第一次或第二次)

试题详情

15.如上图所示,两条平行金属导轨abcd置于匀强磁场中,磁场方向垂直纸面向里,两导轨间的距离L=0.6m。金属杆MN沿两条导轨向右匀速滑动,速度v=10m/s,产生的感应电动势为3V。由此可知,磁场的磁感应强度B=___________T。

试题详情


同步练习册答案