0  295406  295414  295420  295424  295430  295432  295436  295442  295444  295450  295456  295460  295462  295466  295472  295474  295480  295484  295486  295490  295492  295496  295498  295500  295501  295502  295504  295505  295506  295508  295510  295514  295516  295520  295522  295526  295532  295534  295540  295544  295546  295550  295556  295562  295564  295570  295574  295576  295582  295586  295592  295600  447090 

(一),乙肝抗体呈阳性(+)。他说自己没有注射过乙肝疫苗,就此结果向你咨询,你

   应该给他怎样的合理建议?(说明:“+”表示有,“一”表示没有。)

   A.你体内带有乙肝抗体,说明一定也有乙肝病毒,需要到医院就诊

   B.你体内没有乙肝病毒,但含有乙肝抗体,一定是妈妈怀孕时传递给你的免疫力

   C.你体内没有乙肝病毒,但含有乙肝抗体,说明你可能曾感染乙肝病毒后痊愈了

   D.你体内没有乙肝病毒,但含有乙肝抗体,这是父母遗传给你的免疫力

25.人体免疫反应是机体识别“自己”、排除“非己”的过程,在这一过程中发生了一系列的变化。下列有关曲线中,哪一项最有可能是错误的

26.下列关于顶端优势的叙述中,错误的是                

A.顶芽生长衰弱,促进侧芽生长 B. 顶芽优先生长时,侧芽生长受抑制

C. 除去顶芽,侧芽生长被抑制 D.切除顶芽,切口涂以高浓度生长素,侧芽生长受抑制

27. 用月季作为实验材料进行NAA促进杆插校条生根的验证实验中,预实验结果如图所示,下列说法不正确的是

A、通过预实验可以确定实验浓度梯度位于2ppm~6ppm之间

B、NAA促进预插枝条生根的最适浓度是4ppm

C、该实验处理枝条的方法有浸泡法和沾蘸法   D、NAA不属于植物激素

28. 下图左侧为燕麦胚芽鞘所做的处理,那么一段时间后,右侧①  ②  ③  在图示位置时,其生长情况依次是 

 A.向右弯曲、向右弯曲、向右弯曲   B.向右弯曲、直立生长、向左弯曲

C.向左弯曲、直立生长、向右弯曲   D.向右弯曲、向左弯曲、向左弯曲

29. 水平放置在地面的植株,一段时间后,会发生的现象是

A. 远离地面一侧较靠近地面一侧生长素浓度高,茎向下弯曲生长

B.靠近地面一侧较远离地面一侧生长素浓度低,根向下弯曲生长

C.远离地面一侧较靠近地面一侧生长素浓度高,茎向上弯曲生长

D. 靠近地面一侧较远离地面一侧生长素浓度高,根向下弯曲生长

30. 如图表示生长素浓度对植物的根、芽和茎的生长的影响,此图给你的信息是

①生长素对三种器官的作用具有二重性,低浓度促进生长,高浓度  抑制生长   ②A、B、C点对应的浓度分别是促进根、芽、茎生长的最适宜浓度   ③D点对应的生长素浓度对茎的生长具有促进作用,却抑制了芽的生长   ④幼嫩的细胞对生长素反应灵敏,成熟的细胞对生长素反应不灵敏

A.①②    B.②④    C.①②④    D.①③④

31、植物扦插繁殖时,需要对插枝进行去除成熟叶片、保留芽和幼叶等处理,这样可以促进插枝成活。其原因

  ①芽和幼叶生长迅速.容易成活     ②芽和幼叶储存较多的营养物质

  ③芽和幼叶能产生生长素,促进生根   ④去除成熟叶片可降低蒸腾作用

A.①②   B.①④   C.②③  D.③④

32、右图是一反射弧的部分示意图,下列有关该图的叙述中不正确的是

A.①所示的结构包括细胞膜、细胞质和细胞核等结构,细胞质中一定含线粒体等细胞器

B.②是由突触前膜、突触间隙和突触后膜组成

C.②处兴奋传递方向为自下而上

D.如果婴幼儿时期营养不良,蛋白质等物质摄入过少,则会使①和②等结构减   少,脑重量变轻,造成智力缺陷

33、下列关于植物生长素作用及其应用的叙述中,不正确的是

 A.成熟细胞比幼嫩细胞对生长素更为敏感

 B.顶端优势能够说明生长素作用的两重性

 c.适宜茎生长的一定浓度的生长素往往抑制根的生长

 D.可利用生长素类似物防止落花落果

34、将下列活细胞放入浓蔗糖溶液中,发生质壁分离现象的细胞是 

   A分生区细胞   B成熟区细胞  C种子的胚细胞   D人的口腔上皮细胞

35、通过细胞质壁分离和复原实验,仍不能证明的是 

   A测定细胞液的浓度大小   B验证渗透作用

   C鉴定细胞死活       D证实渗透吸水是主要方式

36、细胞在发生质壁分离复原时,水分经过的结构依次是   

  A.细胞壁、细胞膜、细胞质、液泡膜  B、细胞膜、液泡膜、细胞质、细胞壁

  C、液泡膜、细胞质、细胞膜、细胞壁  D.细胞壁、细胞膜、液泡膜、细胞质

37、将甲、乙两植物细胞分别放入蔗糖溶液和甘油溶液中,两种溶液的浓度均比细胞液的浓度高,在显微镜下连续观察甲、乙两细胞的变化是 

A. 甲、乙两细胞均发生质壁分离,不发生质壁分离复原

B.甲、乙两细胞均发生质壁分离,但乙细胞随后又发生质壁分离复原

C. 甲、乙两细胞均发生质壁分离,但甲细胞随后又发生质壁分离复原

D.甲、乙两细胞均发生质壁分离,后又均发生质壁分离复原

38. 将新鲜的苔藓植物叶片放入有少量红墨水、含量为30%的蔗糖溶液中,  

在显微镜下观察,你会看到细胞的状态如图所示,此时部位①②的

颜色分别是

A.①无色  ②绿色   B.①红色  ②绿色 

C.①红色  ②无色   D.①红色  ②红色

39.与质壁分离与复原实验的实验材料及外界溶液有关的正确叙述分别是  

①实验材料必须是成熟的植物活组织细胞 

②细胞液最好有颜色,便于观察和判断细胞质壁分离和复原的程度 

③细胞液必须有颜色,否则不能发生质壁分离和复原实验 

④外界溶液的浓度应适中,不能过低或过高 

⑤外界溶液必须对细胞无毒害 

⑥外界溶液的浓度过高可以,但不能过低              

A.①②;④⑤   B.①③;④⑤     C.①②;⑤⑥    D.①③;⑤⑥

40、用洋葱鳞片叶表皮制备“观察细胞质壁分离实验”的临时装片,观察细胞的变化。下列有关实验操作和结果的叙述,正确的是              

A.将装片在酒精灯上加热后,再观察细胞质壁分离现象 

B.在盖玻片一侧滴入清水,细胞吸水膨胀但不会破裂 

C.用不同浓度的硝酸钾溶液处理细胞后,均能观察到质壁分离复原现象

D.当质壁分离不能复原时,细胞仍具正常生理功能

41.根据某洋葱外表皮细胞质壁分离和复原的现象,可以说明:

①细胞膜具有流动性   ②该细胞是活的细胞    ③细胞膜上具有蔗糖分子载体

④细胞壁伸缩性比原生质层小⑤成熟植物细胞是一个渗透系统  ⑥细胞失水发生质壁分离只能在清水才能复原

A.②④⑤⑥              B.①②④⑤⑥     

C.①②④⑤              D.②③④⑤

42.提取和分离叶绿体中色素的实验中,正确的操作顺序应该是( )。

A. 进行纸层析 -- 制取滤液 -- 在滤纸条上画线 -- 将实验材料研磨

B. 制取滤液 -- 进行纸层析 -- 在滤纸条上画线 -- 取滤液 -- 再画线

C. 将实验材料剪碎、研磨 -- 在滤纸条上画线 -- 制取滤液 -- 进行纸层析

D. 将实验材料剪碎、研磨 -- 制取滤液 -- 在滤纸条上画线 -- 进行纸层析

43.用纸层析法分离叶绿体色素时,滤纸条的最上端的色素名称和颜色分别是 

A.叶绿素a、蓝绿色  B.叶绿素b、黄绿色 C.胡萝卜素、橙黄色  D.叶黄素、黄色

44.下列关于“绿叶中色素的提取和分离”实验的叙述,不正确的是

A.溶解度越高的色素随层析液在滤纸上扩散越快

B.用纸层析法分离色素,滤纸条最下面色素带呈黄绿色

C.色素带最宽的是叶绿素a                                 

D.把画好细线的滤纸条插在层析液中,不断摇晃,以加快色素在滤纸条上的扩散

45.将一盆栽植物横放于地,则其水平方向的主根近地一侧生长素浓度变化的曲线为(图中虚线表示对根生长既不促进也不抑制的生长素浓度)

46.下列与激素有关的一组是

①果树整枝修剪   ②中耕松土     ③家禽家畜的阉割

④生产无籽西瓜 ⑤移栽花卉时常带土移栽   ⑥生产无籽番茄

A.①⑤⑥   B.①②③   C.①③⑥   D.③④⑥

47.将4株长势相似具顶芽的健壮植物,分别进行下列处理,其中侧芽能发育成枝条的是

 A.去顶芽后,在断口上放一琼脂小块

 B.去顶芽后,在断口上放一富含生长素的琼脂小块

 C.不去顶芽,在侧芽上涂以琼脂

 D.不去顶芽,在侧芽上涂以含低浓度生长素的琼脂

48. 将附有琼脂块a和b的胚芽尖端放在旋转器上(如图甲所示)。旋转器以适宜的速度匀速旋转数小时后,将琼脂块a和b取下,分别放在已除去顶端的胚芽切面(如图乙A、B所示),或胚根切面(如图乙C、D),经数小时后,生长方向最可能是(虚线表示原切面位置)

49.  49.人体大面积烧伤后,容易发生病菌等感染,主要原因是患者的

A.过敏反应增强            B.细胞免疫作用减弱

C.浆细胞数量减少           D.非特异性免疫功能下降

50. 乙烯和生长素都是重要的植物激素,下列叙述正确的是

    A.生长素是植物体内合成的天然化合物,乙烯是体外合成的外源激素

    B.生长素在植物体内分布广泛,乙烯仅存在于果实中

    C.生长素有多种生理作用,乙烯有作用只是促进果实成熟

    D.生长素有促进果实发育的作用,乙烯有促进果实成熟的作用

51. 下列表现与人体特异性免疫无关的是                               

A.麻疹是由麻疹病毒引起的,人的一生只会得一次麻疹

B.因注射青霉素而休克

C.服用脊髓灰质炎疫苗糖丸可预防小儿麻痹

D.伤口感染导致伤口流脓

52. 下列关于“探索生长素类似物促进插条生根的最适浓度”的探究过程的注意事项的说法不正确的是

A.在正式实验前先做一个预实验,目的是为正式实验摸索条件

B.找准枝条的上下端,防止颠倒

C.所用每个枝条都应留3-4个芽       D.此探究活动中不存在对照实验

53. 关于植物激素的叙述,正确的是

  A.植物激素是由植物体内的内分泌腺合成、分泌的微量有机物

 B.植物的向光性可以说明生长素能促进植物的生长

  C.乙烯能促进果实的成熟,所以在幼嫩的果实中含量较多

  D.细胞分裂素能促进细胞的分裂和细胞的伸长,所以在茎尖、根尖含量较多

54. 某糖尿病患者注射胰岛素无效,尿中仍然含有葡萄糖,可能的原因是(  )

①肾小管、集合管病变,对葡萄糖重吸收功能下降 ②接受胰岛素刺激的受体细胞功能异常 ③胰岛B细胞受损 ④胰岛A细胞受损

A.②③        B.①②         C.①④        D.②④

55. 下列能够表示洋葱表皮细胞在质壁分离和复原实验中,液泡体积变化的图形是

非选择题(共45分)

56. (6分)2007年5月至2010年9月8日,河南共监测发现蜱虫传播病例557例,死亡18例,“河南蜱虫叮咬事件”的元凶或将锁定为一种新型的布尼亚病毒,布尼亚病毒(Bunia virus)是具球形、有包膜和分节段负链RNA的1科病毒。因首先从乌干达西部的布尼亚韦拉分离到本科而得名。布尼亚病毒自然感染见于许多脊椎动物和节肢动物(蚊、蜱、白蛉等),可感染小鼠,并能在一些哺乳类、鸟类和蚊细胞培养中生长。对人可引起类似流感或登革热的疾病、出血热及脑炎。从目前来看,“新型布尼亚病毒”主要由蜱传播,是可以治疗的,而且病死率很低,不必恐慌。请结合所学知识,回答以下问题:

(1)用简单流程图表示新型布尼亚病毒入侵后,此人体内免疫系统发生体液免疫作用的主要过程。

(2)要防止蜱虫传播病例的传染,可通过接种疫苗来预防。下图为某健康成人注射新型布尼亚病毒疫苗后机体抗体浓度变化图。若此人在注射疫苗后第15天又感染了该病毒,此时一般不会患病,原因是                   

(3)布尼亚病毒与HIV病毒虽然同是RNA病毒,但是两者的作用对象与信息传递过程是不一样的,HIV病毒侵入人体后,攻击的主要对象是         细胞,最终患者丧失免疫能力。

57.(8分)将培养在琼脂培养基内的蚕豆幼苗,分别放入4个暗箱中,如下图所示。其中第2和第4两个暗箱分别在顶部和右侧开孔,使光线射入,请分析回答:

(1)用______两个装置进行实验,可了解蚕豆的生长与光线的方向之间的关系。

(2)用______两个装置进行实验,可了解蚕豆茎和根的生长与重力之间的关系。

(3)装置4中的蚕豆幼苗,其茎的生长情况是______,根的生长方向是_________。

58. (14分)右图表示植物生长素与其植物生长促进作用的关系,请据图回答下列问题:

(1)曲线OH段说明              

(2)曲线HB段说明             

(3)曲线上C点表示            

(4)生长素作用特点     

举出体现该特性的三个实例     

              

59. (8分)同一植株的不同器官或同一器官不同部位的生长素浓度往往不同。甲图是一株盆栽植物,乙图表示该植物不同器官对生长素浓度的反应。据图回答下列问题(要求:用乙图根、茎、芽三条曲线上相应字母所对应的浓度来表示甲图相应各点的生长素浓度): 

(1)乙图    点浓度可表示甲图①处生长素浓度,       点表示②

处生长素浓度。②处结构长不出来的原因是            

(2)将该植物较长时间置于右侧光照下,乙图      点浓度可表示③侧

生长素浓度;      点表示④侧生长素浓度。此时,植物茎将      生长。 

(3)能够促进茎生长的浓度范围是      mol·L-1,能够同时促进根、茎、

芽生长的浓度范围是          mol·L-1

60. (9分)下图表示用燕麦胚芽鞘进行的向光性实验。请据图回答:              

 (1)不生长也不弯曲的是______;生长且向光弯曲的是_____;生长但不弯曲的是_____;生长且向左弯曲的是__________。

 (2)该实验证明:胚芽鞘产生生长素的部位是_____;生长素具有______     的作用。植物的向光性是由于单侧光引起__________________________而造成的。

  (3)除去该实验证明的生长素作用外,再写出生长素的两个作用             

试题详情

1. 止痛药(如“杜冷丁”)并不损伤神经元的结构,在阻断神经冲动传导过程中,检测到突触间隙中神经递质(乙酰胆碱)的量不变。推测止痛药的作用机制是(  )

A.与突触后膜的受体结合         B.与突触前膜释放的递质结合

C.抑制突触前膜递质的释放        D.抑制突触小体中递质的合成

2. 挤牛奶的女工常与患牛痘的奶牛接触,她们手上会出现牛痘脓疱,但在天花流行时,却从不感染天花。这种免疫物质的产生与下列哪种细胞器的关系最密切

A.线粒体    B.内质网     C.高尔基体    D.核糖体

3.风湿性心脏病、系统性红斑狼疮等一类疾病是        

A.病原体感染机体而引发的疾病,有传染性

B.机体免疫功能不足或缺乏而引发的疾病、无传染性

C.人体免疫系统对自身的组织和器官造成损伤而引发的疾病

D.已免疫的机体再次接受相同物质的刺激而引发的过敏反应

4.右图是细胞免疫中x细胞与靶细胞密切接触后的杀伤作用过程示意 

图,其中x细胞是指

A.B细胞         B.T细胞  

C.效应B细胞      D.效应T细胞              

5.下列选项中,属于特异性免疫的是                                  

A.泪液中的溶菌酶可杀死沙眼衣原体

B.淋巴结内的吞噬细胞吞噬侵入人体内的链球菌

C.胃液中的盐酸可杀死部分进入胃内的细菌

D.体内的天花病毒抗体能防御天花病毒

6. 下列关于浆细胞产生途径的叙述,不正确的是                         

A.抗原直接刺激B细胞分化而成  B.吞噬细胞将抗原直接呈递给B细胞分化而成

C.T 细胞将抗原呈递给B细胞分化而成 D.抗原刺激记忆细胞分化而成

7. 在制备蛇毒抗毒素血清时,需将灭毒的蛇毒液注入家兔体内引起免疫反应,参与这一免疫反应的细胞有   

A.吞噬细胞、浆细胞、T细胞、效应T细胞  B.吞噬细胞、T细胞、B细胞、效应T细胞

C.吞噬细胞、T细胞、B细胞、浆细胞   D.吞噬细胞、记忆细胞、T细胞、效应T细胞

8.下列关于过敏原和抗原的叙述正确的是                

A.过敏原和抗原都是第一次进入机体就能引起相应反应

B.过敏原和抗原都是第二次进入机体才能引起相应反应

C.过敏原第二次进入机体才能引起过敏反应,抗原第一次进入就引起免疫反应

D.过敏原第一次进入机体就引起过敏反应,抗原第二次进入才能引起免疫反应

9. 免疫是机体的一种重要的保护性功能。下列不属于免疫过程的是           

A.花粉引起体内毛细血管扩张       B.移植的器官被排斥

C.抗SARS病毒的抗体清除SARS病毒   D.青霉素消灭肺炎双球菌

10. 下列关于植物生长素的叙述中,正确的是

A.在植物体内生长素含量是很少的

B.在植物体内生长素移动是从形态学上的顶端转向基部

C.在植物体内生长素的运输不需要能量

D.单侧光下燕麦胚芽鞘顶端和生长素可从向光侧横向运输到背光侧

11. 要得到番茄的无籽果实,需将一定浓度的生长素类似物溶液滴在雌蕊的柱头上。处理的时间和条件是

A.花蕾期,不去雄蕊     B.花蕾期,去掉雄蕊

C.开花期,不去雄蕊     D.开花期,去掉雄蕊

12. 如图所示,用燕麦胚芽鞘进行实验,一段

时间后,会引起弯曲现象的是

A.④⑤            

B.①②③

C.①③④

D.①④

13. 下列关于植物激素的叙述,错误的是

 A.赤霉素的主要作用是引起茎秆加粗 B.细胞分裂素一般在根尖合成

 C.脱落酸能抑制细胞分裂和种子萌发 D.乙烯是一种气体激素

14. 下列生理现象需要其他部位供应生长素的是

A.杨树顶芽的生长     B.燕麦胚芽鞘尖端以下部位的弯曲生长

C.番茄子房发育成果实   D.梨树侧芽萌发的抑制

15.如图一枝条上有三个芽A、B、C,当去掉顶芽数天后,在B、C处进行适当处理后放入两琼脂块M、N,过一段时间后取出,将M、N分别放在去掉尖端的胚芽鞘上,则胚芽鞘的生长情况为

16.番茄的体细胞中有12对染色体,利用一定浓度的生长素溶液处理没有受粉的番茄雌蕊,获得无籽番茄,其果实细胞内含有染色体

A.12条    B.24条    C.36条    D.48条

17.下列不属于生长素类似物在农业生产中应用的是

A.扦插繁殖不易生根植物时,用一定浓度的萘乙酸浸泡插枝的下端

B.一定浓度的2,4-D可作为除草剂使用,例如去除农田的双子叶杂草

C.在未授粉的雌蕊柱头上涂一定浓度的萘乙酸结出无籽果实

D.用吲哚乙酸喷洒棉株达到保蕾保铃的效果

18.下列关于酶及激素的叙述中,正确的是

A.酶与激素在生物体新陈代谢过程中的作用特点都是微量、高效、促进

B.生物体中能产生激素的细胞不一定能产生酶

C.生物体中能产生酶的细胞一定能产生激素

D.激素产生后一般作用于其他细胞

19. 牵牛花的茎可以缠绕在其他物体上生长,如果测量幼茎靠近物体的一侧和远离物体的一侧的生长素浓度会发现                                                  

   A.靠近物体的一侧高于远离物体的一侧  B.靠近物体的一侧低于远离物体的一侧

C.两侧的生长素浓度差不多       D.无法确定

20. 下图为燕麦胚芽鞘向光性实验,此实验主要说明

A.尖端感受光照刺激引起胚芽鞘向光弯曲

B.顶端向胚芽鞘背光一侧运输促进植物生长的物  质多

C.尖端产生的物质为吲哚乙酸

D.顶端胚芽鞘向光一侧运输生长素多

21. 将一组玉米胚芽鞘的顶端切除,分别在其左侧放置含有不同浓度生长素的琼脂块,在黑暗中保持一段时间,胚芽鞘可能向右弯曲(如右下图)。则胚芽鞘弯曲的角度B(纵轴)与琼脂块中生长素浓度(横轴)的关系可表示为 

22.以下免疫过程包含非特异性的是

A.吞噬细胞的吞噬作用    B.皮下注射狂犬病疫苗

C.胎儿通过胎盘从母体获得抗体  D.静脉注射抗狂犬病抗体

23.艾滋病是人类免疫缺陷疾病。有关此病的叙述,正确的是

  A.HIV主要通过感染人体B淋巴细胞,从而影响体液免疫

  B.艾滋病人群患恶性肿瘤的比率与健康人相比没有差异

  C.HIV在繁殖过程中,其RNA在宿主细胞中控制病毒自身蛋白质的合成

  D.目前接种疫苗是治疗艾滋病的有效措施

 24.高三学生小明最近到医院体检,体检报告中的肝功能检验结果显示:乙肝抗原呈阴性

试题详情

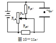
21. (9分)在图10-11中,电源的电动势E=18V,内阻r=1.0Ω,电阻R2=5.0Ω,R3=6.0Ω.平行金属板水平放置,两板间距d=2cm,当可变电阻R1的滑动头移到R1的中点时,电源的路端电压是16V,一个带电量q=-8.0×109C的油滴正好平衡于两板之间.(g=10m/s2)求:

(1)R1的总电阻;

(2)油滴的质量

试题详情

20.(12分)如图所示(a)电路,当变阻器的滑动片从一端滑到另一端的过程中两电压表的读数随电流表读数的变化情况如图(b)中的AC,BC两直线所示,不考虑电表对电路的影响。

 (1)电压表V1V2的示数随电流表示数的变化图象应分别为U-I图象中的哪一条直线?

 (2)定值电阻R0、变阻器的总电阻分别为多少?

 (3)试求出电源的电动势和内电阻。

 (4)变阻器滑动片从一端滑到另一端的过程中,变阻器消耗的最大电功率为多少?

(第20题)

试题详情

19. 有一电阻,其阻值大约在40-50Ω之间,需要进一步测定其阻值,手边现有下列器材:

器 材
代号
规   格
电池组
电压表
电流表
电流表
滑动变阻器
滑动变阻器
电键
几根连接用的导线
E
V
A1
A2
R1
R2
S
电动势9V,内阻约0.5Ω
量程0V-10V,内阻20kΩ
量程0mA-50mA,内阻约20Ω
量程0mA-300mA,内阻约4Ω
阻值范围为0Ω-100Ω,额定电流1A
阻值范围为0Ω-1700Ω,额定电流0.3A

有两种可供选用的电路如图10-4-18所示,实验要求多测几组电流、电压值,以便画出电流-电压关系图.

为了实验能正常进行并减小测量误差,而且要求滑动变阻器便于调节,在实验中应选图     

所示的电路,应选代号是    的电流表和代号

    的滑动变阻器.

试题详情

18.在等边三角形的三个顶点abc处,各有一条长直导线垂直穿过纸面,导线中通有大小相等的恒定电流,方向如图。过c点的导线所受安培力的方向(    )

  A.与ab边平行,竖直向上              

  B.与ab边平行,竖直向下

  C.与ab边垂直,指向左边

  D.与ab边垂直,指向右边

试题详情

17.如图所示,一矩形线框,从.abcd位置移动到a′b′c′d′位置的过程中,关于穿过线框的磁通量情况下列叙述正确的是(线框平行于纸面移动)(     )

A.一直增加

B.一直减少

C.先增加后减少

D.先增加,再减少直到零,然后再增加,然后再减少

试题详情

16.下列说法中,正确的是:(    )

(1)磁感强度是矢量,它的方向与通电导线在磁场中的受力方向相同;

(2)磁感强度的单位是特斯拉,1T=1N/A•m;

(3)磁通量的大小等于穿过磁场中单位面积磁感线的条数;

(4)磁通量的单位是韦伯,1Wb=1T•m2

A.只有(2)(4);         B.只有(2)(3)(4);

C.只有(1)(3)(4);       D.只有(1)(2);

试题详情

15.下列电路中,能使蜂鸣器发出声音的是(    )

试题详情

14、在用螺旋测微器测量金属导线的直径时,下述操作步骤中正确的是 [ ]

A.旋动旋钮K使测微螺杆P与小砧A接近,直至PA并拢,观察可动刻度H的零点与固定刻度G的零点是否恰好重合

B.旋动旋钮K测微螺杆P旋出,把被测金属导线放入螺杆P和小砧A之间的夹缝中,再使劲旋动旋钮K,直到螺杆P和小砧A紧紧夹住导线为止

C.由固定刻度G上读出导线直径的整毫米数,再从可动刻度H上读出其小数部分,读数时,尤其要注意G上半毫米刻度线是否已露出,再将两读数相加即得出导线的直径数值

D.为了减小测量误差,应在导线的同一部位测量3次,求其平均值即得该导线的直线d

试题详情


同步练习册答案