0  317200  317208  317214  317218  317224  317226  317230  317236  317238  317244  317250  317254  317256  317260  317266  317268  317274  317278  317280  317284  317286  317290  317292  317294  317295  317296  317298  317299  317300  317302  317304  317308  317310  317314  317316  317320  317326  317328  317334  317338  317340  317344  317350  317356  317358  317364  317368  317370  317376  317380  317386  317394  447090 

15.(7分)两根平行光滑金属导轨MNPQ水平放置, 其间距为0.60m, 磁感应强度为0.5OT的匀强磁场垂直轨道平面向下, 两导轨之间连接的电阻R=5.0Ω, 在导轨上有一电阻为 1.0Ω的金属棒ab, 金属棒与导轨垂直, 如图13所示.在ab棒上施加水平拉力F使其以1Om/s的水平速度向右匀速运动.设金属导轨足够长.求:

⑴ 金属棒ab两端的电压.

⑵ 拉力F的大小.

⑶ 电阻R上消耗的电功率.

试题详情

4.某电池的电动势ε=5V,内电阻r=10Ω,与一个R=90Ω的固定电阻和一个可变电阻R0串联的电路中,求R0由零增加到400Ω的过程中,可变电阻R0上消耗的热功率最大的条件和最大热功率。

 5.一定质量的理想气体,由状态a沿直线变化到状态b,如图21所示。问在此过程中,气体分子的平均速率变化情况如何?

 跟踪训练提示与答案

       

 5 质量一定的理想气体分子的平均速率与其状态参量T相对应,而之积大于4的临界点,即PV乘积最大值,对应的温度最高。因而气体分子的平均速率是先增大后减小的。

试题详情

3.一个光滑的圆锥面固定在水平桌面上,轴线沿竖直方向,圆锥角θ=60°,如图20。一条长为0.2m的轻质细线,一端固定在圆锥面内的顶点o处,另一端拴着一个质量为0.1kg的物体,悬挂在圆锥面内作水平匀速圆周运动。求:(1)当物体的角速度多大时,物体和圆锥面内表体的拉力多大?物体对圆锥内表面的压力多大?

试题详情

2.如图19所示,小车中有一夹角为60°的轻支架,其右端B处固定一个质量为1kg的重球。求:  (1)当车以2m/s2的加速度向右匀加速前进时,水平杆BC受到的作用力。

 (2)要使BC杆受力为零,则车的加速度大小和方向又应如何?

试题详情

1.如图18所示,将质量为1kg的小球挂在倾角为30°的光滑斜面向向右作匀加速运动时,绳对球的拉力和球对斜面的压力。(2)斜面体的加速度至少多大,向哪个方向时,小球对斜面的压力为零?(3)斜面体的加速度至少为多大,向哪个方向时,绳子的张力为零?

试题详情

6.临界值问题不仅在力学

 临界值问题在电学、热学、光学及综合物理题中是屡见不鲜的,只要抓住出现两种不同物理现象或状态的界,找准制约参量的临界值,这类问题就可迎刃而解,

 [例8]物体在透镜前垂直于透镜主轴放置,通过透镜成放大三倍的像。然后将物体向着透镜平行移近2cm,又得到放大二倍的像。求透镜的焦距。

 [解析]由通过透镜成放大的像,可推知此透镜一定是凸透镜。物体通过凸透镜既可在异侧成放大的实像,又可在同侧成放大的虚像。是放大实像还是放大虚像,是由物距的大小决定的,物距等于焦距是成实像或虚像的临界。所以此题有两解。

 第一种情况:物体从大于焦距处移到小于焦距处,即先成放大实像,后成放大虚像。设透镜焦距为f,先后的物距和像距分别为u1、u2、v1、v2,由透镜成像公式得

   

  

 (v1=3u1,|v2|=2u2)

 由题意u1-u2=2(cm)得f1=2.4(cm)。

 第二种情况:两次物体都在焦点以内,先后都成放大虚像。同理可得

 

 由题意 u1-u2=2(cm)得f2=12(cm)。

 跟踪训练

试题详情

5.单向约束解除的可能性(临界值问题)

 如果约束对物体的限制是单侧的,即它只限制物体不得从某一侧脱离约束,但却允许物体从另一侧脱离,在这类约束中,约束反力也是单侧的。对于这种单侧约束,应当注意约束解除的可能性。如在例1中,θ角在0°-90°的范围内是不会解除约束的,当其α角足够大,小球摆动,使θ角>90°,才可能向内作抛体运动,即约束解除有可能。如θ=180°,而小球仍没有离开圆周,则以后再也不可能离开圆周了。所以约束解除的范围只能在90°<θ<180°。如果α角大到可以使小球能以A为圆心,L-r为半径作圆周运动,则小球的单向约束将不能被解除。

 约束解除问题也称临界值问题。在具体问题中,何时解除约束,往往不能预先知道。为了找出约束解除的时刻(或位置)即临界值状态,常用的方法是:先假定物体不脱离约束、将假设的约束反力代入牛顿运动方程中求解,解出约束反力的表达式后,令其约束反力等于零(这就意味着约束解除),由此可求出相应的时刻(或位置)。

 [例4](83年高考题)一个光滑的圆锥体固定在水平桌面上,其轴线沿竖直方向,母线与轴线之间的夹角为30°(图示10),一条长度为L的绳(质量不计)一端固定在圆锥体的顶点A处,另一端系着一质量为m的小物体(小物体可看作质点),物体以速度v绕着圆锥体的轴线作水平匀速圆周运动(物体和绳在附图中都没画出)。求

 

 运动的,物体不仅受绳的力,而且同时受到锥面的力。受力如图11所示。沿圆周运动的法向和切向建立直角坐标系,

 根据牛顿运动定律的方程得

 

 Nsin30°+Tcos30°=mg (2)

 解得

   

   

 N为正值说明N的方向与假设相符合。

 (2)当N=0时,斜面对物体的约束解除物体处于临界状态,设此时速度为v0

 那么

 

 Tcos30°=mg(2)

 解得

 

 面做圆锥摆运动。设绳与竖直夹角为α,受力如图12所示,那么

  

 解得

 T'=2mg

 α= 45°

 本题中,无论v为何值,绳子的约束是不能解除的。下面两例也是临界问题

 [例5]光滑的斜面上用绳拴一质量为m的小球,如图13所示。当斜求绳上张力分别是多大?

 [解析]当加速度较小时,小球是压在斜面上的,小球受重力G、支持力N和张力T三个力的作用,受力如图14所示。当加速度很大时,小球将飘离斜面,此时小球只受重力G和张力T'的作用,受力如图15所示。为准确判断是属于哪一种情况,必须以小球压在斜面上还是飘离斜面为界,求出其制约参量加速度的临界值a0。当a<a0时,小球压在斜面上,且有支持力存在。当a>a0时,小球飘离斜面,当然也就没有支持力存在了。因此解这类问题时,可以先求出临界加速度

 小球将要飘离斜面时,N=0,但绳子与斜面仍然平行。受力如图15所示,其运动方程为

 Tcos45°=ma0 (1)

 Tsin45°=mg (2)

 联立式(1)、(2)解出a0=g

 此时小球受力如图14所示。其运动方程为

 

 Tsin45°+Ncos45°=mg(4)

 

 力如图15所示。此时绳与斜面已不再平行,设这时绳与水平方向的夹角为α,其运动方程为

 

 T′sinα= mg(6)

 

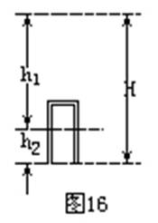
 [例6]一支圆柱形的玻璃管,质量为20g,密度为2g/cm3,高12cm,容积为20cm3。它的一端封闭,一端开口。现将其开口端竖直向下压入水中,在下压过程中管内的空气不跑出,且温度保持不变。求,当将管口压入水中H1=4m和H2=14m深处时,放手后管将如何运动?

 [解析]设管口压入某一深度H0时,放手后管处于平衡状态。这时管内空气的体积为V2,管内液面与管口的距离为h2,与水面的距离为h1,如图16所示。设玻璃管的体积为V3,以系统为对象,由平衡条件(忽略管内空气的重力):

 mg=(V3+V2g (1)

 代入(1)式解得

V2=10g/cm3

 再以管内封闭的空气为研究对象,取压入水中前为状态1,玻璃管平衡时为状态2,由玻意耳定律有:

P1V1=P2V2 (2)

∵P2=P1+P

P=P2-P1=1×105(Pa)

∴Pgh1 h1=10(m)

 这是一种不稳定平衡,当压入的深度H1=4m<H0时,浮力大于重力,玻璃管将会变加速上浮;当H2=14m>H0时,浮力小于重力,玻璃管将变加速下沉。H0是以玻璃管上浮或下沉为界时制约参量水的深度的临界值。

 [例7]如图17所示,一质量为m的小球,带正电荷Q,固定在绝缘细绳oA的B点,oB = r,A端套在以o为圆心,R为半径的光滑圆环上。整个系统同处在光滑绝缘的水平面上,且平面所在的区域具有强度为B方向竖直向上的匀强磁场。当A、B绕o以匀角速ω在水平面上顺时针旋转时,试讨论AB和oB两段绳的张力大小和方向。

 [解析]设当ω=0时,两段绳刚好伸直且张力都为零,而且绳子只能有张力不可能有压力。小球在作圆周运动时,可能受到任一段绳子的张力,令这个张力为T,规定沿半径指向圆心的为正。小球受到的洛仑兹力FB= BQv = BQωr,它的方向总是沿半径指向圆心的。T与FB的合力就是小球作圆周运动的向心力。其运动方程为

T+FB=mω2r

∴T=mω2r-BQωr

 

 当ω>ω0时,小球受到oB绳指向o的张力,AB段不受力;当ω<ω0时,小球受到AB绳沿半径向外的张力,oB段不受力。可见,以两段绳子哪段受力为界,ω0是制约参量的临界角速度。

试题详情

4.有摩擦力的约束中的区间问题

 约束反力在约束(曲线或曲面)的垂直方向(法向),如果有摩擦存在,它却在约束的切线方向。因此在研究有摩擦的约束问题时,先要根据物体有几个可能的运动方向,确定相应的摩擦力的方向。最常见的情况是存在两种可能的运动方向,故而摩擦力的方向也就有两种可能取向。因此,在运用牛顿运动定律列方程时,也将会出现两组,这就导致某些相关量参数有一变化区间。

 [例3]有一顶角为60°的锥形容器,在距顶点o为L=1.0m处有一质量m=1.0kg的小物体,让物体m与容器一起绕通过o点的竖直轴线作匀速转动(见图7)。(1)若ω1=5rad/s,则摩擦因数μ至少应为多大才能实现这一情况?(2)若ω2=8rad/s时,μ应为多大才能实现这一情况?

 [解析](1)先假设物体有向下滑动的趋势,则摩擦力将沿斜面向上,物体受力如图8所示,沿圆周的切向和法向建立直角坐标系,则牛顿运动定律方程为

  

 解得

 N=mgsinθ+mω2Lsinθcosθ

 

  =15.8(N)

 f=mgcosθ-mω2Lsin2θ

 

  =2.41(N)

 f>0,说明方向上与假设相符。

 

 (2)由f=mgcosθ-mω2-mω2Lsin2θ可知

 当f = 0时,w有一个临界角速度ω0存在。由此得

 mgcosθ=mω2Lsin2θ

 

 即当ω<ω0时,有下滑的趋势,摩擦力向上;当ω>ω0时,有上滑趋势,摩擦力向下。ω2=8rad/s>ω0,故f向下,受力如图9所示。牛顿运动定律方程

 Ncosθ+fsinθ=ω2mLsinθ

 Nsinθ=mg+fcosθ

 解得

  

 

 ∴μ2= f / N=7.34/32.7=0.22

 本题中,如果μ是恒定的,则要使m在确定的高度与锥形容器一起作圆周运动,则角速度ω必有一个变化范围,即当ω<ω0时,有下滑趋势,f向上,相应建立牛顿运动方程求出ω的最小值ωmax;当ω>ω0时,有上滑趋势,f向下,相应建立牛顿运动方程,求出ω的最大值ωmax,则ω的变化范围是ωmin<ω<ωmax

试题详情

3.双向约束问题中约束反力的转换

 如果约束从两侧限制物体的运动,则约束反力的方向是可能发生改变的,这一点可以通过下面的例子看出。

 [例2]用细线把质量为M的大圆环挂起来,环上套有两个质量均为m的小环,它们可以在大环上无摩擦地滑动。若两小环同时从大环顶部由则大环会升起来。并求大环开始上升时小环位置θ为多少?

 [解析]此题中小环受到双向约束。设细线张力为T,小环与大环间相互作用力为N(即约束反力),小球滑到位置θ角时的速度为v。则

 

 由式(1)、(2)可解得约束反力

 N=mg(3cosθ-2)

 变方向。小环对大环的反作用力将可以提供向上的分力,从而可能使大环升起。

 对大环:T=Mg+2Ncosθ(3)

 当大环升起时,绳子张力T=0,(绳对大环的约束解除)

 ∴T=Mg+2Ncosθ

   =Mg+2mg(3cosθ-2)cosθ

   =0

 6mcos2θ-4mcosθ+M=0

 

 cosθ有解,此时小环的位置用θ角表示为

 

试题详情

2.约束反力的求解

 约束反力的大小及其变化情况,往往不能预先知道,也不是都能由平衡条件计算出来的,而需要根据物体的运动被限制在约束上这一条件,运用牛顿运动定律列方程求解。

 [例1]一质量为m的小球,与长为l的细绳组成一单摆。现将此单摆拉到与竖直线成α角的位置,由静止释放,在摆动途中,摆绳被一钉子A所阻,钉子与摆的悬挂点o相距r,两者连线与竖直线成β角。如图5所示。试求:

 (1)摆绳为钉子所阻后,绳子张力的表达式。

 (2)小球在继续上升的过程中,若摆绳发生弯曲,在此情况下,L、r、β、α之间的关系。

 [解析](1)小球从开始摆动到摆绳发生弯曲之间,都属于单向约束问题。小球摆到图示位置B时,是以钉子A为圆心的,以L-r为半径的圆周运动。设绳子对小球的约束反力为T,AB线与竖直夹角为θ,由机械能守恒定律得

 

 由牛顿运动定律得此时法向方向方程

 

 式(1)、(2)联立解得

 

 (2)若绳子发生弯曲,则T=0,意味着约束解除,由此条件求得

 

  

 1<cosθ<0

 即 

 由此得出的L,r,α,β应满足的条件为

 3(L-r)<-2(rcosβ-Lcosα)<0

 即 

试题详情


同步练习册答案