0  317242  317250  317256  317260  317266  317268  317272  317278  317280  317286  317292  317296  317298  317302  317308  317310  317316  317320  317322  317326  317328  317332  317334  317336  317337  317338  317340  317341  317342  317344  317346  317350  317352  317356  317358  317362  317368  317370  317376  317380  317382  317386  317392  317398  317400  317406  317410  317412  317418  317422  317428  317436  447090 

24.2:3(得2分),4/15(得2分).25.4×10-5 v(得2分),4×10-7 N(得2分).

试题详情

23.1.2×109(得2分),2.4×1010 (得2分).

试题详情

22.中子数(得1分),质子数(得1分), 7(得1分),4(得1分).

试题详情

21.R2(得2分),增大(得2分).

试题详情

第Ⅱ卷  (共94分)

试题详情

33.(14分)如图所示,一对平行光滑轨道放置在水平面上,两轨道相距L=1m,两轨道之间用电阻R=2Ω连接,有一质量为m=0.5kg的导体杆静止地放在轨道上与两轨道垂直,杆及轨道的电阻皆可忽略不计,整个装置处于磁感应强度B=2T的匀强磁场中,磁场方向垂直轨道平面向上.现用水平拉力沿轨道方向拉导体杆,使导体杆从静止开始做匀加速运动.经过位移s=0.5m后,撤去拉力,导体杆又滑行了相同的位移s后停下.

求:(1)全过程中通过电阻R的电荷量;

(2)匀加速运动的加速度;

(3)画出拉力随时间变化的F-t图象.

杨浦区2009学年度高三学科测试

物理试卷参考解答和评分标准

第I卷  (共56分)

试题详情

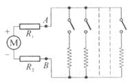
32.(14分)如图所示的电路中,直流发电机M的电动势E=250 V,内阻r =0.5Ω,

R1 =R2 =1Ω.电热器组中装有50只完全相同的电热器,每只电热器的额定电压为200 V,额定功率为l 000 W,其他电阻不计,也不计电热器电阻随温度的变化.问:

(1) 当接通几只电热器时,实际使用的电热器都能正常工作?

(2) 当接通几只电热器时,被接通电热器的总消耗功率最大?

(3) 当被接通电热器的总消耗功率最大时,电阻R1R2和内阻r上消耗的功率分别为多少?

试题详情

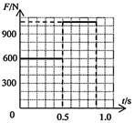
31.(12分)起跳摸高是学生常进行的一项活动,竖直起跳的时间和平均蹬地力的大小能够反映学生在起跳摸高中的素质.为了测定竖直起跳的时间和蹬地力的大小,老师在地面上安装了一个压力传感器,通过它可以在计算机上绘出平均压力与时间的关系图象.小刘同学身高1.72m,站立时举手达到2.14m,他弯曲两腿,做好起跳的准备,再用力蹬地竖直跳起,测得他对传感器的压力F与时间t的关系图象如图所示.已知图中网格间距相等,不计空气阻力,取g = 10m/s2.求小刘同学起跳摸高的最大高度约为多少?

试题详情

30.(10分)如图所示是录自明代《天工开物》中的一幅图,它描述的是我同古代的一种农业机械,叫做水碾.它是利用水的动能来做功的装置.当水冲击下部水轮时,转动的轮子会带动上部的石碾来碾米.水从右边进入,左边流出.假若每秒钟冲击叶片的水流为10 kg,水速从5 m/s减小为1 m/s.则每秒钟水流对叶轮做的功为多大?

试题详情

29.(10分)发光晶体二极管是用电器上做指示灯用的一种电子元件.它的电路符号如图(甲)所示,正常使用时,带“+”号的一端接高电势,带“-”的一端接低电势。某同学用实验的方法测得它两端的电压U和通过它的电流I的关系数据如表中所示.

U / V
0
0.4
0.8
1.2
1.6
2.0
2.4
2.6
2.8
3.0
I / mA
0
0.9
2.3
4.3
6.8
13.0
19.0
24.0
30.0
37.0

①   在图(乙)中的虚线内画出该同学的实验电路图.(实验用电压表V:内组RV约为

10kΩ,电流表mA:内阻RmA约为100Ω)

②在图(丙)中的小方格纸上用描点法画出二极管的伏安特性曲线.

③若发光二极管的最佳工作电压为2.0V,而电源是由内阻不计、电动势为3V的供电系统提供的.请根据所画出的伏安特性曲线上的信息,分析应该串联一个阻值多大的电阻再与电源接成闭合电路,才能使二极管工作在最佳状态?(结果保留二位有效数字)

   

试题详情


同步练习册答案