0  339332  339340  339346  339350  339356  339358  339362  339368  339370  339376  339382  339386  339388  339392  339398  339400  339406  339410  339412  339416  339418  339422  339424  339426  339427  339428  339430  339431  339432  339434  339436  339440  339442  339446  339448  339452  339458  339460  339466  339470  339472  339476  339482  339488  339490  339496  339500  339502  339508  339512  339518  339526  447090 

4.判断图示半球为

A.南半球  B北半球  C.东半球  D.西半球

试题详情

3.图中a处的盛行风向是

A.东北风   B.西北风   C.东南风   D.西南风

试题详情

2.若该图所示阴影部分代表3月5日,则P点时间为(   )

A.3月5日6时        B.3月6日6时 

C.3月5日12时        D.3月6日12时

下图是“半球近地面风带分布示意图”,读图完成以下2题

试题详情

如图所示,回答2题。

1. 当地球上昼半球与东半球重合时,此时太阳直射点的经纬度是(   )

A. 70°E,0°  B. 90°W,0°  C.90°N,0°  D. 180°E,0°

试题详情

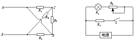
15.(12分)某一电源对外供电电路如图2-8-15所示,已知R1=6 Ω,电源内阻r=1 Ω,滑动变阻器的电阻R2的变化范围为0~4 Ω. 

(1)当闭合开关S后,将变阻器调到R2=2 Ω时,电源消耗总功率为16 W,电源输出功率为12 W,求灯泡电阻RL的阻值? 

(2)若将开关S断开,此时灯泡L消耗的功率为多少? 

(3)在开关S断开的情况下,仍要使灯泡消耗的功率和S闭合时相同,应将滑动变阻器的滑动片向哪边移动?移动到使其有效电阻值R2′等于多少的位置?

试题详情

14.(12分)如图2-8-14所示,R1=R2=R4=4 Ω,R3=2 Ω.求: 

(1)电路AB间总电阻. 

(2)若UAB=4 V,将AD断开后,接入一电流表示数是多少?接入一电压表示数又是多少?

图2-8-14              图2-8-15

试题详情

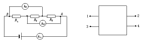
13.(12分)在如图2-8-13所示的三个电路中,ab间的电压恒定不变,(甲)图中电流表A1的示数为2 A,A2的示数为3 A;(乙)图中两个电流表的示数均为4 A,试求通过(丙)图中定值电阻R的电流多大? 

图2-8-13

试题详情

12. 一个盒子装有由导线和几个阻值相同的电阻组成的电路.盒子外面有四个接线柱,如图2-8-12所示,测得1、3间电阻是3、4间电阻的3倍,是1、4间电阻的1.5倍,接线柱2、4间没有明显的电阻,用最少的电阻画出盒内的电路图. 

试题详情

11.如图2-8-11所示,三个电阻R1=R2=R3,电流表A1、A2、A3阻可以忽略,则三个电表的读数之比是I1I2I3=_______. 

图2-8-11             图2-8-12

试题详情

10.如图2-8-10所示电路由8个不同的电阻组成,已知R1=12 Ω,其余电阻阻值未知,测得AB间的总电阻为4 Ω,今将R1换成6 Ω的电阻,则AB间的总电阻变为_____Ω.

试题详情


同步练习册答案