0  339710  339718  339724  339728  339734  339736  339740  339746  339748  339754  339760  339764  339766  339770  339776  339778  339784  339788  339790  339794  339796  339800  339802  339804  339805  339806  339808  339809  339810  339812  339814  339818  339820  339824  339826  339830  339836  339838  339844  339848  339850  339854  339860  339866  339868  339874  339878  339880  339886  339890  339896  339904  447090 

1.江苏省泰州市三所重点高中2010届高三期末下列说法正确的是  (  B  )

 A.电荷放在电势高的地方,电势能就大

 B.无论正电荷还是负电荷,克服电场力做功它的电势能都增大

 C.正电荷在电场中某点的电势能,一定大于负电荷在该点具有的电势能

 D.电场强度为零的点,电势一定为零

试题详情

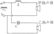
28、“二分频’’音箱内有高、低两个扬声器。音箱要将扩音机送来的含有不同频率的混合音频电流按高、低段分离出来,送往相应的扬声器,以便使电流所携带的音频信号按原比例还原成高、低频的机械振动。右图为音箱的电路简化图,高低频混合电流由端输入,是线圈,是电容器,则(    )ABD

、甲扬声器是低音扬声器;

的作用是阻碍低频电流通过乙扬声器;

、乙扬声器的振幅一定大;

的作用是阻碍高频电流通过甲扬声器;

试题详情

27、某电厂发电机的输出电压稳定,它发出的电先通过电厂附近的升压变压器升压,然后用输电线路把电能输送到远处居民小区附近的降压变压器,经降低电压后输送到用户,设升、降变压器都是理想变压器,那么在用电高峰期,白炽灯不够亮,但电厂输送的总功率增加,这时      (    )C

A.升压变压器的副线圈的电压变大  B.降压变压器的副线圈的电压变大

C.高压输电线路的电压损失变大   D.用户的负载增多,高压输电线中的电流减小

试题详情

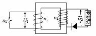
26、如图所示是霓虹灯的供电电路,电路中的变压器可视为理想变压器,已知变压器原线圈与副线圈匝数比,加在原线圈的电压(V),霓虹灯正常工作的电阻R=440 kΩ,I1I2表示霓虹灯正常工作时原、副线圈中的电流,下列判断正确的是  BC

(A)副线圈两端电压约为6220 V,副线圈中的电流约为14.1 mA                            

(B)副线圈两端电压约为4400 V,副线圈中的电流约为7.0 mA

(C)I1I2

(D)I1I2

试题详情

25、一根电阻丝接入100V的恒定电流电路中,在1min内产生的热量为Q,同样的电阻丝接 入正弦交变电流的电路中,在2min内产生的热量也为Q,则该交流电压的峰值是 D

A.141.4V   B.100V    C.70.7V   D.50V

试题详情

24、在收音机电路中,经天线接收下来的电信号既有高频成分又有低频成分,经放大后送到下一级,需要把高频成分和低频成分分开,只让低频成分输入下一级,如果采用如图所示的电路,图中虚线框ab内只用一个电容器或电感器,那么(    )AC

A.a是电容器,用来通高频阻低频

B.a是电感器,用来阻交流通直流

C.b是电感器,用来阻高频通低频

D.b是电容器,用来阻高频通低频

试题详情

23、如图所示,变压器的输入电压恒定,在下列措施中能使电流表示数变大的是  AD

A.保持变阻器的滑片不动,将K从2拨向1     

B.保持变阻器的滑片不动,将K从1拨向2

C.保持K与1相连接,将变阻器的滑片向上移   

D.保持K与1相连接,将变阻器的滑片向下移

试题详情

22、某交变电流的u-t图象如图所示,将它加在一个阻值为110的电阻器两端。下列说法中正确的是  C

A.电压有效值为220V

B.电流的周期为0.01s

C.如果在该电阻器两端并联一个交流电压表,该电压表的示数为220 V

D.如果在该电路中串联一个交流电流表,该电流表的示数为2A

试题详情

21、矩形线框在匀强磁场内匀速转动过程中,线框输出的交流电压随时间变化的图像如图所示,下列说法中正确的是BC

  A.交流电压的有效值为36V

  B.交流电压的最大值为36V,频率为0.25Hz

  C.2s末线框平面垂直于磁场,通过线框的磁通量最大

  D.1s末线框平面垂直于磁场,通过线框的磁通量变化最快

试题详情

20、今年春节前后,我国部分省市的供电系统由于气候原因遭到严重破坏。为此,某小区启动了临时供电系统,它由备用发电机和副线圈匝数可调的变压器组成,如图所示,图中R0表示输电线的电阻。滑动触头P置于a处时,用户的用电器恰好正常工作,在下列情况下,要保证用电器仍能正常工作,则 AC

A.当发电机输出的电压发生波动使V1示数小于

正常值,用电器不变时,应使滑动触头P向上滑动

B.当发电机输出的电压发生波动使V1示数小于

正常值,用电器不变时,应使滑动触头P向下滑动

C.如果V1示数保持正常值不变,那么当用电器增加时,滑动触头P应向上滑

D.如果V1示数保持正常值不变,那么当用电器增加时,滑动触头P应向下滑

试题详情


同步练习册答案