0  349776  349784  349790  349794  349800  349802  349806  349812  349814  349820  349826  349830  349832  349836  349842  349844  349850  349854  349856  349860  349862  349866  349868  349870  349871  349872  349874  349875  349876  349878  349880  349884  349886  349890  349892  349896  349902  349904  349910  349914  349916  349920  349926  349932  349934  349940  349944  349946  349952  349956  349962  349970  447090 

2.用弹簧秤竖直悬挂一个静止的小球,下面说法正确的是(  )

A.小球对弹簧秤的拉力就是小球的重力

B.小球对弹簧秤的拉力大小等于小球的重力大小

C.小球的重力的施力物体是弹簧秤

D.小球的重力的施力物体是地球

(考查重力的概念)

试题详情

1.下列说法正确的是(  )

A.甲用力把乙推倒而自己并未倒下,说明只是甲对

乙施加了推力,而乙对甲没施加推力

B.甲对乙施加了力的作用,甲是施力物体,同时也是受力物体

C.带正电的甲球吸引带负电的乙球,那么乙球也吸引甲球,但是磁铁吸引铁块,而铁块不会吸引磁铁

D.力不能离开物体单独存在

 (考查重力的概念)

试题详情

12. 有一劲度因数为K2的轻弹簧竖直固定在桌面上,上面连一质量为m的物块,另一劲度系数为k1的轻弹簧竖直固定在物块上,开始时弹簧K1处于原长(如图1-B-12所示)现将弹簧k1的上端A缓慢地竖直向上提高,当提到K2的弹力大小为2mg/3时,求A点上升的高度为多少?

试题详情

11. 如图1-B-11所示,A叠放在物体B上,地板是粗糙的,F是水平力。在下列三种情况下,试判断物体A所受摩擦力的情况。   图1-B-11

 ①在水平力F作用下向右作匀速运动,且

   ②速度

   ③速度:

试题详情

10. 如图1-B-10所示,质量m=10kg和M=20kg的两物块,叠放在动摩擦因数为µ=0.50的粗糙水平地面上,质量rn的物块通过处于水平位置的轻弹簧与竖直墙连接,初始弹簧处于原长,弹簧的劲度系数k=250N/m.现将一水平力F作用在物块上,使其缓慢地向墙壁靠近,当移动40cm时,两物块间开始滑动,此时水平推力F的大小为        

  

试题详情

9.如图1-B-9所示,质量为m,横截面为直角三角形的物快ABC,∠ABC=,AB边靠在竖直墙上,F是垂直于斜面BC的推力,现物快静止不动,求摩擦力的大小.

试题详情

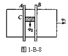
8. 如图1-B-8所示,质量为m的工件置于水平放置的钢板C上,二者间动摩擦因数为μ,由于光滑导槽A、B的控制,工件只能沿水平导槽运动,现在使钢板以速度ν1向右运动,同时用力F拉动工件(F方向与导槽平行)使其以速度ν2沿导槽运动,则F的大小为

 A等于μmg   B.大于μmg

  C小于μmg   D.不能确定

试题详情

7.如图1-B-7所示,轻绳的一端系在质量为m的物体上,另一端系在圆环上,圆环套在粗糙水平横杆MN上.现用水平力F拉绳上一点,使物体处在图中实线位置,然后改变F的大小,使其缓慢下降到图中虚线位置,圆环仍在图中虚线位置不动,则在这一过程中,水平拉力F,环与杆的摩擦力f和环对杆的压力N的 变化情况是  (   )

  A.F增大,f不变,N增大

  B.F增大,f不变,N不变   ,

  C.F减小,f减小,N不变

  D.F减小,f减小,N减小

试题详情

6.用一个水平推力F=Kt (K为恒量,t为时间)把一重为G的物体压在竖直的足够高的平整墙上,如图1-B-5所示,从t=0开始物体所受的摩擦力f随时间t变    图1-B-5

化关系是图1-B-6中的哪一个?(   )

        图1-B-6

试题详情

4.一皮带传动装置,轮A、B均沿同方向转动,设皮带不打滑,A、B为两边缘上的点,某时刻a、b、o、o’位于同一水平面上,如图1-B-3所示。设该时刻a、b所受摩擦力分别为fafb,则下列说法正确的是   (   )

 

         图1-B-3

   A.fafb都是动力、而且方向相同

   D.fafb都是阻力,而且方向相反

   C.fa若是动力,则fb一定是阻力,两力方向相反

   D.fa若是阻力,则fb一定是动力,两方向相同

 5.如图1-B-4所示,物体受水平力F作用,物体和放在水平面上的斜面都处于静止,若水平力F增大一些,整个装置仍处于静止,则   图1-B-4

A、  斜面对物体的弹力一定增大;

B、  斜面与物体间的摩擦力一定增大;

C、  水平面对斜面的摩擦力不一定增大;

D、  水平面对斜面的弹力一定增大;

试题详情


同步练习册答案