0  411798  411806  411812  411816  411822  411824  411828  411834  411836  411842  411848  411852  411854  411858  411864  411866  411872  411876  411878  411882  411884  411888  411890  411892  411893  411894  411896  411897  411898  411900  411902  411906  411908  411912  411914  411918  411924  411926  411932  411936  411938  411942  411948  411954  411956  411962  411966  411968  411974  411978  411984  411992  447090 

3.四个小球在离地面不同高度同时从静止释放,不计空气阻力,从开始运动时刻起每隔相等的时间间隔,小球依次碰到地面.下列各图中,能反映出刚开始运动时各小球相对地面的位置的是                 (   )

试题详情

2.在“探究弹性势能的表达式”的活动中,为计算弹簧弹力所做的功,把拉伸弹簧的过程分为很多小段,当每一段足够小时,拉力在每小段可以认为是恒力,用各小段做功的代数和代表弹力在整个过程所做的功,物理学中把这种研究方法叫做“微元法”.下面几个实例中应用到这一思想方法的是                 (   )

A.由速度的定义,当非常小,就可以表示物体在t时刻的瞬时速度

B.在探究加速度、力和质量三者之间关系时,先保持质量不变研究加速度与力的关系,再保持力不变研究加速度与质量的关系

C.在推导匀变速直线运动位移公式时,把整个运动过程划分成很多小段,每一小段近似看作匀速直线运动,然后把各小段的位移相加

D.在不需要考虑物体本身的大小和形状时,用有质量的点来代替物体,即质点

试题详情

1.在下列运动状态下,物体处于平衡状态的有                           (   )

A.秋千摆到最低点时  

B.蹦床运动员上升到最高点速度为零时

C.水平匀速运动的传送带上的货物相对于传送带静止时

D.宇航员翟志刚、刘伯明、景海鹏乘坐“神舟七号”进入轨道做圆周运动时

试题详情

(二) 从下表中选出适当的实验器材,设计一电路来测量电流表A1的内阻r1,要求方法简捷,有尽可能高的测量精度,并能测得多组数据.

器材(代号)
规     格
电流表(A1)
电流表(A2)
电压表(V)
电阻(R1)
滑动变阻器(R2)
电源(E)
电键(S)
电线若干
量程10 mA内阻r1待测(约40Ω)
量程500μA、内阻r2=750Ω
量程10 V、内阻r3=10 kΩ
阻值约为100Ω,作保护电阻用
总阻值约50Ω
电动势1.5 V,内阻很小

(1)在虚线方框中画出电路图,标明所用器材的代号.

(2)若选测量数据中的一组来计算r1,则所用的表达式为r1         ,式中各符号的意义是:                              

 

   10、(14分)如图所示的装置可以测量飞行器在竖直方向上做匀加速直线运动的加速度.该装置是在矩形箱子的上、下壁上各安装一个可以测力的传感器,分别连接两根劲度系数相同(可拉伸可压缩)的轻弹簧的一端,弹簧的另一端都固定在一个滑块上,滑块套在光滑竖直杆上.现将该装置固定在一飞行器上,传感器P在上,传感器Q在下.飞行器在地面静止时,传感器P、Q显示的弹力大小均为10 N.求:

(1)滑块的质量.(地面处的g=10 m/s2)

(2)当飞行器竖直向上飞到离地面处,此处的重力加速度为多大?(R是地球的半径)

(3)若在此高度处传感器P显示的弹力大小为F'=20 N,此时飞行器的加速度是多大?

11、(18分)汤姆生在测定阴极射线的比荷时采用的方法是利用电场、磁场偏转法,即通过测出阴极射线在给定匀强电场和匀强磁场中穿过一定距离时的速度偏转角来达到测定其比荷的目的。利用这种方法也可以测定其它未知粒子的比荷,反过来,知道了某种粒子的比荷,也可以利用该方法了解电场或者磁场的情况。假设已知某种带正电粒子(不计重力)的比荷(q/m)为k,匀强电场的电场强度为E,方向竖直向下。先让粒子沿垂直于电场的方向射入电场,测出它穿过水平距离L时的速度偏转角θ(见图甲);接着用匀强磁场代替电场,让粒子以同样的初速度沿垂直于磁场的方向射入磁场,测出它通过一段不超过1/4圆周长的弧长s后的速度偏转角φ(见图乙)。试求出以k、E、L、s、θ和φ所表示的测定磁感应强度B的关系式。

24(22分)磁悬浮列车的原理如图所示,在水平面上,两根平行直导轨上有一正方形金属框abcd,导轨间有竖直方向且等距离(跟ab边的长度相等)的匀强磁场B1和B2。当匀强磁场B­­1和B2同时以速度V沿直导轨向右运动时,金属框也会沿直导轨运动。设直导轨间距为L=0.4m,B1=B2=1T,磁场运动的速度为V=5m/s。金属框每边的电阻均为r=0.5Ω,试求:

(1)若金属框没有受阻力时,金属框向何方向运动?

(2)金属框始终受到1N的阻力时,金属框最大速度是多少?

(3)当金属框始终受到1N阻力时,要使金属框维持最大速度运动,每秒钟需消耗多少能量?

试题详情

9、(一) 用右图所示的实验装置测量物体沿斜面匀加速下滑的加速度.打点计时器打出的纸带如下图所示.

    已知纸带上各相邻点的时间间隔为T,则可以得出打点计时器在打D点时小车的速度的表达式为      ,小车运动的加速度的表达式为            .

试题详情

8、如图所示,L为竖直、固定的光滑绝缘杆,杆上o点套有一质量为m、带电量为-q的小环,在杆的左侧固定一电荷量为+Q的点电荷,杆上a、b两点到+Q的距离相等,oa之间距离为h1,ab之间距离为h2,使小环从图示位置的o点由静止释放后,通过a点的速率为。则下列说法正确的是(   )BC

A.小环通过a、b两点时的速度大小相等

B.小环通过b点的速率为

C.小环在oa之间的速度不断增大       D.小环从o到b,电场力做的功可能为零

试题详情

7. 如图所示,电源电动势为E,内电阻为r,平行板电容器两金属板水平放置,S闭合后,两板间恰好有一质量为m、电量为q的油滴处于静止状态,G为灵敏电流计。则以下说法正确的是(   )

      A.若滑动变阻器滑动触头向上移动,则油滴仍然静止,G

中有a→b的电流

    B.若滑动变阻器滑动触头向下移动,则油滴向下加速运动,

G中有b→a 的电流

    C.若滑动变阻器滑动触头向上移动,则油滴向上加速运动,

G中有则b→a的电流

    D.若将S断开时,则油滴将向下移动,G中有a→b的电流

试题详情

5、一个边长为6cm的正方形金属线框置于匀强磁场中,线框平面与磁场垂直,电阻为0.36Ω。磁感应强度B随时间t的变化关系如图所示,则线框中感应电流的有效值为             (   )

    A.×10-5A     B.×10-5A

C.×10-5A   D.×10-5A

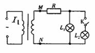
  6、如图所示,理想变压器的副线圈上通过输电线接有两个相同的灯泡L1和L2,输电线的等效电阻为R。开始时,开关S断开,当S接通时,以下说法中正确的是   (   )

    A.副线圈两端M、N的输出电压减小

    B.副线圈输电线等效电阻R两端的电压降增大

    C.通过灯泡L1的电流减小                          D.原线圈中的电流增大

试题详情

4、如图所示,将完全相同的两小球AB用长L=0.8m的细绳,悬于以v=4m/s向右匀速运动的小车顶部,两球的小车前后壁接触。  由于某种原因,小车突然停止,此时悬线中张力之比TB:TA为(g=10m/s2)(   )

A.1:1          B.1:2

C.1:3          D.1:4

试题详情

2、.一列简谐横波沿x 轴负方向传播,图1是t =1s 时的波形图,图2是波中某振动质元位移随时间变化的振动图线(两图用同一时间起点),则图2可能是图1中哪个质元的振动图线(  )

A.x=3m处的质元    B.x=1m处的质元     C.x=2m处的质元    D.x=0处的质元

3、物体B放在物体A上,A、B的上下表面均与斜面平行(如图),当两者以相同的初速度靠惯性沿光滑固定斜面C向上做匀减速运动时(   )

(A)A受到B的摩擦力沿斜面方向向上。

(B)A受到B的摩擦力沿斜面方向向下。

(C)A、B之间的摩擦力为零。

(D)A、B之间是否存在摩擦力取决于A、B表面的性质。

试题详情


同步练习册答案