题目列表(包括答案和解析)

 0  120055  120063  120069  120073  120079  120081  120085  120091  120093  120099  120105  120109  120111  120115  120121  120123  120129  120133  120135  120139  120141  120145  120147  120149  120150  120151  120153  120154  120155  120157  120159  120163  120165  120169  120171  120175  120181  120183  120189  120193  120195  120199  120205  120211  120213  120219  120223  120225  120231  120235  120241  120249  447348 

2、键盘上的基本键是①和②八个键。

 ①    ②

试题详情

1、在开机情况下,按一下主机箱上Reset钮,可①,同时按②+③+④三键也可重新启动计算机。

 ①

 ②     ③    ④

试题详情

 
WINDOWS
计算机高级语言
 
DOS
国际互连网
 
CPU
计算机辅助教学
 
CDROM
窗口操作系统
 
INTERNET
世界上第一台电子计算机的名字
 
WPS
中央处理器
 
UCDOS
汉字操作系统
 
LOGO
磁盘操作系统
 
CAI
文字处理软件
 
ENIAC
只读光盘

试题详情

4、TO KT4 :X :Y :Z :A

   IF :A>10 [PR :A STOP]

   MAKE "(SUM :X :Y :Z)

   KT4 :X+1 :Y+1 :Z+1 :A

   END

 运行 KT4 1 1 1 0 结果是:

 运行 KT4 1 2 3 0 结果是:

试题详情

3、TO KT3:X:Y

   PR REMAINDER:X:Y

  END

 运行KT3 8 3 结果是:

 运行 KT3 8 4 结果是:

试题详情

2、TO KT2 :X :Y

   MAKE "A QUOTIENT :X :Y

   MAKE "INT :A

   PR :A

   END

 运行 KT2 5 2 结果是:

 运行 KT2 3 2 结果是:

试题详情

1、TO KT1 :X

   MAKE "A (ROUND :X*10000)/10000

   PR :A

   END

 运行 KT1 68.94236 结果是:

 运行 KT1 12.345  结果是:

试题详情

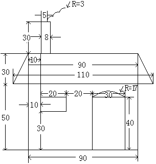
 计算机中已定义了以下三个过程:

 ①过程名 TX :A :B :H

  作用:画出上底为A,下底为B,高为H的等腰梯形

  说明:过程开始和结束时,海龟的位置和方向相同,在图中用↑表示。

 ②过程名 JX :C :K

  作用:画出长为C,宽为K的矩形。

  说明:过程开始和结束时,海龟的位置和方向相同,在图中用↑表示。

 ③过程名 YH :R :D

  作用:画出半径为R,圆心角为D度的圆孤。

  说明:过程开始时,海龟的位置在①处,方向如图所示。

   过程结束时,海龟的位置在②处,方向如图所示。

  TO FZ

    CS

    TX___ ___30

    PU BK 50 LT 90 FD 45 RT 90___

    JX 90 50

    PU RT 90 FD 50 LT 90 PD

    JX 30 40

    FD 40 RT 28

    YH___ 124 TR____

    FD 40 RT 90 FD 70 RT 90

    PU FD 30 PD

    JX 20 10

    PU FD 50 PD

    JX___ ___

    PD 30 RT 90 FD____ LT 120

    REPEAT 3[YH 3____ RT____]

  END

试题详情

 下面是求解该问题的过程,请填写完整。(每空1分,共5分)

 TO JT :J :T  (:F :T分别代表求解的鸡和兔数)

   MAKE "JZ :J①

   MAKE "TZ :T②

   IF ③=94 [(PR :J :T) STOP]

   JT ④ ⑤

 END

 运行  JT 34 1

  ①   ②   ③   ④   ⑤ 

试题详情

6、画如右图的递归过程

   TO F :B

    HT IF :B>① [STOP]

    REPEAT ②[FD :B RT ③]

    F :B+10

   END

 运行 F 0

  ①   ②   ③   ④

试题详情


同步练习册答案